Doručujeme do více než 25 zemí
info@sgarden.cz
Zaměřujeme se zvláště na náhradní díly, stačí kliknout
Přihlášení
/
Registrace
Přihlaste se
E-mail:
Heslo:
Zůstat přihlášen
Přihlásit se
Zapomenuté heslo?
Jsem tu nový:
registrovat
/
Odhlášení
CZ
€
CS
EN
€
Kč
Váš
KOŠÍK
čeká na naplnění
ks
Vysypat košík
Objednat
Opravdu
chcete
aby zůstal prázdný?
Ano, vysypat
Nechci
,
,
Náhradní díly
vše pro vaše stroje
Náhradní díly
>
STIGA
>
Travní sekačky
>
COLLECTOR 46 COLLECTOR 46 (1992) [12-1415-57]
>
CHASSIS
zpět na
COLLECTOR 46
COLLECTOR 46 (1992) [12-1415-57]
CHASSIS
COLLECTOR 46
COLLECTOR 46 (1992) [12-1415-57]
Najeďte myší na rozkres
kolečko:
přiblížení, levé tlačítko:
pohyb
Další díly
pro
COLLECTOR 46 (1992) [12-1415-57]
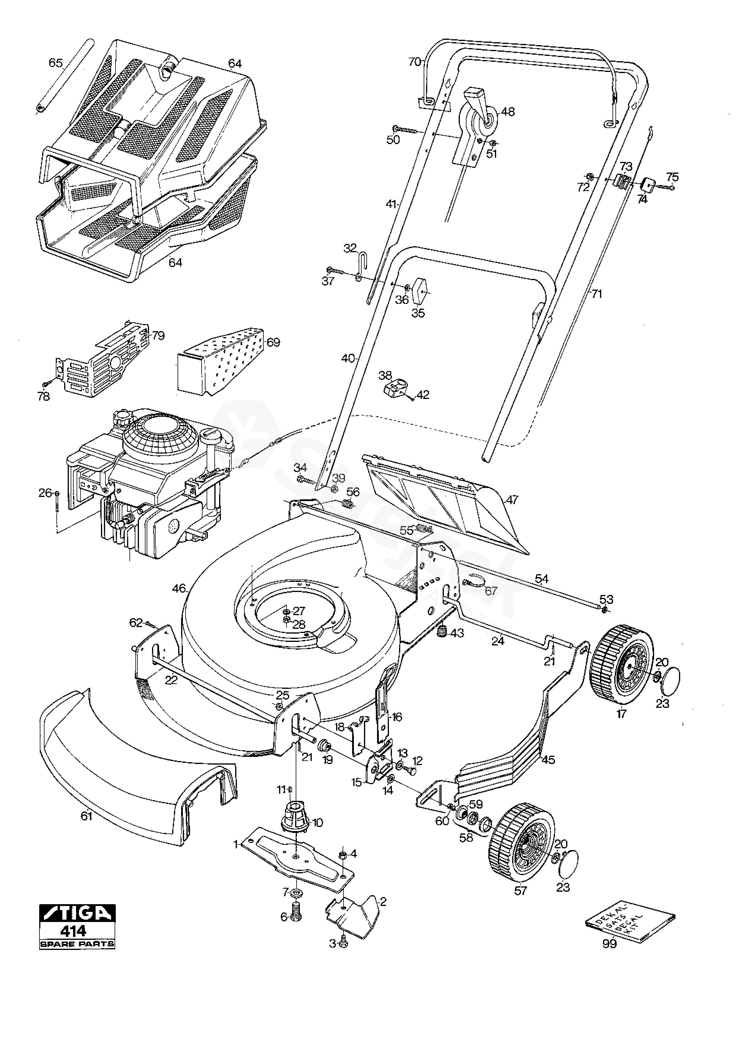
1
Žací nůž Sestava
1111-1423-01
2
BLADE KIT
K-FÖRP
1111-9048-01
3
ŠROUB
9997-0816-16
4
MATICE
9747-0831-02
6
ŠROUB
9987-5232-16
7
PODLOŽKA
9696-0011-01
10
Náboj čepele
1111-9054-01
11
KLÁVESA
9600-0014-00
12
ŠROUB
1111-0545-00
13
PODLOŽKA
9694-0001-00
15
AXLE MOUNTING
1111-1268-01
16
OVLÁDACÍ PÁČKA
1111-1337-01
18
Deska díry
1111-0497-00
19
BUSHING
1111-2057-02
20
STARLOCK
9675-0017-02
21
Štěrbinový pin
9595-0182-00
22
Přední AXLE
1111-2526-01
23
KRYT STŘEDU
1111-1335-01
24
ZADNÍ NÁPRAVA
1111-2525-01
25
MATICE
9739-0831-22
26
ŠROUB
35 mm
9997-0835-12
27
PODLOŽKA
9683-0030-02
28
MATICE
9799-0831-02
34
ŠROUB
9997-0812-16
35
Sada šroubů rukojeti (2 ks)
1111-9030-02
36
PODLOŽKA
9699-0025-02
37
ŠROUB
9899-3545-12
38
DRŽÁK LANKA
1111-2018-01
39
MATICE
9716-0831-02
40
Spodní část řídítek
1111-2165-01
41
Řídítka-horní část
1111-2005-01
42
ŠROUB
9836-9216-12
45
Boční Chránič-R.H.
1111-, 1115
1111-2556-02
46
Podvozek, žlutý
1111-2490-01
47
Klapka (žlutá)
1111-1614-02
48
LANKO PLYNU
1111-2368-04
50
ŠROUB
9948-0645-16
51
Matice
9747-0631-02
53
Pojistná podložka
9675-0012-02
54
Otočná tyč
1111-1532-01
55
Pružina vlevo
1111-1616-01
56
Pružina vpravo
1111-1616-02
57
KOLO
1111-2784-01
58
KULIČKOVÉ LOŽISKO
1111-9047-01
59
Vnější kroužek
1111-1184-01
60
Náprava pružinových kol
1111-1138-01
61
Přední kryt žlutá
1111-2487-02
62
ŠROUB
9836-9516-12
64
Sběrač trávy (jedna polovina)
1111-1619-01
65
RUKOJEŤ
1111-1635-01
78
ŠROUB
1415, 1514, 1515
94602
79
Tepelná ochrana
1415, 1514, 1515
9500-9987-00
99
Sada štítků
1111-2893-10