We deliver to more than 25 countries
info@sgarden.cz
We focus especially on spare parts, just click!
Log in
/
Registration
Sign In
E-mail:
Password:
Stay logged in
Log in
Forgot your password?
I'm new here:
register
/
Log off
EN
€
CS
EN
€
Kč
Your
CART
Awaiting fulfillment
ks
Empty cart
Order
Are you
sure
to empty your cart?
Yes, empty
I don't want to
,
,
Spare parts
Everything for your machines
Spare parts
>
STIGA
>
Snowthrowers
>
ST827 ST827 (1994)
>
Auger Gear Box
Back to
ST827
ST827 (1994)
Auger Gear Box
ST827
ST827 (1994)
Hover mouse on parts list
Wheel:
Zoom, left button:
Movement
Other parts
For
ST827 (1994)
0
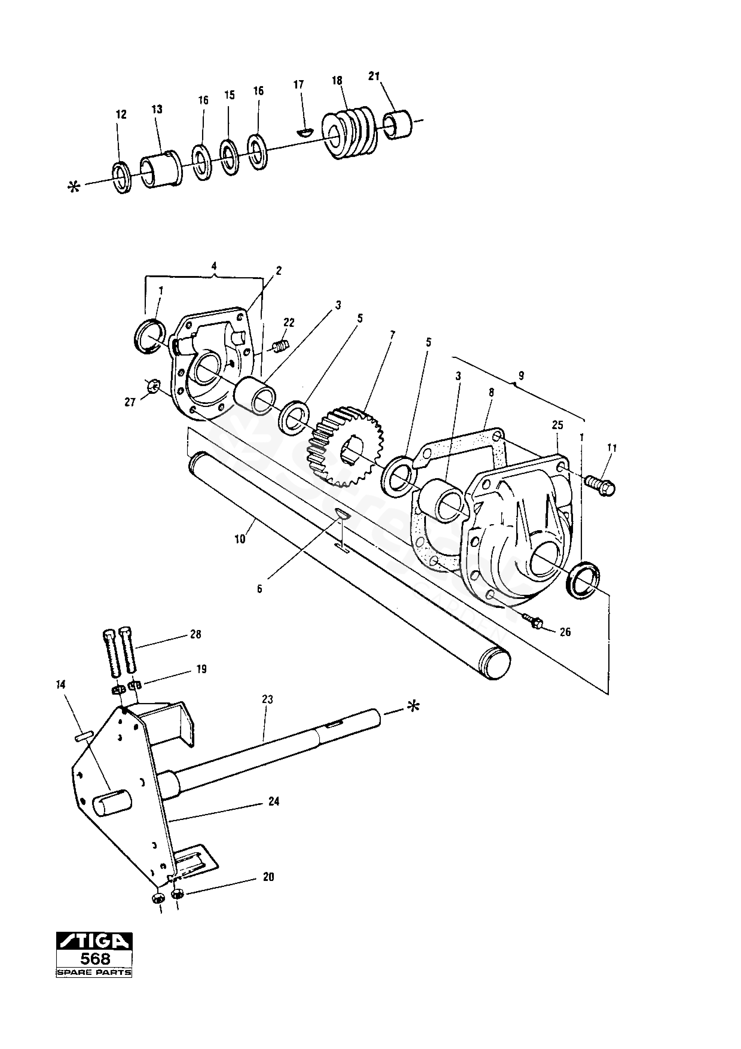
Gear Box Assy
1812-1278-01
1
Ring
1812-0344-01
3
Bearing
1812-0343-01
4
Gear case LH
Inkl. pos 1,2,3
1812-0227-01
5
Washer
1812-0345-01
6
Woodruff Key
1812-0409-01
7
Worm gear
1812-0335-01
8
Gasket
1812-0226-01
9
Gear case RH
Inkl. pos 1,3,25
1812-0228-01
10
Auger Shaft
1812-1276-01
11
Screw
9987-5145-12
12
Ring
1812-0341-01
13
Bearing Impeller Shaft
1812-1259-01
14
Key
1812-1167-01
15
Needle Bearing
1812-0285-01
16
Thrust Washer
1812-0857-01
17
Key
1812-0307-01
18
Gear
1812-0336-01
21
Bearing
1812-0297-01
22
Oil Plug
1812-0346-01
24
Impeller Shaft W.Fan
1812-1338-01
26
Screw
9987-5125-16
27
Nut
9743-5121-02