We deliver to more than 25 countries
info@sgarden.cz
We focus especially on spare parts, just click!
Log in
/
Registration
Sign In
E-mail:
Password:
Stay logged in
Log in
Forgot your password?
I'm new here:
register
/
Log off
EN
€
CS
EN
€
Kč
Your
CART
Awaiting fulfillment
ks
Empty cart
Order
Are you
sure
to empty your cart?
Yes, empty
I don't want to
,
,
Spare parts
Everything for your machines
Spare parts
>
Jonsered
>
TRACTORS/RIDE MOWERS
>
LT 2115 CMA LT 2115 CMA, 96061001001, 954130224, 2005-04
>
DRIVE
Back to
LT 2115 CMA
LT 2115 CMA, 96061001001, 954130224, 2005-04
DRIVE
LT 2115 CMA
LT 2115 CMA, 96061001001, 954130224, 2005-04
Hover mouse on parts list
Wheel:
Zoom, left button:
Movement
Other parts
For
LT 2115 CMA, 96061001001, 954130224, 2005-04
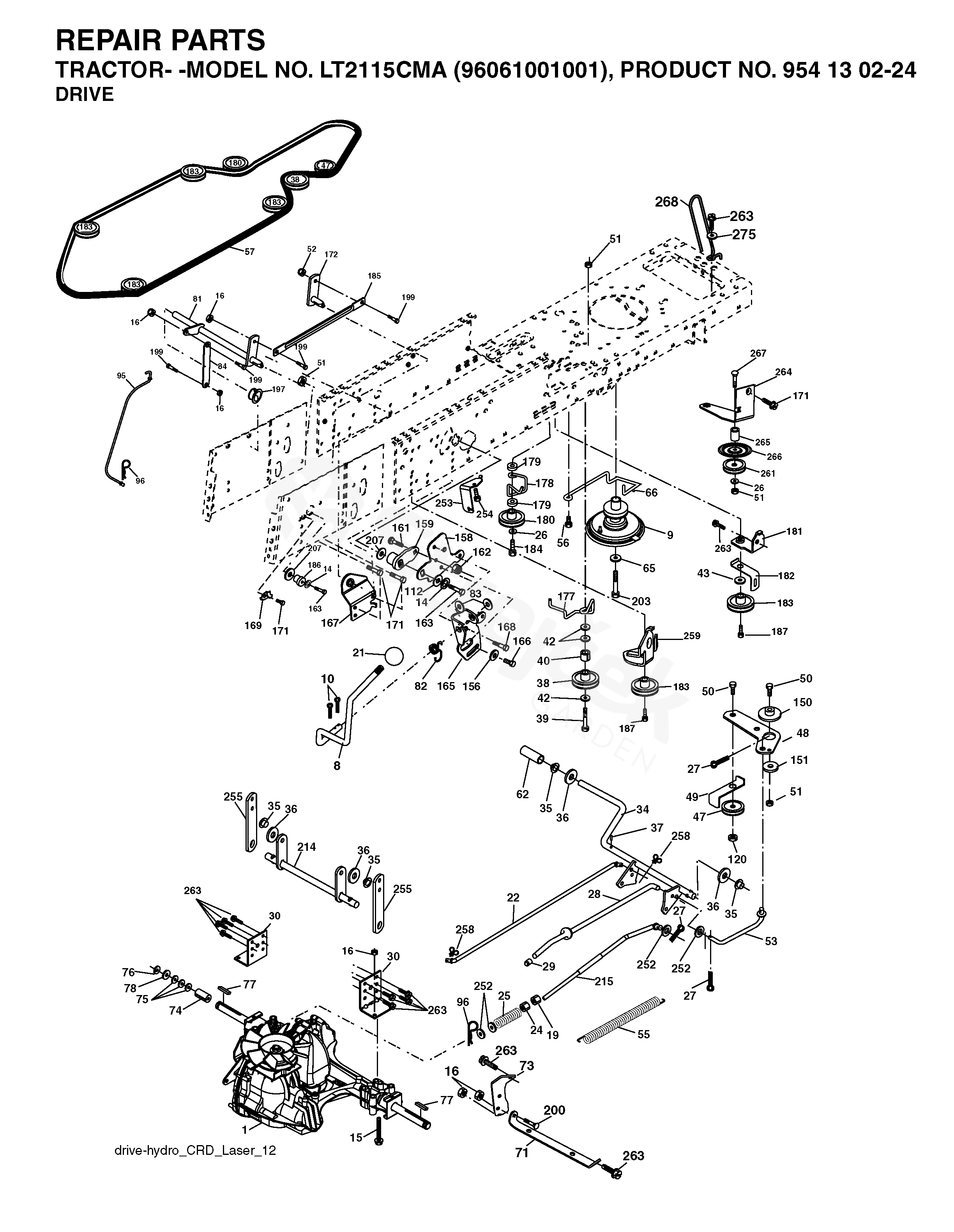
8
ROD
532165619
9
CLUTCH
532180354
10
SPLIT PIN
876020416
14
WASHER
810040400
16
BRACKET
873800500
19
NUT
873800600
21
KNOB
532140845
22
ROD
532175607
24
NUT
873350600
25
SPRING
532192036
26
PODLOŽKA
819131316
27
SPLIT PIN
876020412
28
SHAFT
532175765
29
COVER
532071673
30
BRACKET
532169592
34
SHAFT
532175578
35
BEARING
532120183
36
WASHER
819211616
37
PIN RETAINING SCREW
532124963
38
PULLEY
532165936
39
BOLT
874760644
40
SPACER
532124965
42
PODLOŽKA
819131312
43
WASHER
819111012
47
PULLEY
532127783
48
GUIDE
532154407
49
BELT GUIDE
532123205
50
BOLT
872110612
51
MATICE
873680600
52
MATICE
873680500
53
LINK
532105710
55
PRUŽINA
532105709
56
SCREW
817060620
57
BELT
532170140
62
PEDAL RUBBER
532124872
65
WASHER
810040700
66
TENSIONER
532154778
71
BRACKET
532169182
73
ROD
532169183
74
ROZPĚRKA
532137057
75
WASHER
532121749
76
RETAINER RING
812000001
77
KEY
532123583
78
PODLOŽKA
532121748
81
SHAFT
532170006
82
SPRING
532165711
83
WASHER
819171216
84
LINK
532170007
95
LINK
532170015
96
RETAINING RING
532124788
112
WASHER
819091210
120
MATICE
873900600
145
BOLT
874490544
150
BUSHING
532165850
151
PODLOŽKA
819133210
156
WASHER
532166002
158
BRACKET
532165589
159
LEVER
532183900
161
1/4-20X3/4 CARR BLT
872140406
162
NUT
873680400
163
BOLT
874780416
165
BRACKET
532165623
166
SCREW
817490510
167
BRACKET
532165588
168
BOLT
532165492
169
RETAINER
532165580
171
SCREW
817490608
172
LINK
532170271
177
HOLDER
532165932
178
HOLDER
532165933
179
WASHER
532120958
180
PULLEY
532165630
181
BRACKET
532180211
182
BELT GUIDE
532182682
183
PULLEY
532186007
184
SCREW
817490644
185
LINK
532170008
186
HUB
532165614
187
BOLT
817580520
197
SLEEVE
532169613
199
SCREW
532169612
200
BOLT
872140508
203
BOLT
871170780
207
WASHER
532169845
214
LEVER
532175609
215
ROD
532175652
253
BRACKET
532175028
254
SCREW
817000616
255
SHAFT
532175608
258
CLIP
532178062
259
BRACKET
532180212
261
PULLEY
532131494
263
SCREW
817000612
264
BRACKET
532181995
265
SPACER
532182013
266
PROTECTOR
532182061
267
BOLT
872140626
269
PROTECTOR
532182402
275
WASHER
819131614