We deliver to more than 25 countries
info@sgarden.cz
We focus especially on spare parts, just click!
Log in
/
Registration
Sign In
E-mail:
Password:
Stay logged in
Log in
Forgot your password?
I'm new here:
register
/
Log off
EN
€
CS
EN
€
Kč
Your
CART
Awaiting fulfillment
ks
Empty cart
Order
Are you
sure
to empty your cart?
Yes, empty
I don't want to
,
,
Spare parts
Everything for your machines
Spare parts
>
McCULLOCH
>
TRACTORS/RIDE MOWERS
>
MC1292RB MC1292RB, 96061001800, 2008-11
>
DRIVE
Back to
MC1292RB
MC1292RB, 96061001800, 2008-11
DRIVE
MC1292RB
MC1292RB, 96061001800, 2008-11
Hover mouse on parts list
Wheel:
Zoom, left button:
Movement
Other parts
For
MC1292RB, 96061001800, 2008-11
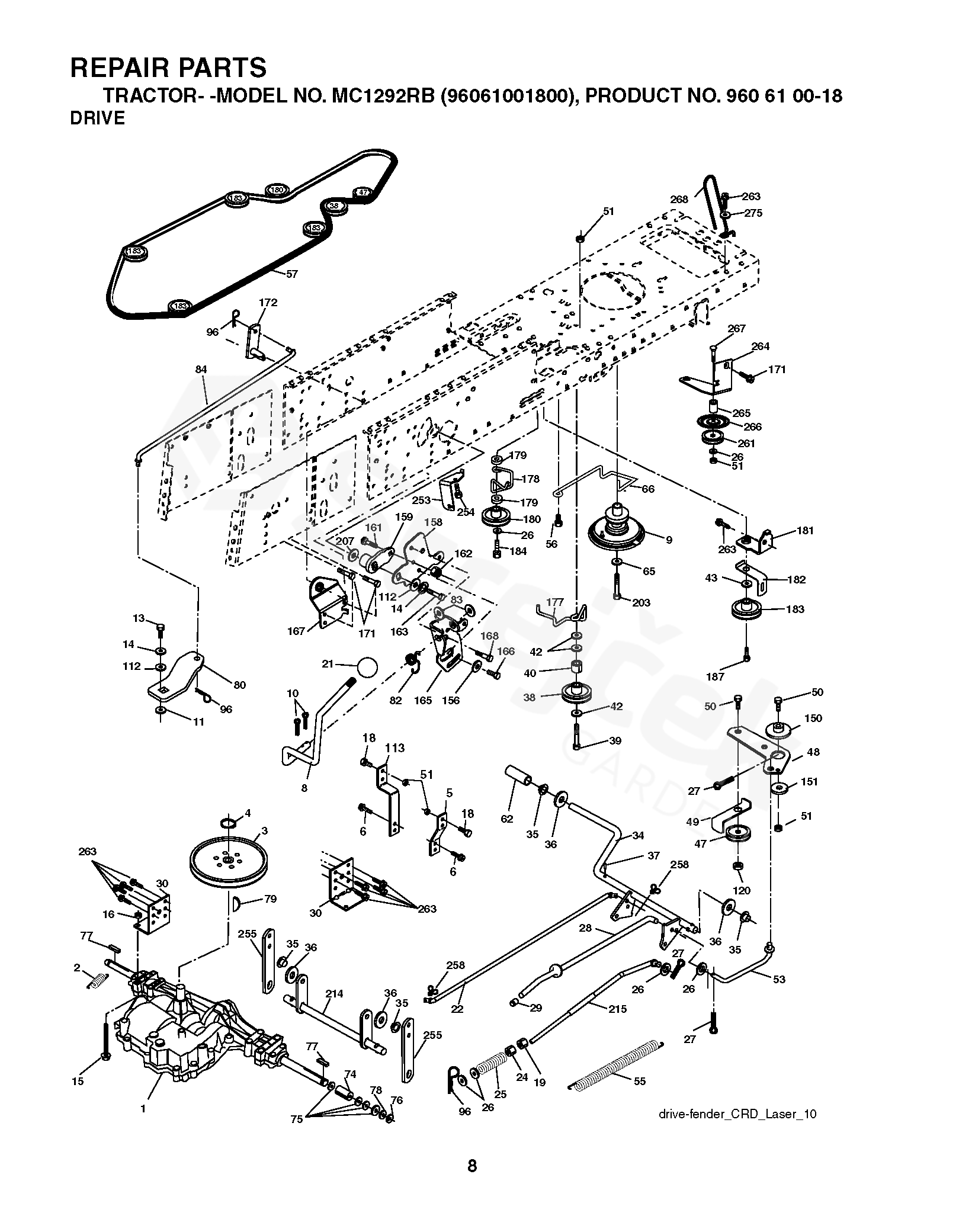
2
SPRING
532146682
3
PULLEY
532165999
4
CLIP
812000028
5
BRACKET
532121520
6
SCREW
817060512
8
ROD
532165619
9
CLUTCH
532180354
10
SPLIT PIN
876020416
11
WASHER
532105701
13
BOLT
874550412
14
WASHER
810040400
15
BOLT
874490544
16
BRACKET
873800500
18
BOLT
874780616
19
NUT
873800600
21
KNOB
532106933
22
ROD
532175607
24
NUT
873350600
25
SPRING
532106888
26
PODLOŽKA
819131316
27
SPLIT PIN
876020412
28
SHAFT
532175765
29
COVER
532071673
30
BRACKET
532174973
34
SHAFT
532175578
35
BEARING
532120183
36
WASHER
819211616
37
PIN RETAINING SCREW
532124963
38
PULLEY
532165936
39
BOLT
874760644
40
SPACER
532124965
42
PODLOŽKA
819131312
43
WASHER
819111012
47
PULLEY
532127783
48
GUIDE
532154407
49
BELT GUIDE
532123205
50
BOLT
872110612
51
MATICE
873680600
53
LINK
532105710
55
PRUŽINA
532105709
56
SCREW
817060620
57
BELT
532165631
62
PEDAL RUBBER
532124872
65
WASHER
810040700
66
TENSIONER
532154778
74
ROZPĚRKA
532137057
75
WASHER
532121749
76
RETAINER RING
812000001
77
KEY
532123583
78
PODLOŽKA
532121748
79
WOODRUFF KEY
532125096
80
LEVER
532145090
82
SPRING
532165711
83
WASHER
819171216
84
LINK
532165621
96
RETAINING RING
532124788
112
WASHER
819091210
120
MATICE
873900600
150
BUSHING
532165850
151
PODLOŽKA
819133210
156
WASHER
532166002
158
BRACKET
532165589
159
LEVER
532183900
160
WASHER
819292016
161
1/4-20X3/4 CARR BLT
872140406
162
NUT
873680400
163
BOLT
874780416
165
BRACKET
532165623
166
SCREW
817490510
167
BRACKET
532165588
168
BOLT
532165492
171
SCREW
817490608
172
SHAFT
532165635
177
HOLDER
532165932
178
HOLDER
532165933
179
WASHER
532120958
180
PULLEY
532165630
181
BRACKET
532180211
182
BELT GUIDE
532182682
183
PULLEY
532186007
184
SCREW
817490644
187
BOLT
817580520
203
BOLT
871170780
214
LEVER
532175609
215
ROD
532175651
253
BRACKET
532175028
254
SCREW
817000616
255
SHAFT
532175608
258
CLIP
532178062
261
PULLEY
532131494
263
SCREW
817000612
264
BRACKET
532181995
265
SPACER
532182013
266
PROTECTOR
532182061
267
BOLT
872140626
268
PROTECTOR
532182402
275
WASHER
819131614