Doručujeme do více než 25 zemí
info@sgarden.cz
Zaměřujeme se zvláště na náhradní díly, stačí kliknout
Přihlášení
/
Registrace
Přihlaste se
E-mail:
Heslo:
Zůstat přihlášen
Přihlásit se
Zapomenuté heslo?
Jsem tu nový:
registrovat
/
Odhlášení
CZ
€
CS
EN
€
Kč
Váš
KOŠÍK
čeká na naplnění
ks
Vysypat košík
Objednat
Opravdu
chcete
aby zůstal prázdný?
Ano, vysypat
Nechci
,
,
Náhradní díly
vše pro vaše stroje
Náhradní díly
>
Husqvarna
>
Motory
>
TUFFTORQ K66V, 2007-10
>
PŘEVODY
zpět na
TUFFTORQ
K66V, 2007-10
PŘEVODY
TUFFTORQ
K66V, 2007-10
Najeďte myší na rozkres
kolečko:
přiblížení, levé tlačítko:
pohyb
Další díly
pro
K66V, 2007-10
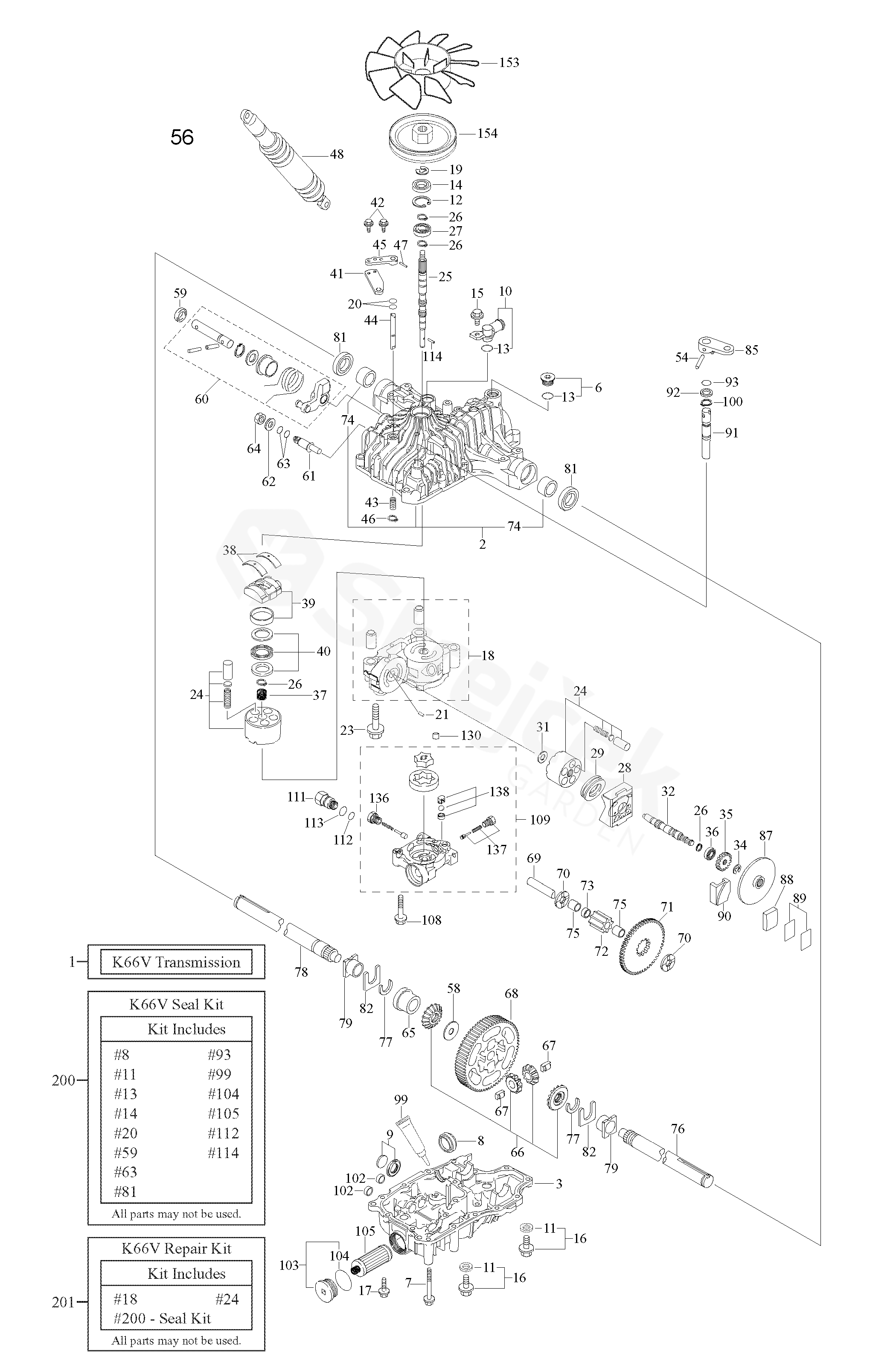
1
PŘEVODOVKA
535417701
2
UPPER CASE KIT
502449101
3
LOWER CASE
502450101
6
COVER
535402821
7
ŠROUB
535414683
8
FILTER
535414623
9
MAGNET
535414694
10
FITINK
502450201
11
PODLOŽKA
535402825
12
RETAINING RING
535402850
13
O-KROUŽEK
535402822
14
TĚSNĚNÍ
506957201
15
ŠROUB
502462801
16
ŠROUB
535402824
17
ŠROUB
535402828
18
DOMEČEK LOŽISKA
535414625
19
SVORKA
535402807
20
O-KROUŽEK
535402815
21
PIN RETAINING SCREW
535402858
23
ŠROUB
502462901
24
VÁLEC
535402874
25
HRÍDEL
535414666
26
RETAINING RING
535402881
27
LOŽISKO
535402871
28
KRYT
535414622
29
LOŽISKO
535414682
31
PODLOŽKA
535402879
32
HRÍDEL
535414628
34
O-KROUŽEK
535414629
35
OZUBENÉ SOUKOLÍ
535414667
36
LOŽISKO
535414704
37
PRUŽINA
535414685
38
DESKA
535414686
39
SWASH PLATE
535414633
40
LOŽISKO
523076001
41
PÁKA
535402826
42
ŠROUB
535402827
43
PRUŽINA
502460101
44
HRÍDEL
535414634
45
PÁKA
535402817
46
RETAINING RING
535402849
47
PIN RETAINING SCREW
535402816
48
TLUMIČ
502460301
54
PIN RETAINING SCREW
535402809
58
PODLOŽKA
502451201
59
TĚSNĚNÍ
535402811
60
OVLÁDACÍ HŘÍDEL
502451101
61
ECCENTRIC
535402892
62
PODLOŽKA
535402813
63
O-KROUŽEK
535402814
64
MATICE
506956601
65
POUZDRO
535414644
66
DIFFERENTIAL GEAR KIT
502449801
67
PIN RETAINING SCREW
535414656
68
OZUBENÉ SOUKOLÍ
535414661
69
HRÍDEL
535414639
70
PODLOŽKA
535414640
71
OZUBENÉ SOUKOLÍ
535414659
72
PASTOREK
535414662
73
POUZDRO
535414658
74
BUSHING
535414690
75
JEHLOVÉ LOŽISKO
535414657
76
AXLE SHAFT, LEFT
502450901
77
RETAINING RING
535414696
78
AXLE SHAFT RIGHT
502451001
79
BUSHING
535414697
81
TĚSNĚNÍ
535402810
82
PODLOŽKA
535414645
85
PÁKA BRZDY
535402808
87
BRAKE DISC
535414646
88
BRZDOVÁ ČELIST
535414647
89
SHIM KIT
502449501
90
OVLADAČ
502449601
91
HRÍDEL
535414650
92
PODLOŽKA
535414651
93
O-KROUŽEK
535414619
100
RETAINING RING
535414702
103
COVER
535402818
104
O-KROUŽEK
535402820
105
FILTER
535402819
108
ŠROUB
535414706
109
PUMP CASE KIT
535466501
111
ČLÁNEK
535466502
112
O-KROUŽEK
535466503
113
O-KROUŽEK
502462001
114
PIN RETAINING SCREW
535414692
130
PIN RETAINING SCREW
535414699
136
CHARGE RELIEF VALVE
502460601
137
IMPLEMENT RELIEF VALVE
502449301
138
3RD CHECK VALVE
502451501
153
VENTILÁTOR
502450301
154
INPUT PULLEY 3.5" DIA
502450501
200
K66B,D,I,K,M SEAL KIT
502451301
201
OPRAVÁRENSKÁ SADA
502463701