CZ
Váš KOŠÍK
čeká na naplnění

ks
Vysypat košík Objednat
Opravdu
chcete
aby zůstal prázdný?
Ano, vysypat Nechci
Náhradní díly
vše pro vaše stroje
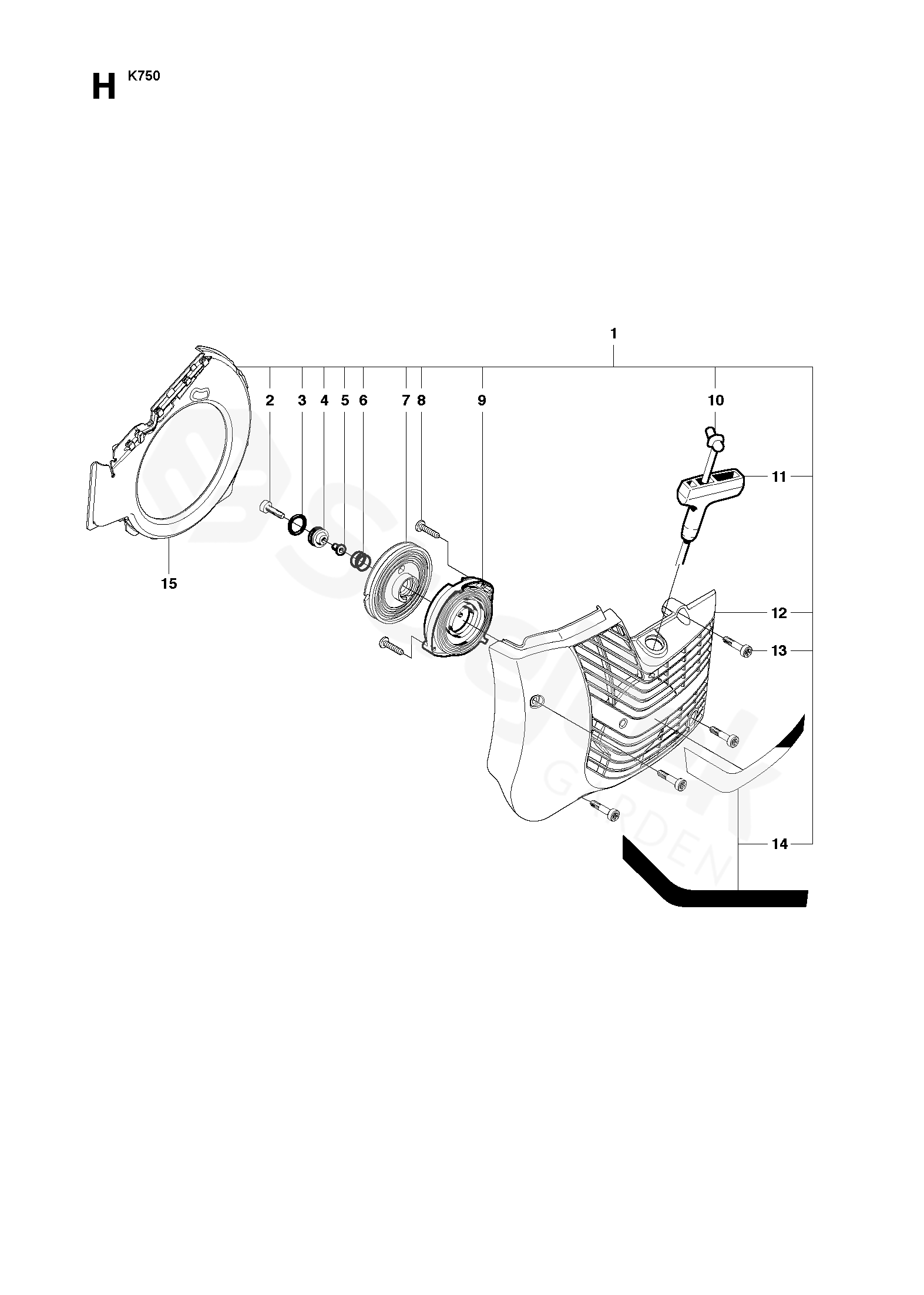
STARTÉR
K750 K750, 544936207, 2010-02
Najeďte myší na rozkres
kolečko: přiblížení, levé tlačítko: pohyb
Další díly pro K750, 544936207, 2010-02
1 STARTÉR 506385613
2 SCREW ITXSCT 510269222
3 O-KROUŽEK 740431300
4 TĚSNĚNÍ 510000801
5 ROZPĚRNÉ POUZDRO 506263101
6 KOMPRESNÍ KROUŽEK 506253001
7 KLADKA STARTOVÁNÍ 506258102
8 ŠROUB CCRPANT 503212810
9 VRATNÁ PRUŽINA 506258901
10 STARTER CORD 506335650
11 RUKOJEŤ STARTOVÁNÍ 503127901
12 KRYT STARTÉRU 506369203
13 ŠROUB ITXSCM 503215321
14 NÁLEPKA 544890802
15 USMĚRŇOVAČ VZDUCHU 544383901