Doručujeme do více než 25 zemí
info@sgarden.cz
Zaměřujeme se zvláště na náhradní díly, stačí kliknout
Přihlášení
/
Registrace
Přihlaste se
E-mail:
Heslo:
Zůstat přihlášen
Přihlásit se
Zapomenuté heslo?
Jsem tu nový:
registrovat
/
Odhlášení
CZ
€
CS
EN
€
Kč
Váš
KOŠÍK
čeká na naplnění
ks
Vysypat košík
Objednat
Opravdu
chcete
aby zůstal prázdný?
Ano, vysypat
Nechci
,
,
Náhradní díly
vše pro vaše stroje
Náhradní díly
>
Husqvarna
>
Ridery
>
P 524EFI P 524EFI, 967848101, 2018-07
>
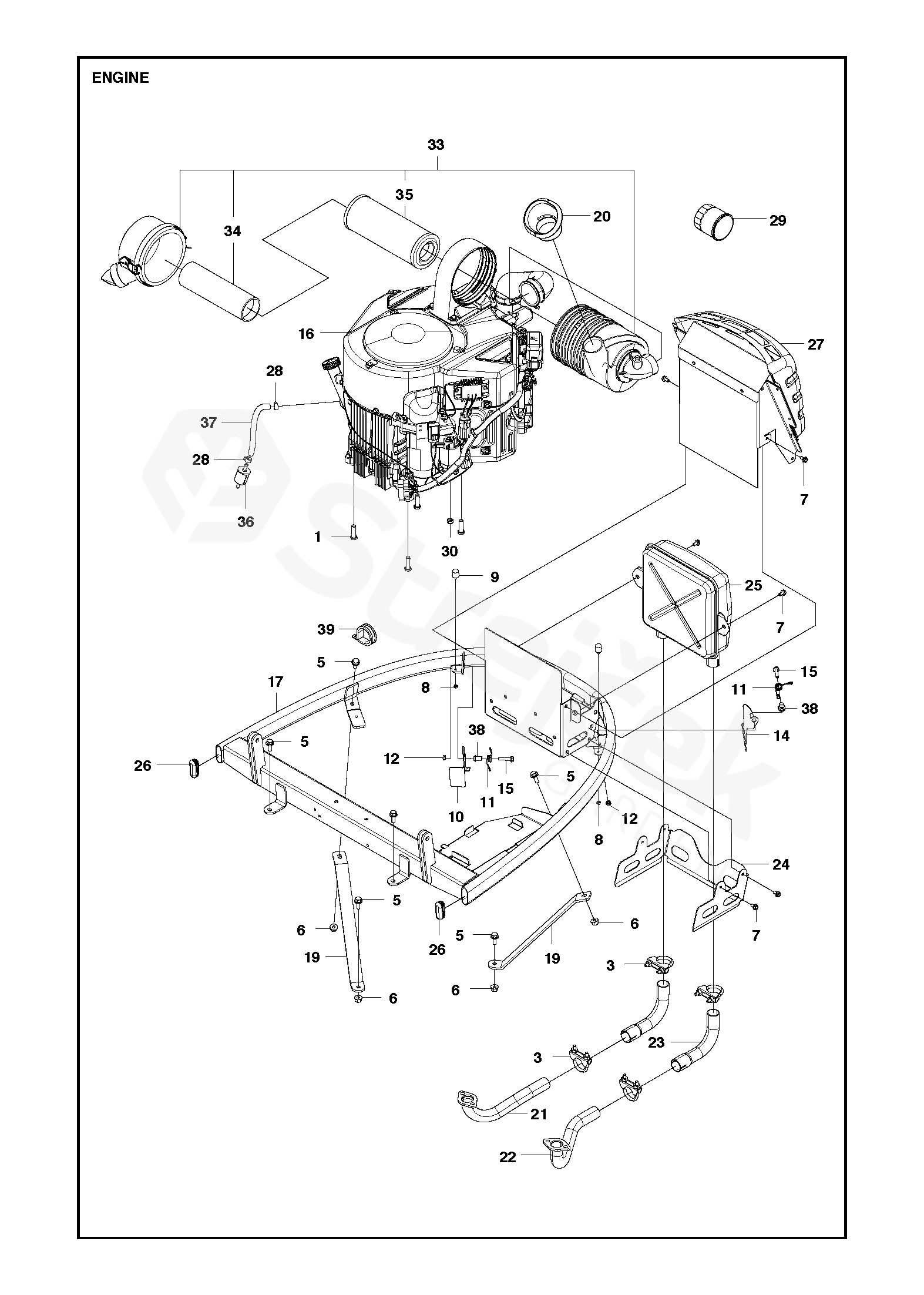
MOTOR
zpět na
P 524EFI
P 524EFI, 967848101, 2018-07
MOTOR
P 524EFI
P 524EFI, 967848101, 2018-07
Najeďte myší na rozkres
kolečko:
přiblížení, levé tlačítko:
pohyb
Další díly
pro
P 524EFI, 967848101, 2018-07
1
ŠROUB
577094801
3
CLAMP ASSY
501152201
5
ŠROUB EHHFM
535475212
6
NUT FLANGE
576645704
7
ŠROUB EHHFM
506570105
8
LOCK NUT
732211401
9
NÁRAZNÍK
504638801
10
ZÁPADKA
504613403
11
PRUŽINA
504639001
12
MATICE
732211601
14
ZÁPADKA
504613404
15
ŠROUB EHHFM
535475230
17
RÁM MTORU
592651601
19
OPĚRNÁ MISKA
576878201
20
PŘEPÁŽKA
590753301
21
PŘÍRUBA
590754502
22
PŘÍRUBA
590754501
23
VÝFUKOVÁ ROURA
590754601
24
TEPELNÝ ŠTÍT
593590101
25
TLUMIČ VÝFUKU KOMPL.
590753801
26
ZÁSLEPKA
504643601
27
TEPELNÝ ŠTÍT
592723801
28
HOSE BRACE
535469701
29
OLEJOVÝ FILTR
578159201
30
ŠESTIHRANNÁ MATICE
731231801
33
VZDUCHOVÝ FILTR
582092801
34
VZDUCHOVÝ FILTR
585408002
35
VZDUCHOVÝ FILTR
585408001
36
PALIVOVÝ FILTR
595927301
37
POTRUBÍ
535414495
38
POUZDRO
584659001
39
HADICOVÁ SVĚRKA
574531202