Doručujeme do více než 25 zemí
info@sgarden.cz
Zaměřujeme se zvláště na náhradní díly, stačí kliknout
Přihlášení
/
Registrace
Přihlaste se
E-mail:
Heslo:
Zůstat přihlášen
Přihlásit se
Zapomenuté heslo?
Jsem tu nový:
registrovat
/
Odhlášení
CZ
€
CS
EN
€
Kč
Váš
KOŠÍK
čeká na naplnění
ks
Vysypat košík
Objednat
Opravdu
chcete
aby zůstal prázdný?
Ano, vysypat
Nechci
,
,
Náhradní díly
vše pro vaše stroje
Náhradní díly
>
Husqvarna
>
Přislušenství pro kolovou techniku
>
SWEEPERS SWEEPER 42, 450261, 1998-09
>
KOMPLETNÍ VÝROBEK
zpět na
SWEEPERS
SWEEPER 42, 450261, 1998-09
KOMPLETNÍ VÝROBEK
SWEEPERS
SWEEPER 42, 450261, 1998-09
Najeďte myší na rozkres
kolečko:
přiblížení, levé tlačítko:
pohyb
Další díly
pro
SWEEPER 42, 450261, 1998-09
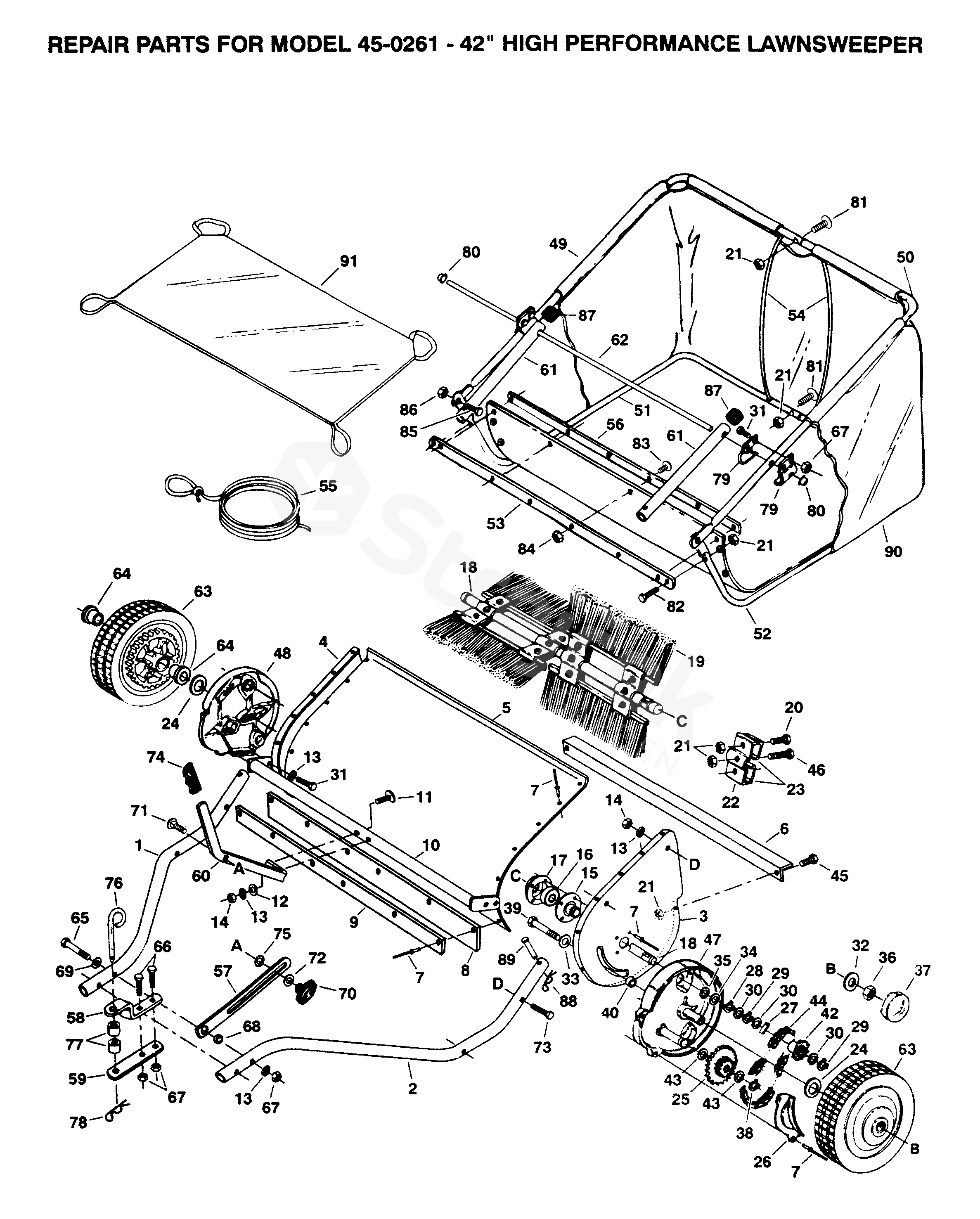
1
TUBE, R.H.
531002806
2
TUBE, L.H.
531002807
3
DESKA
531002808
4
DESKA
531002809
5
DESKA
531002729
6
OPĚRNÁ MISKA
531002810
7
BLIND RIVET
722787003
8
SKIRT 42"
531002812
9
OPĚRNÁ MISKA
531002813
10
TYČ
531002814
11
ŠROUB
531002815
12
PODLOŽKA
531002816
13
PODLOŽKA
735116405
14
MATICE
873220500
15
BUSHING
506620201
16
KULIČKOVÉ LOŽISKO
531002817
17
BEARING RETAINER
506620401
18
HRÍDEL
531002818
19
KARTÁČ
531002819
20
ŠROUB
729237051
21
MATICE
531007629
22
BRUSHRETAINER DOUBLE
506620601
23
BRUSH RETAINER SINGLE
506620701
24
PODLOŽKA
531002741
25
GEAR SPRUCKET SUB ASSY
506621701
26
PRACHOVÝ KRYT
506621801
27
ZÁPADKA
506621901
28
RETAINING RING 3/4Ä
506622301
29
RETAINING RING
506622401
30
PODLOŽKA
506622501
31
ŠROUB
874780512
32
PODLOŽKA
734117341
33
PODLOŽKA
734117201
34
PODLOŽKA
506624701
35
PODLOŽKA
506624801
36
MATICE
506622901
37
ZÁPADKA
506621901
38
RETAINING RING 1/2Ä
506623101
39
ŠROUB
506623301
40
ROZPĚRKA
506626601
41
OZUBENÉ SOUKOLÍ
531002799
42
RATCHET SPROCKET
506623501
43
PODLOŽKA
506623601
44
ROLLERCHAIN 3/8X1/2"
531002745
45
ŠROUB
531002821
46
ŠROUB
531007626
47
WHEEL SHIELD, L.H.
531002744
48
WHEEL SHIELD, R.H.
531002743
49
PIPE UP RH
531002822
50
PIPE UP LH
531002823
51
TUBE LOW RH
531002824
52
TUBE LOWER LH
531002825
53
STRAP BAG FRAME
531002826
54
NÁSYPKA
506624401
55
ŠŇŮRA
531002734
56
HOLDER
531002827
57
PÁKA
531002828
58
DRŽÁK
531002772
59
DRŽÁK
531002830
60
PÁKA
531002831
61
TRUBKA
531002832
62
HRÍDEL
531002833
63
KOLO KOMPL.
531002746
64
WHEEL BUSHING
506625401
65
ŠROUB
531002834
66
ŠROUB
531002835
67
MATICE
531007616
68
ROZPĚRKA
531002836
69
PODLOŽKA
734115201
70
LOCK NUT
732211401
71
ŠROUB
872140506
72
PODLOŽKA
734116401
73
ŠROUB
531002838
74
DRŽÁK
506626401
75
PODLOŽKA
531002839
76
ZÁVĚS
506625601
77
ZÁVĚS
506626501
78
SPRING COTTER
721680251
79
NÁSYPKA
506626701
80
MATICE
531002840
81
ŠROUB
725237251
82
ŠROUB EHHM
725237471
83
ŠROUB
725232951
84
LOCK NUT
732211401
85
ŠROUB
506625301
86
MATICE
873680600
87
KRYT STŘEDU
531002842
88
PIN RETAINING SCREW
531004637
89
PIN CLEVIS 1/4
531002844
90
NÁSYPKA
531002845
91
SÍTKO
531002846