Doručujeme do více než 25 zemí
info@sgarden.cz
Zaměřujeme se zvláště na náhradní díly, stačí kliknout
Přihlášení
/
Registrace
Přihlaste se
E-mail:
Heslo:
Zůstat přihlášen
Přihlásit se
Zapomenuté heslo?
Jsem tu nový:
registrovat
/
Odhlášení
CZ
€
CS
EN
€
Kč
Váš
KOŠÍK
čeká na naplnění
ks
Vysypat košík
Objednat
Opravdu
chcete
aby zůstal prázdný?
Ano, vysypat
Nechci
,
,
Náhradní díly
vše pro vaše stroje
Náhradní díly
>
Husqvarna
>
Přislušenství pro kolovou techniku
>
SWEEPERS SWEEPER 32, 1998-09
>
KLIKOVÁ SKŘÍŇ & PŘÍSLUŠNÉ SOUČÁSTI
zpět na
SWEEPERS
SWEEPER 32, 1998-09
KLIKOVÁ SKŘÍŇ & PŘÍSLUŠNÉ SOUČÁSTI
SWEEPERS
SWEEPER 32, 1998-09
Najeďte myší na rozkres
kolečko:
přiblížení, levé tlačítko:
pohyb
Další díly
pro
SWEEPER 32, 1998-09
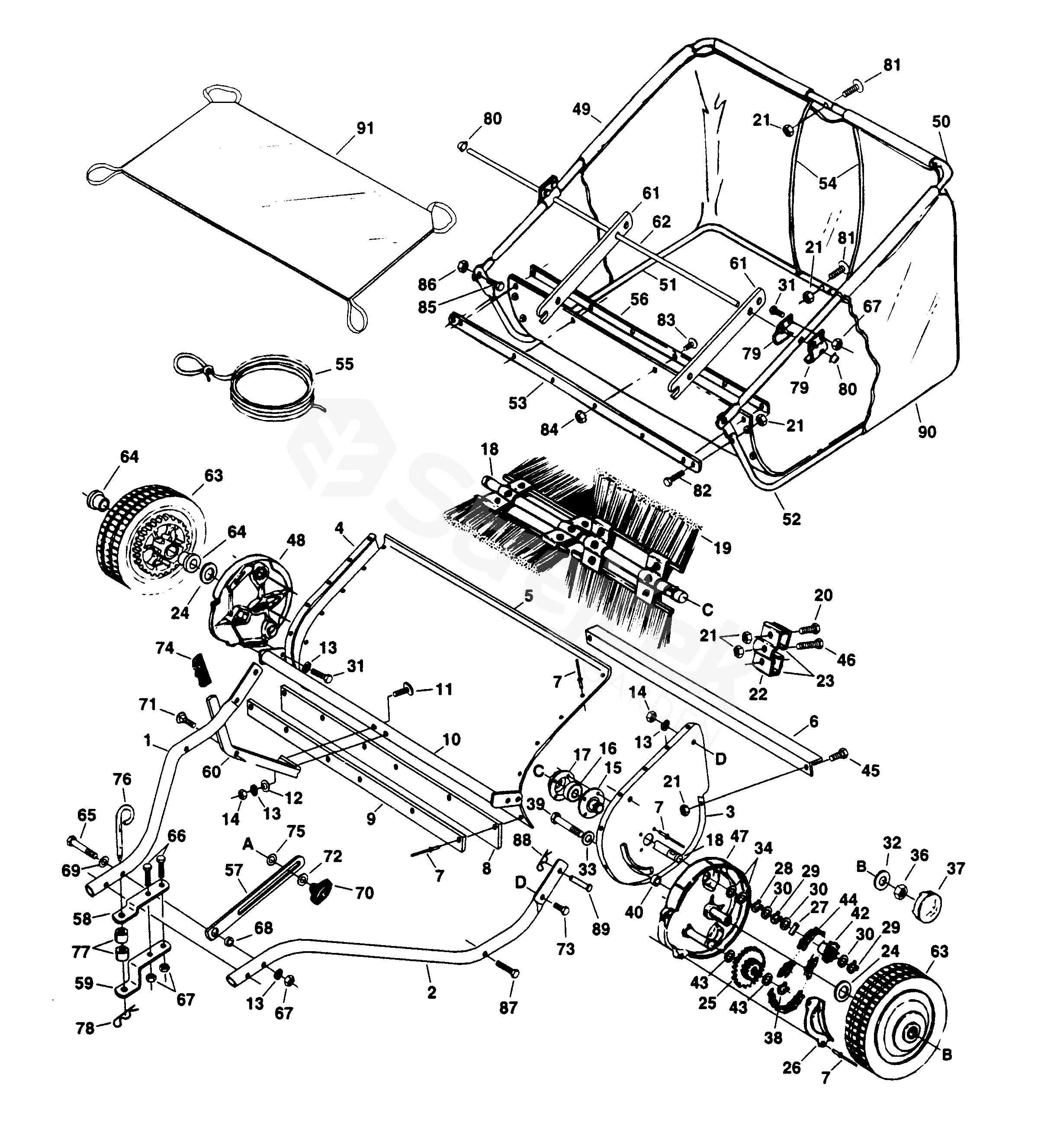
1
TYČ
531007409
2
TYČ
531007411
3
DESKA
531002808
4
DESKA
531002809
5
DESKA
531007413
6
OPĚRNÁ MISKA
531007415
7
BLIND RIVET
722787003
8
MOULDING
531007617
9
HOLDER
531007609
10
OVLADAČ
531007418
11
ŠROUB
531002815
12
PODLOŽKA
531002816
13
PODLOŽKA
735116405
14
MATICE
873220500
15
BUSHING
506620201
16
KULIČKOVÉ LOŽISKO
531002817
17
BEARING RETAINER
506620401
18
HRÍDEL
531007615
19
KARTÁČ
531007420
20
ŠROUB
729237051
21
MATICE
531007629
22
BRUSHRETAINER DOUBLE
506620601
23
BRUSH RETAINER SINGLE
506620701
24
PODLOŽKA
531002741
25
GEAR SPRUCKET SUB ASSY
506621701
26
PRACHOVÝ KRYT
506621801
27
ZÁPADKA
506621901
28
ŠROUB
506632301
29
RETAINING RING
506622401
30
PODLOŽKA
506622501
31
ŠROUB
874780512
32
PODLOŽKA
734117341
33
PODLOŽKA
734117201
34
PODLOŽKA
506624701
36
MATICE
506622901
37
KRYT STŘEDU
506623001
38
RETAINING RING 1/2Ä
506623101
39
ŠROUB
506623301
40
ROZPĚRKA
506626601
41
OZUBENÉ SOUKOLÍ
531002799
42
RATCHET SPROCKET
506623501
43
PODLOŽKA
506623601
44
ROLLERCHAIN 3/8X1/2"
531002745
45
ŠROUB
531002821
46
ŠROUB
531007626
47
WHEEL SHIELD, L.H.
531002744
48
WHEEL SHIELD, R.H.
531002743
49
POTRUBÍ
531007603
50
POTRUBÍ
531007602
51
POTRUBÍ
531007604
52
POTRUBÍ
531007605
53
PÁSEK
531007614
54
NÁSYPKA
506624401
55
ŠŇŮRA
531002734
56
SKIRT AND BAG RETAINER
506620901
57
PÁKA
531002828
58
DRŽÁK
531002772
59
ZÁVĚS
506621201
60
PÁKA
531002831
61
PÁKA
531007423
62
TYČ
531007424
63
KOLO KOMPL.
531002746
64
WHEEL BUSHING
506625401
65
ŠROUB
531002834
66
ŠROUB
531002835
67
MATICE
531007616
68
ROZPĚRKA
531002836
69
PODLOŽKA
734115201
70
KONFLÍK
506626001
71
ŠROUB
872140506
72
PODLOŽKA
734116401
73
ŠROUB
531007426
74
DRŽÁK
506626401
75
PODLOŽKA
531002839
76
ZÁVĚS
506625601
77
ZÁVĚS
506626501
78
SPRING COTTER
721680251
79
NÁSYPKA
506626701
80
MATICE
531002840
81
ŠROUB
725237251
82
ŠROUB EHHM
725237471
83
ŠROUB
725232951
84
LOCK NUT
732211401
85
ŠROUB
506625301
86
MATICE
873680600
87
ŠROUB
531002838
88
PIN RETAINING SCREW
531004637
89
PIN RETAINING SCREW
531004638
90
VAK
531007606
91
WIND SCREEN
531007607
531007450
531007450