CZ
Váš KOŠÍK
čeká na naplnění

ks
Vysypat košík Objednat
Opravdu
chcete
aby zůstal prázdný?
Ano, vysypat Nechci
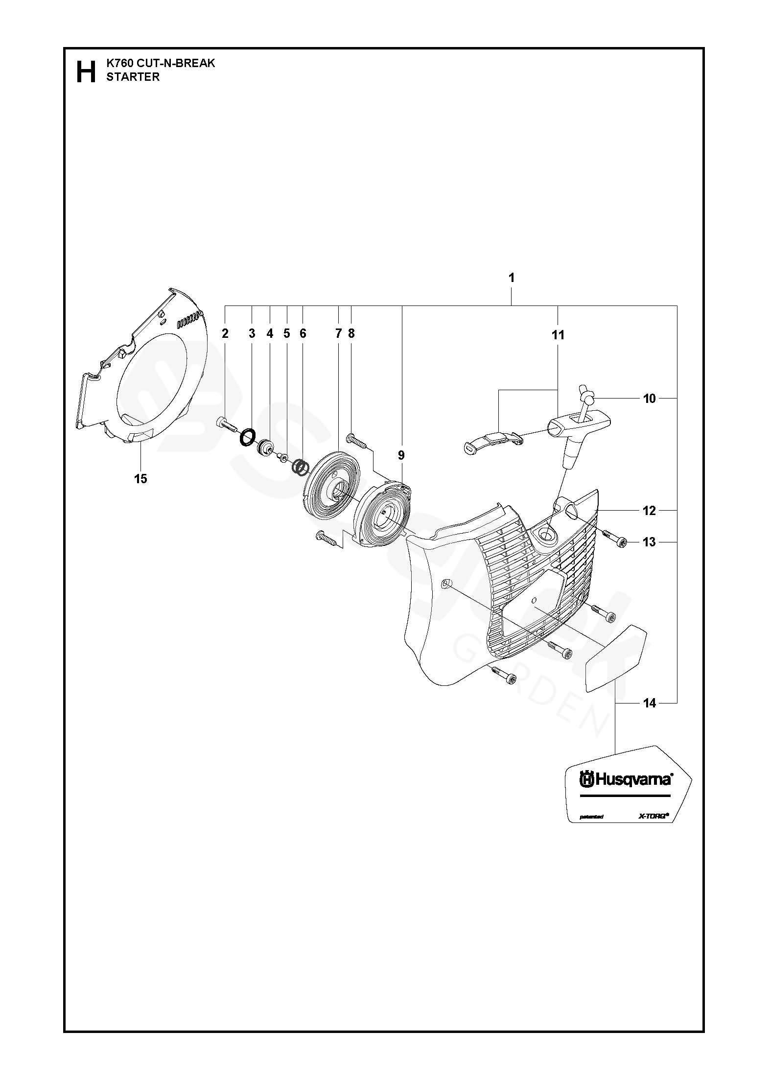
STARTÉR
K760 CUT-N-BREAK K760 CUT-N-BREAK, 2013-06
Najeďte myší na rozkres
kolečko: přiblížení, levé tlačítko: pohyb
Další díly pro K760 CUT-N-BREAK, 2013-06
1 STARTÉR Incl. 2 - 15
Incl. 2 - 15
574362005
2 SCREW ITXSCT 510269222
3 O-KROUŽEK 740431300
4 TĚSNĚNÍ 510000801
5 ROZPĚRNÉ POUZDRO 506263101
6 KOMPRESNÍ KROUŽEK 506253001
7 KLADKA STARTOVÁNÍ 506258102
8 ŠROUB CCRPANT 503212810
9 VRATNÁ PRUŽINA 506258901
10 STARTER CORD
50 m
506335650
11 STARTER HANDLE ASSY 584257901
12 KRYT STARTÉRU 525446001
13 ŠROUB ITXSCM 501981020
14 NÁLEPKA 525571101
15 PŘÍVOD CHLADÍCÍHO VZDUCHU 501859401