Doručujeme do více než 25 zemí
info@sgarden.cz
Zaměřujeme se zvláště na náhradní díly, stačí kliknout
Přihlášení
/
Registrace
Přihlaste se
E-mail:
Heslo:
Zůstat přihlášen
Přihlásit se
Zapomenuté heslo?
Jsem tu nový:
registrovat
/
Odhlášení
CZ
€
CS
EN
€
Kč
Váš
KOŠÍK
čeká na naplnění
ks
Vysypat košík
Objednat
Opravdu
chcete
aby zůstal prázdný?
Ano, vysypat
Nechci
,
,
Náhradní díly
vše pro vaše stroje
Náhradní díly
>
STIGA
>
Travní sekačky
>
MULTICLIP 46SE HERKULES MULTICLIP 46SE HERKULES (1998)
>
CHASSIS
zpět na
MULTICLIP 46SE HERKULES
MULTICLIP 46SE HERKULES (1998)
CHASSIS
MULTICLIP 46SE HERKULES
MULTICLIP 46SE HERKULES (1998)
Najeďte myší na rozkres
kolečko:
přiblížení, levé tlačítko:
pohyb
Další díly
pro
MULTICLIP 46SE HERKULES (1998)
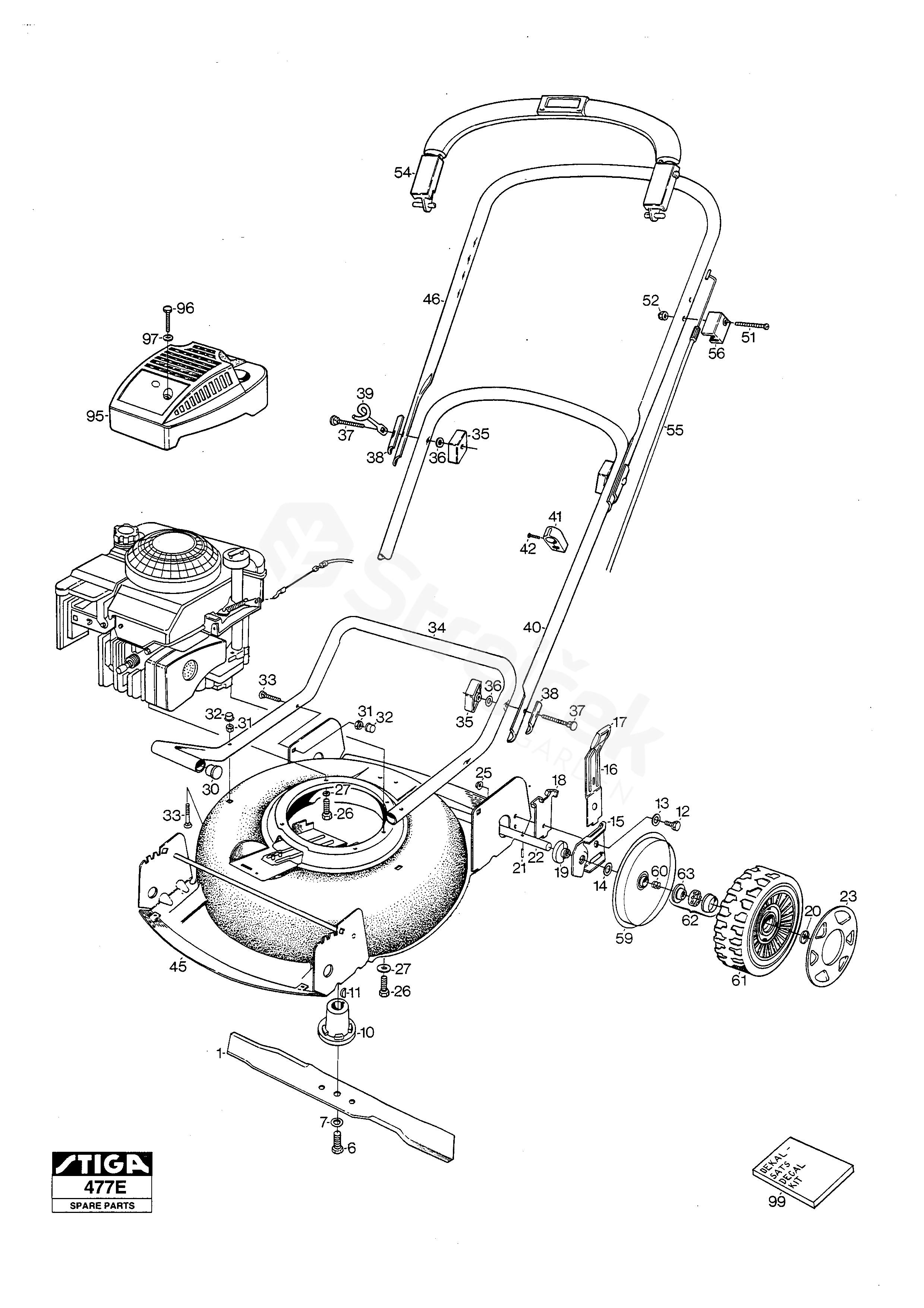
1
ČEPEL
1111-9078-01
6
ŠROUB
9987-5257-12
7
PODLOŽKA
9696-0011-01
10
Náboj čepele
1111-9067-01
11
KLÁVESA
9600-0014-00
12
ŠROUB
1111-0545-00
13
PODLOŽKA
9694-0003-00
14
PODLOŽKA
9699-0069-02
15
AXLE MOUNTING
1111-1268-01
16
OVLÁDACÍ PÁČKA
1111-1337-01
17
KONFLÍK
1111-2549-01
18
Deska díry
1111-0497-00
19
BUSHING
1111-2057-02
20
STARLOCK
9675-0017-02
21
Štěrbinový pin
9595-0182-00
22
Přední AXLE
1111-2526-01
23
Kryt náboje (190) Bílý
1111-3085-03
25
MATICE
9739-0831-22
26
ŠROUB
9955-3732-12
27
PODLOŽKA
9699-0029-02
30
ZÁSLEPKA
9403-0043-70
31
MATICE
9747-0831-02
32
Kroužková matice
9403-0113-00
33
ŠROUB
9898-0835-12
34
Řídítka-spodní část
1111-2962-01
35
Sada šroubů rukojeti (2 ks)
1111-9030-02
36
PODLOŽKA
9699-0025-02
37
ŠROUB
9899-3551-12
38
ZESÍLENÍ
1111-0178-00
39
Oční spojení
1111-3062-01
40
Řídítka-Interm.Part
1111-2961-01
41
DRŽÁK LANKA
1111-2018-01
42
ŠROUB
9836-9216-12
45
Podvozek (červený)
3690-82, 3699-82
1111-3079-02
46
Řídítka-horní část
1111-2960-01
51
ŠROUB
L = 40 mm
9948-0640-16
52
Matice
9747-0631-02
54
Ovládací úchyt
1111-2952-01
55
Kabel, závit motorová brzda
1111-2968-03
56
DRŽÁK LANKA
1111-2969-01
59
KRYTKA KOLA
1111-1180-03
60
Náprava pružinových kol
1111-1138-01
61
KOLO
1111-2665-01
62
KULIČKOVÉ LOŽISKO
1111-9047-01
63
Vnější kroužek
1111-1184-01
99
Sada štítků
Stiga
1111-2893-02