CZ
Váš KOŠÍK
čeká na naplnění

ks
Vysypat košík Objednat
Opravdu
chcete
aby zůstal prázdný?
Ano, vysypat Nechci
Náhradní díly
vše pro vaše stroje
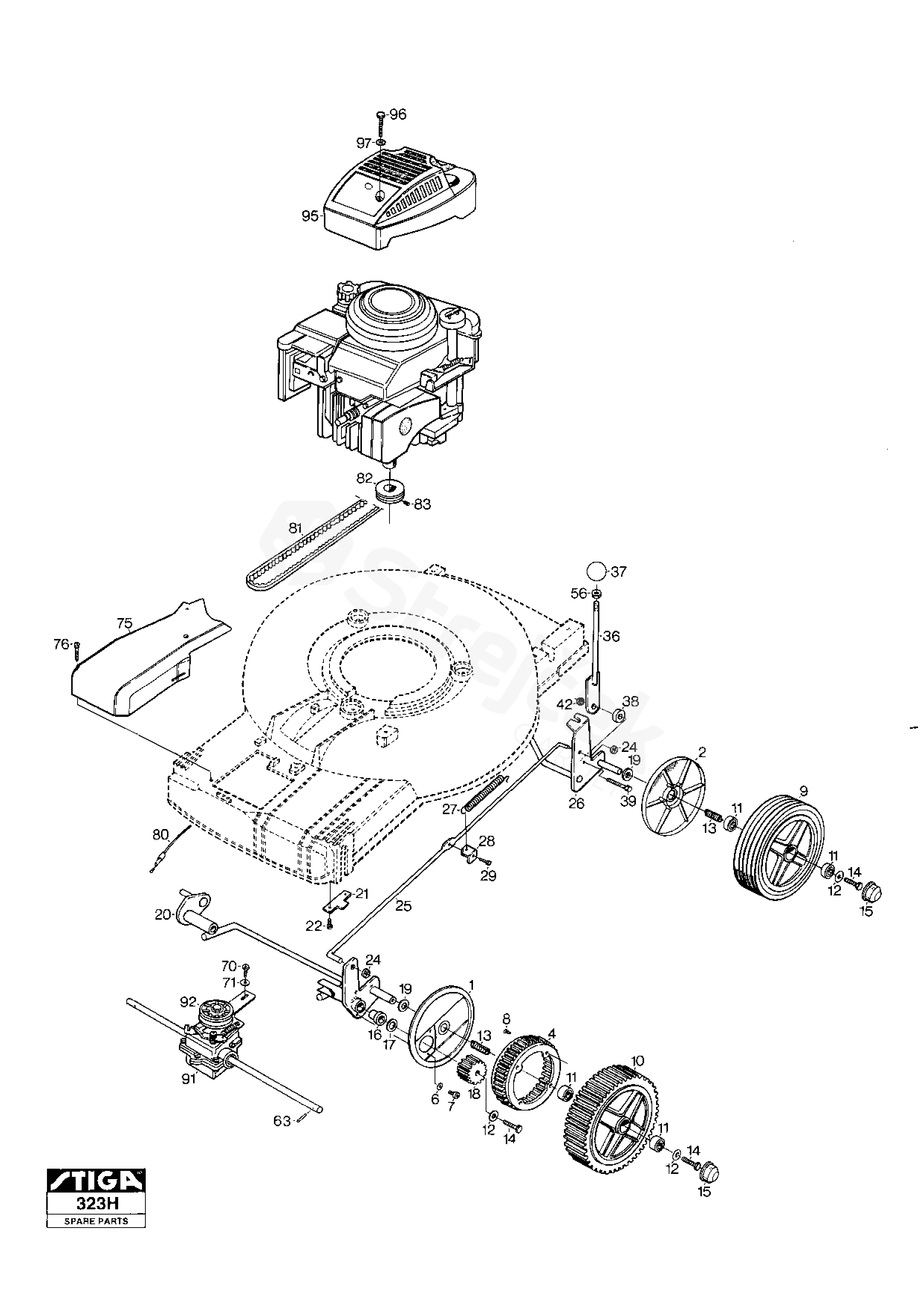
PŘEVODOVKA
MULTICLIP 51 S MULTICLIP 51 S (1999) [11-8790-25]
Najeďte myší na rozkres
kolečko: přiblížení, levé tlačítko: pohyb
Další díly pro MULTICLIP 51 S (1999) [11-8790-25]
1 KRYT 1111-2108-01
2 KRYT 1111-2141-01
4 Ozubený převodový kroužek 1111-2109-01
6 PODLOŽKA 9699-0025-02
7 ŠROUB 9943-0610-16
8 ŠROUB 9841-0410-16
9 ZADNÍ KOLO 1111-2247-01
10 Přední kolo 1111-2248-01
11 KULIČKOVÉ LOŽISKO 9549-0001-00
12 Plochá podložka 9699-0100-02
13 PRUŽINA 1111-3060-01
14 ŠROUB 9943-0612-16
15 KRYT STŘEDU 1111-2077-01
16 LOŽISKO 1111-2337-01
17 PODLOŽKA 9699-0069-02
18 Ozubené kolo (12,0 Mm) 1111-2083-01
19 PODLOŽKA 9699-0037-02
20 Přední AXLE 1111-3087-01
21 SVORKA 1111-2076-01
22 ŠROUB 9943-0612-16
24 Pojistná podložka 9675-0012-02
25 Napínací tyč 1111-2459-01
26 ZADNÍ NÁPRAVA 1111-3080-01
27 PRUŽINA 1111-1842-01
28 Držák 1111-1844-01
29 ŠROUB 9943-0510-16
36 PÁKA 1111-1839-01
37 KONFLÍK 9403-0036-70
38 ROZPĚRKA 1111-1519-02
39 ŠROUB 9997-0830-16
42 MATICE 9739-0831-22
56 MATICE 9799-0831-02
63 KOLÍČEK 1111-2382-01
70 ŠROUB 9943-0516-16
71 Plochá podložka 9699-0100-02
75 KRYT PŘEVODOVKY 1111-3197-01
76 ŠROUB 9943-0530-16
80 Kabel spojky 1111-3245-01
81 Pohon Řemen 1151-0128-16
82 Řemenice motorového Řemenu 1111-2915-01
83 ŠROUB 9910-0612-16
91 PŘEVODOVKA 1111-3252-01
92 Vyhledání pinu
För d:o
9594-0055-00
95 KRYT MOTORU 1111-3186-01
96 ŠROUB 9987-4732-19
97 PODLOŽKA 9699-0099-02