Doručujeme do více než 25 zemí
info@sgarden.cz
Zaměřujeme se zvláště na náhradní díly, stačí kliknout
Přihlášení
/
Registrace
Přihlaste se
E-mail:
Heslo:
Zůstat přihlášen
Přihlásit se
Zapomenuté heslo?
Jsem tu nový:
registrovat
/
Odhlášení
CZ
€
CS
EN
€
Kč
Váš
KOŠÍK
čeká na naplnění
ks
Vysypat košík
Objednat
Opravdu
chcete
aby zůstal prázdný?
Ano, vysypat
Nechci
,
,
Náhradní díly
vše pro vaše stroje
Náhradní díly
>
STIGA
>
Travní sekačky
>
465E VARIOSPEED 465E VARIOSPEED (1989)
>
Sekačky s pěší obsluhou
zpět na
465E VARIOSPEED
465E VARIOSPEED (1989)
Sekačky s pěší obsluhou
465E VARIOSPEED
465E VARIOSPEED (1989)
Najeďte myší na rozkres
kolečko:
přiblížení, levé tlačítko:
pohyb
Další díly
pro
465E VARIOSPEED (1989)
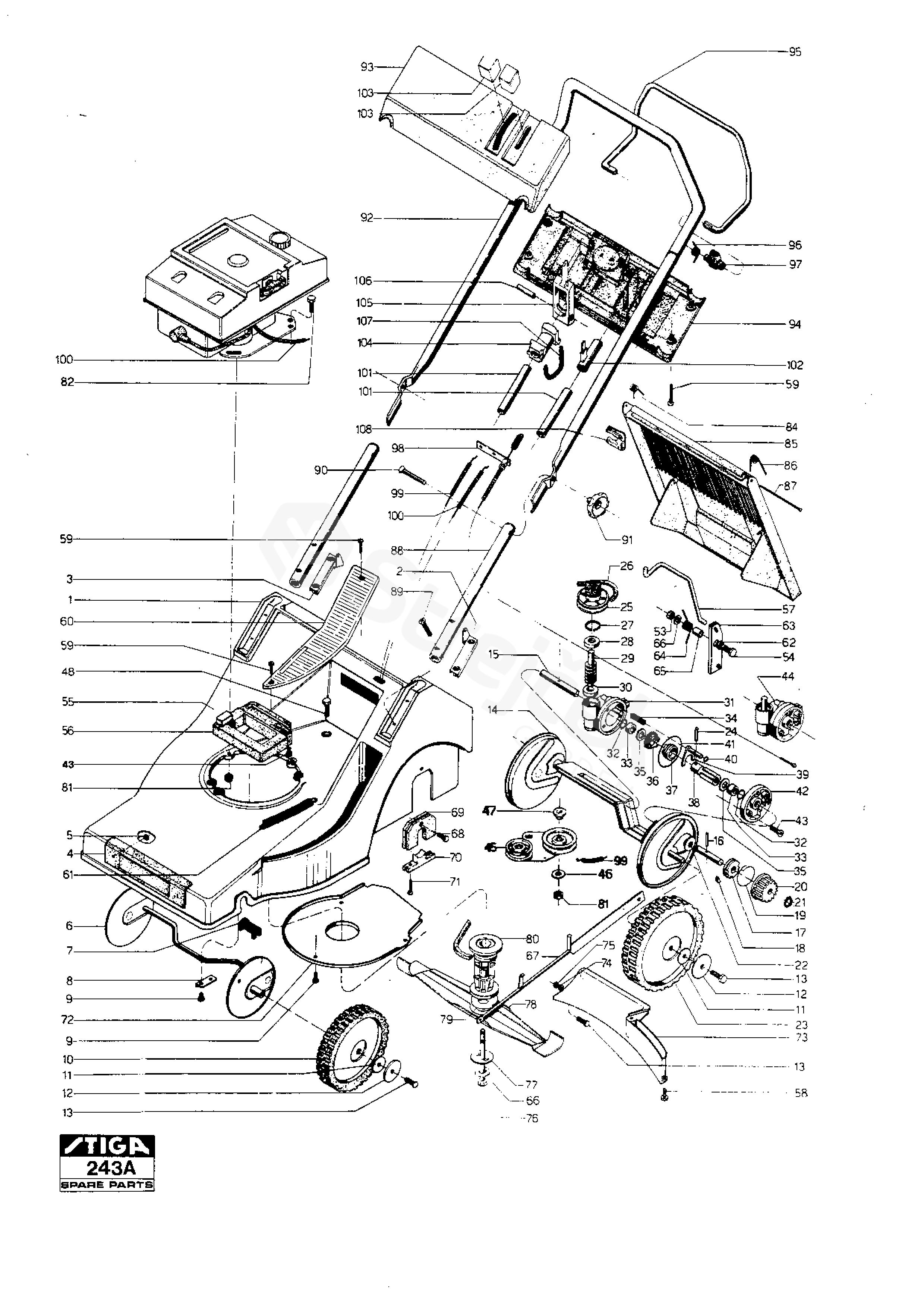
1
Podvozek
1117-0121-01
2
Nástavec klapky-L.H.
1117-0163-01
3
Nástavec klapky-R.H.
1117-0162-01
4
Přední značka
1117-0158-01
5
Pojistná podložka
9675-0012-02
6
Přední náprava kola
1117-0133-01
7
BUSHING
1117-0154-01
8
Svorka vpředu
1117-0182-01
9
ŠROUB
9942-0616-16
10
Přední kolo
1117-0138-01
11
PODLOŽKA
1117-0193-01
12
KRYT STŘEDU
1117-0192-01
13
ŠROUB
9997-0616-16
14
Náprava, Zadní kola
1117-0145-01
15
HŘÍDEL NÁHONU
1117-0147-01
16
KOLÍČEK
1117-0183-01
17
Držák zalapací mise
1117-0123-01
18
ZÁPADKA
1117-0122-01
19
PRUŽINA
1117-0124-01
20
PASTOREK
1117-0125-01
21
LOCK RING
9650-0014-04
22
PODLOŽKA
1117-0130-01
23
ZADNÍ KOLO
1117-0139-01
24
Vyhledání pinu
1117-0110-01
25
Variátor Sestava.
1117-0191-01
26
V-ŘEMEN
1117-0119-01
27
POJISTNÝ KROUŽEK
9650-0018-04
28
LOŽISKO
1117-0112-01
29
WORM
1117-0188-01
30
KULIČKOVÉ LOŽISKO
1117-0111-01
31
Kryt šnekového převodu
1117-0141-01
32
TĚSNĚNÍ
1117-0115-01
33
BUSHING
1117-0148-01
34
PRUŽINA
1117-0170-01
35
PODLOŽKA
1117-0169-01
36
ŠNEKOVÉ KOLO
1117-0201-01
37
ŠNEKOVÉ KOLO
1117-0201-01
38
CLUTCH SLEEVE
1117-0149-01
39
CLUTCH FORK
1117-0168-01
40
TĚSNĚNÍ
1117-0114-01
41
TĚSNĚNÍ
1117-0116-01
42
Kryt
1117-0142-01
43
ŠROUB
1117-0117-01
44
Šnekový převodový stupeň.
1117-0146-01
46
PODLOŽKA
9699-0028-02
47
BUSHING
1117-0197-01
48
ŠROUB
9997-0830-16
53
MATICE
9799-1031-02
54
ŠROUB
9997-1050-16
55
KNOFLÍK
1117-0137-01
56
RUKOJEŤ
1117-0136-01
57
PÁKA
1117-0127-01
58
ŠROUB
9948-0616-16
59
ŠROUB
9847-7922-16
60
Kryt
1117-0135-01
61
PRUŽINA
1117-0180-01
62
ROZPĚRKA
1117-0129-01
63
ZARÁŽKA
1117-0153-01
64
PRUŽINA
1117-0179-01
65
ROZPĚRKA
1117-0129-01
66
PODLOŽKA
9699-0035-02
67
ŘÍDÍCÍ TYČ
1117-0134-01
68
ŠROUB
9843-8022-16
69
BUSHING
1117-0155-01
70
Svorka-zadní
1117-0156-01
71
ŠROUB
9836-9520-12
72
Ochranná deska
1117-0181-01
73
VODÍCÍ DESKA
1117-0126-01
74
PODLOŽKA
9699-0057-02
75
MATICE
9799-0631-02
76
Šroub čepele
1117-0118-01
77
PODLOŽKA
1117-0058-02
78
ČEPEL
1117-0107-01
79
PODLOŽKA
1117-0113-01
80
UNAŠEČ NOŽE
1117-0157-01
81
MATICE
9799-0831-02
82
ŠROUB
9997-0835-12
84
Pružina-R.H.
1117-0151-01
85
KLAPKA
1117-0144-01
86
Pružina-L.H.
1117-0152-01
87
VODÍCÍ ČEP
1117-0150-01
88
Rukojeť Trubka-Nižší
1117-0172-01
89
ŠROUB
9997-0845-12
90
ŠROUB
9898-0855-12
91
Zajišťovací knoflík
1117-0001-01
92
Rukojeť-horní část
1117-0171-01
93
Panel-horní část
1117-0160-01
94
Panel-spodní část
1117-0159-01
95
Rukojeť spojky
1117-0173-01
96
PRUŽINA
1117-0184-01
97
PÁKA SPOJKY
1117-0174-01
98
Kabel spojky
1117-0175-01
99
Variátorový kabel
1117-0199-01
100
GAS CABLE
Tecumseh
1117-0176-01
101
Ovládací trubka
1117-0161-01
102
LANKO PLYNU
1117-0164-01
103
KONFLÍK
1117-0167-01
104
Navaděč ovládacím prvkem
1117-0166-01
105
Řízení variátoru
1117-0165-01
106
TRUBKA
1117-0177-01
107
PRUŽINA
1117-0178-01
108
DRŽÁK LANKA
1117-0074-01