Doručujeme do více než 25 zemí
info@sgarden.cz
Zaměřujeme se zvláště na náhradní díly, stačí kliknout
Přihlášení
/
Registrace
Přihlaste se
E-mail:
Heslo:
Zůstat přihlášen
Přihlásit se
Zapomenuté heslo?
Jsem tu nový:
registrovat
/
Odhlášení
CZ
€
CS
EN
€
Kč
Váš
KOŠÍK
čeká na naplnění
ks
Vysypat košík
Objednat
Opravdu
chcete
aby zůstal prázdný?
Ano, vysypat
Nechci
,
,
Náhradní díly
vše pro vaše stroje
Náhradní díly
>
STIGA
>
Travní sekačky
>
TURBO 48 TURBO 48 (2000)
>
CHASSIS
zpět na
TURBO 48
TURBO 48 (2000)
CHASSIS
TURBO 48
TURBO 48 (2000)
Najeďte myší na rozkres
kolečko:
přiblížení, levé tlačítko:
pohyb
Další díly
pro
TURBO 48 (2000)
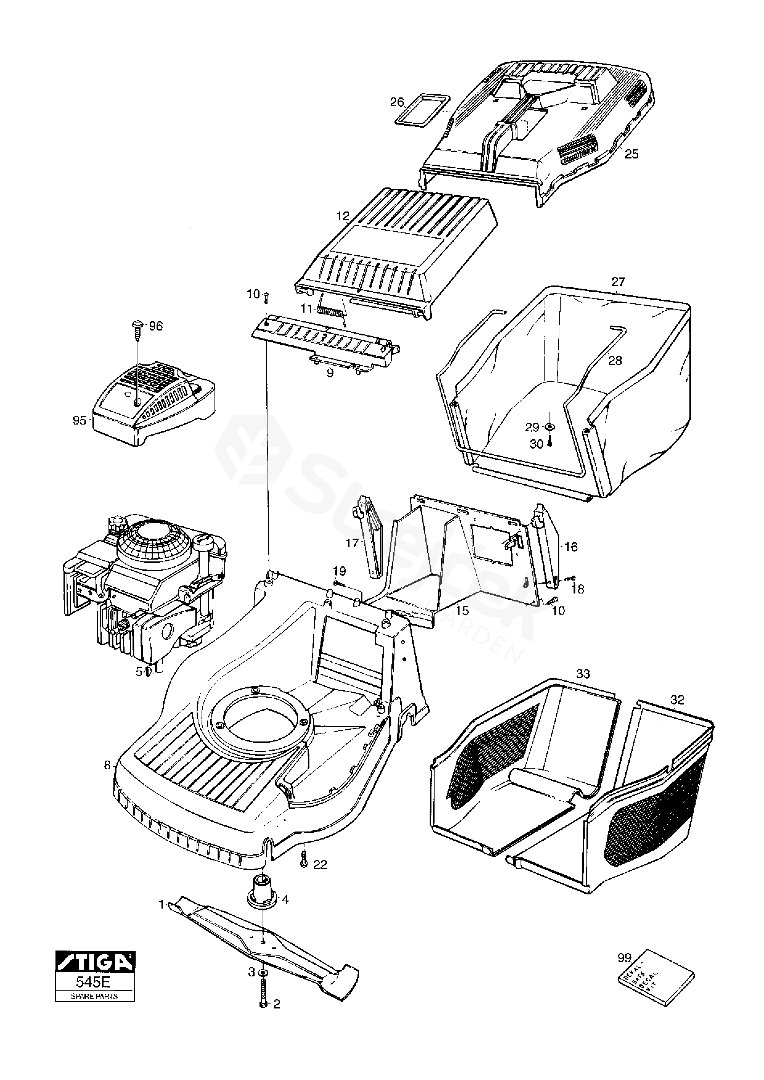
1
ČEPEL
1111-9090-01
2
ŠROUB
9987-5251-12
3
PODLOŽKA
9696-0011-01
4
Náboj čepele
1111-9070-01
5
KLÁVESA
9600-0014-00
8
Podvozek, žlutý
1111-3090-01
9
Nástavec klapky
1111-2793-01
10
ŠROUB
9947-0616-16
11
PRUŽINA
1111-2792-01
12
Kamenná Chránič, Žlutá
1111-3283-01
15
Zadní nástavec
1111-2795-01
16
Nástavec L.H.
1111-3236-01
17
Nástavec R.H.
1111-3237-01
18
ŠROUB
9836-9520-12
19
ŠROUB
9838-9522-12
22
ŠROUB
9955-3732-12
25
Kolektor-horní část (žlutá)
1111-2840-01
26
Kryt
1111-2764-01
32
KOLEKTOR-SPODNÍ ČÁST VLEVO
1111-2841-02
33
KOLEKTOR-SPODNÍ ČÁST VPRAVO
1111-2842-02
99
Sada štítků
Stiga
1111-2893-12