Doručujeme do více než 25 zemí
info@sgarden.cz
Zaměřujeme se zvláště na náhradní díly, stačí kliknout
Přihlášení
/
Registrace
Přihlaste se
E-mail:
Heslo:
Zůstat přihlášen
Přihlásit se
Zapomenuté heslo?
Jsem tu nový:
registrovat
/
Odhlášení
CZ
€
CS
EN
€
Kč
Váš
KOŠÍK
čeká na naplnění
ks
Vysypat košík
Objednat
Opravdu
chcete
aby zůstal prázdný?
Ano, vysypat
Nechci
,
,
Náhradní díly
vše pro vaše stroje
Náhradní díly
>
STIGA
>
Travní sekačky
>
TURBO 510SE TURBO 510SE (1990) [12-7639-55]
>
Odpružení kola (hliníková kola)
zpět na
TURBO 510SE
TURBO 510SE (1990) [12-7639-55]
Odpružení kola (hliníková kola)
TURBO 510SE
TURBO 510SE (1990) [12-7639-55]
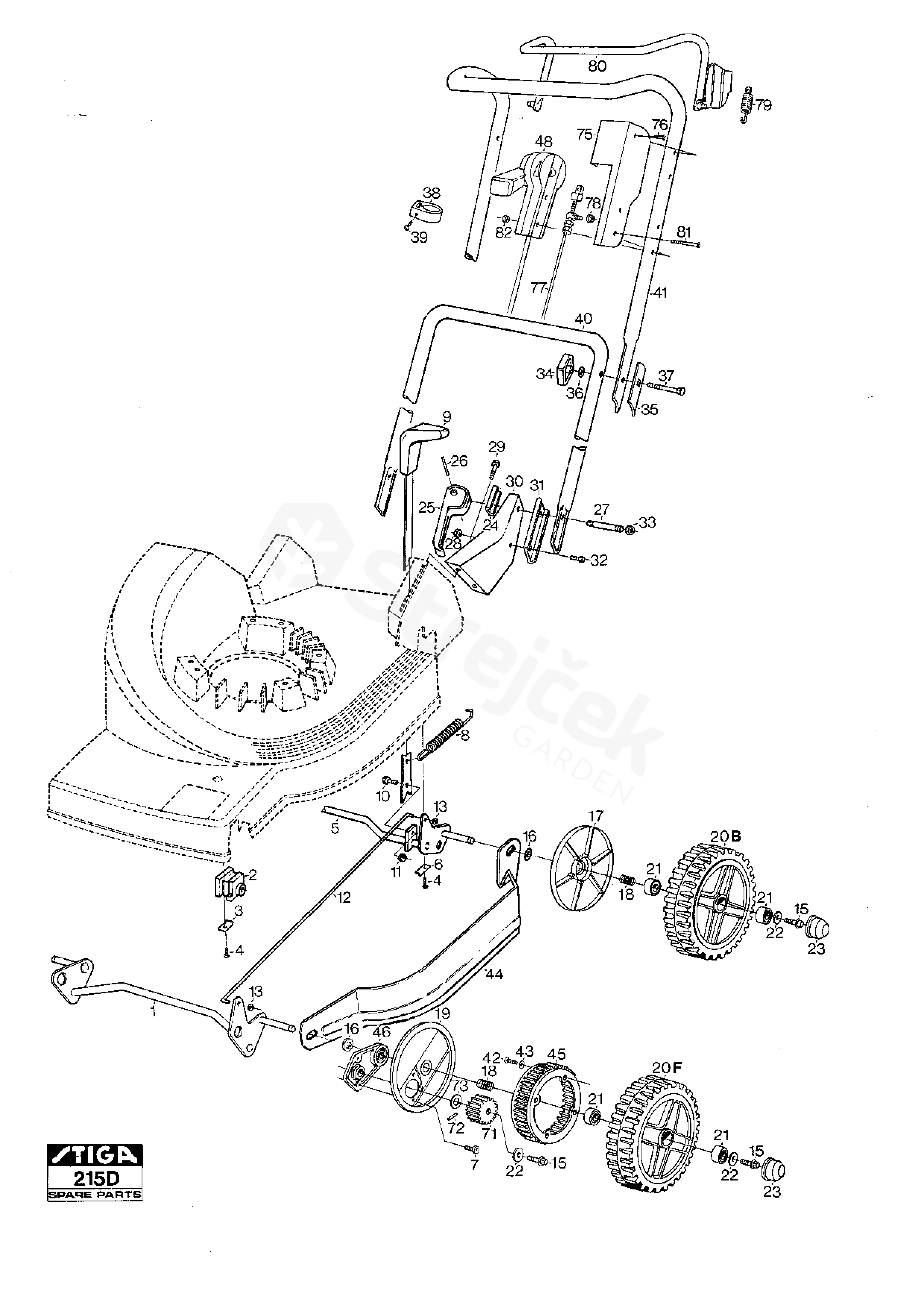
Najeďte myší na rozkres
kolečko:
přiblížení, levé tlačítko:
pohyb
Další díly
pro
TURBO 510SE (1990) [12-7639-55]
1
Přední AXLE
1111-2254-01
2
BUSHING
1111-1067-02
3
Přední svorka
1111-1706-01
4
ŠROUB
9943-0510-16
5
ZADNÍ NÁPRAVA
1111-2343-01
6
Svorka vzadu
1111-1072-01
7
ŠROUB
9947-0616-16
8
PRUŽINA
1111-1074-01
9
PÁKA
1111-1357-02
10
ŠROUB
9997-0612-16
11
MATICE
9739-0631-22
12
Napínací tyč
1111-2264-01
13
STARLOCK
9675-0011-00
16
PODLOŽKA
9699-0037-02
17
KRYT
1111-2141-01
18
PRUŽINA
1111-2183-01
19
KRYT
1111-2108-01
21
KULIČKOVÉ LOŽISKO
9549-0001-00
22
Plochá podložka
9699-0100-02
23
KRYT STŘEDU
1111-2077-01
24
PODLOŽKA
1111-1638-01
25
BLOKOVACÍ RUKOJEŤ
1111-1016-01
26
KOLÍČEK
9595-0235-00
27
Napínací tyč
1111-1087-02
28
MATICE
9739-0831-22
29
ŠROUB
9942-0816-16
30
Rukojeť přílohy
1111-1078-01
31
Seřizovací deska
1111-1019-01
32
ŠROUB
9997-0816-16
33
MATICE
9747-0831-02
34
Sada šroubů rukojeti (2 ks)
1111-9030-02
35
ZESÍLENÍ
1111-0178-00
36
PODLOŽKA
9699-0025-02
37
ŠROUB
9899-3551-12
38
DRŽÁK LANKA
1111-2018-01
39
ŠROUB
9836-9216-12
40
Rukojeť spodní část
1111-1076-01
41
RUKOJEŤ
1111-2003-01
42
ŠROUB
9941-0410-16
43
PODLOŽKA
9699-0002-02
45
Ozubený převodový kroužek
1111-2109-01
46
ROZPĚRKA
1111-2250-01
48
LANKO PLYNU
7339,7538,7639
1111-2367-05
71
PŘEVODOVÉ KOLO
1111-2083-02
72
KOLÍČEK
1111-2382-01
73
PODLOŽKA
1111-1456-01
75
PŘIPEVŇOVACÍ PLECH
1111-2010-01
76
ŠROUB
9849-7909-16
77
OVLÁDACÍ LANKO
1111-1197-03
79
PRUŽINA
1482-0160-01
80
Ovládací úchyt
1111-1998-01
81
ŠROUB
9948-0645-16
82
Matice
9747-0631-02
20B
ZADNÍ KOLO
1111-2345-01
20F
KOLO
1111-2346-01