CZ
Váš KOŠÍK
čeká na naplnění

ks
Vysypat košík Objednat
Opravdu
chcete
aby zůstal prázdný?
Ano, vysypat Nechci
Náhradní díly
vše pro vaše stroje
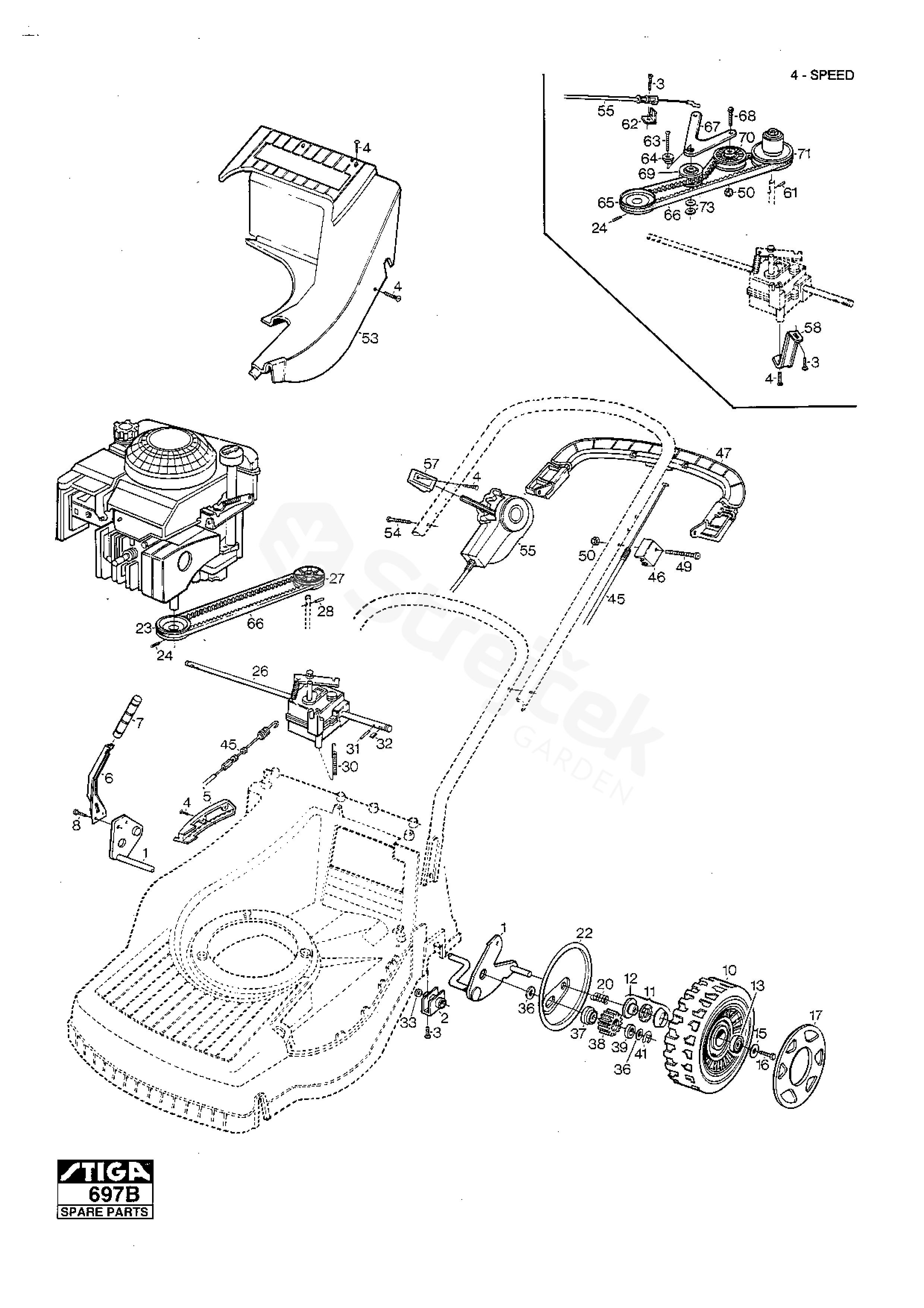
Převodovka Zadní kola
TURBO 55S 4-SP PHONIX TURBO 55S 4-SP PHONIX (1998)
Najeďte myší na rozkres
kolečko: přiblížení, levé tlačítko: pohyb
Další díly pro TURBO 55S 4-SP PHONIX (1998)
1 ZADNÍ NÁPRAVA 1111-2808-01
2 BUSHING 1111-2814-01
3 ŠROUB 9947-0616-16
4 ŠROUB 9838-9522-12
5 Deska pro nastavení výšky 1111-2798-01
6 Páka, nastavení výšky 1111-2816-01
7 Pákový knoflík 1111-2817-01
10 KOLO 1111-3026-01
11 KULIČKOVÉ LOŽISKO 1111-9047-01
12 Vnější kroužek 1111-1184-01
13 KULIČKOVÉ LOŽISKO 9549-0001-00
15 Plochá podložka 9699-0100-02
16 ŠROUB 9943-0612-16
17 Kryt náboje (215) Modrý 1111-3086-05
20 PRUŽINA 1111-3060-01
22 KRYT 1111-2561-01
24 ŠROUB 9910-0612-16
26 PŘEVODOVKA 1111-3046-01
30 Napínací pružina 1111-2822-01
31 KOLÍČEK 1111-2382-01
32 Hnací klíč Es 46 Tr 1111-2827-01
33 Těsnicí kroužek 9404-0083-00
36 PODLOŽKA 9695-0013-00
37 PODLOŽKA 1111-2829-01
38 PŘEVODOVÉ KOLO 1111-3075-01
39 PODLOŽKA 1111-2830-01
41 POJISTNÝ KROUŽEK 9652-0010-04
45 Kabel spojky 1111-2967-01
46 DRŽÁK LANKA 1111-2969-01
47 PÁKA SPOJKY 1111-2954-01
49 ŠROUB
L = 40 mm
9948-0640-16
50 Matice 9747-0631-02
53 Obal (šedý) 1111-3019-06
54 ŠROUB 9838-9540-12
55 Řízení variátoru 1111-2971-03
57 KONFLÍK 1111-2941-01
58 DRŽÁK 1111-3050-01
61 Vyhledání pinu 9594-0026-00
62 PŘÍDAVNÉ ZAŘÍZENÍ 1111-2469-01
63 ŠROUB 9943-0650-16
64 ROZPĚRKA 1111-2423-01
65 Řemenici řemene 1111-2433-01
66 V-ŘEMEN 1111-9064-01
67 Tažné rameno 1111-3051-01
68 ŠROUB 9997-0630-12
69 NAPÍNACÍ VÁLEČEK 1111-2747-01
70 Řemenici řemene 1111-2746-01
71 Variátor Sestava 1111-3001-01
73 PODLOŽKA 9699-0060-02