Doručujeme do více než 25 zemí
info@sgarden.cz
Zaměřujeme se zvláště na náhradní díly, stačí kliknout
Přihlášení
/
Registrace
Přihlaste se
E-mail:
Heslo:
Zůstat přihlášen
Přihlásit se
Zapomenuté heslo?
Jsem tu nový:
registrovat
/
Odhlášení
CZ
€
CS
EN
€
Kč
Váš
KOŠÍK
čeká na naplnění
ks
Vysypat košík
Objednat
Opravdu
chcete
aby zůstal prázdný?
Ano, vysypat
Nechci
,
,
Náhradní díly
vše pro vaše stroje
Náhradní díly
>
STIGA
>
Travní sekačky
>
TURBO 55SE TURBO 55SE (2000)
>
PŘEVODY
zpět na
TURBO 55SE
TURBO 55SE (2000)
PŘEVODY
TURBO 55SE
TURBO 55SE (2000)
Najeďte myší na rozkres
kolečko:
přiblížení, levé tlačítko:
pohyb
Další díly
pro
TURBO 55SE (2000)
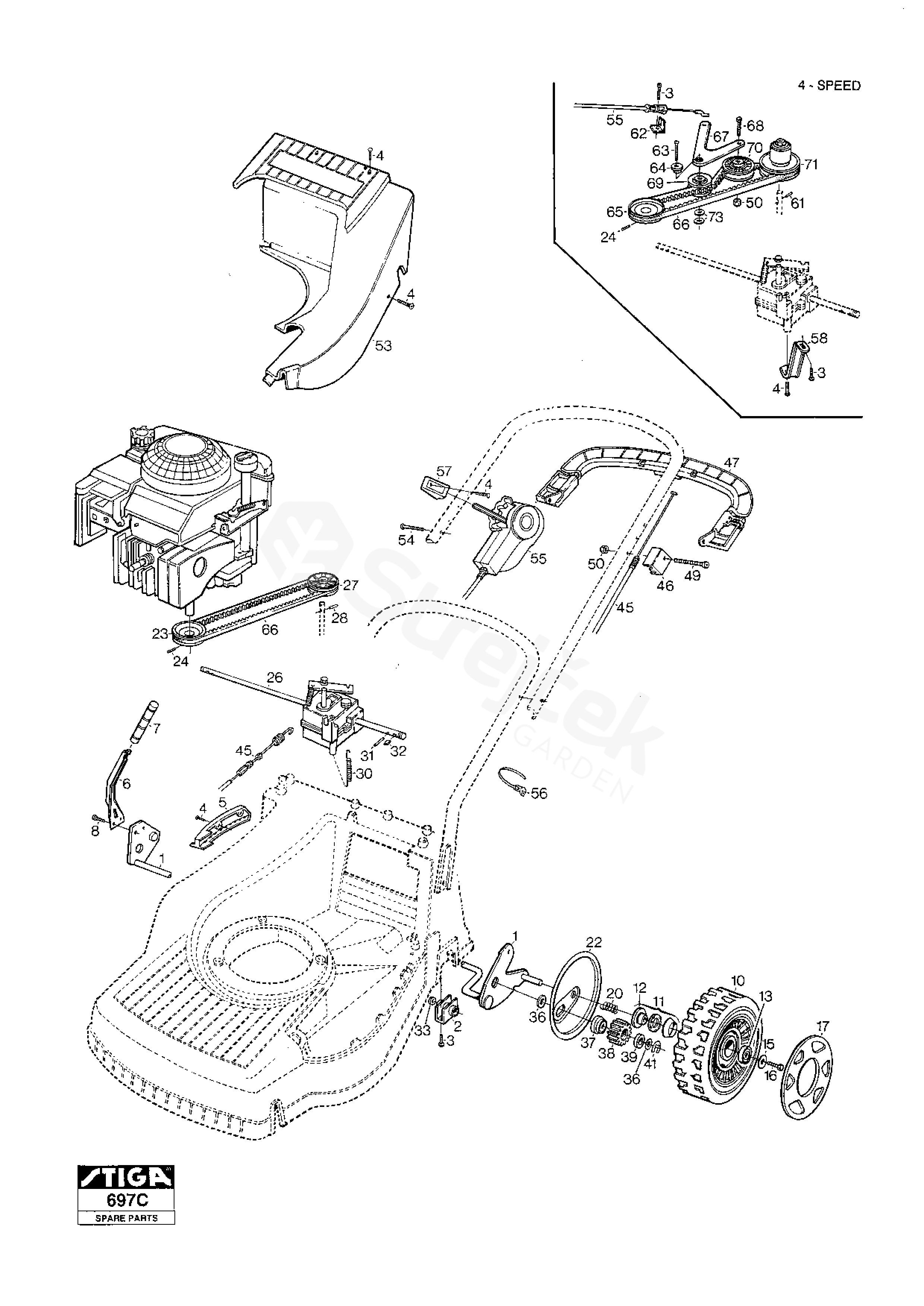
1
ZADNÍ NÁPRAVA
1111-2808-01
2
BUSHING
1111-2814-01
3
ŠROUB
9947-0616-16
4
ŠROUB
9838-9522-12
5
Deska pro nastavení výšky
1111-2798-01
6
Páka, nastavení výšky
1111-2816-01
7
Pákový knoflík
1111-2817-01
10
KOLO
1111-3026-01
11
KULIČKOVÉ LOŽISKO
1111-9047-01
12
Vnější kroužek
1111-1184-01
13
KULIČKOVÉ LOŽISKO
9549-0001-00
15
Plochá podložka
9699-0100-02
16
ŠROUB
9943-0612-16
17
Kryt náboje (215) Žlutá
1111-3086-01
20
PRUŽINA
1111-3060-01
22
KRYT
1111-2561-01
23
Řemenice motorového Řemenu
1111-2915-01
24
ŠROUB
9910-0612-16
26
PŘEVODOVKA
1111-3046-01
27
Řemenici (Od=60 Mm)
1111-3047-01
28
KOLÍČEK
9595-0235-00
30
Napínací pružina
1111-2822-01
31
KOLÍČEK
1111-2382-01
32
KLÁVESA
1111-3256-01
33
Těsnicí kroužek
9404-0083-00
36
PODLOŽKA
9695-0013-00
37
PODLOŽKA
1111-2829-01
38
PŘEVODOVÉ KOLO
1111-3075-01
39
PODLOŽKA
1111-2830-01
41
POJISTNÝ KROUŽEK
9652-0010-04
45
Kabel spojky
1111-2967-01
46
DRŽÁK LANKA
1111-2969-01
47
PÁKA SPOJKY
1111-2954-01
49
ŠROUB
9689-65
9948-0660-16
50
Matice
9747-0631-02
53
Kryt (zelený)
9689-65
1111-3019-08
66
V-ŘEMEN
1111-9064-01