CZ
Váš KOŠÍK
čeká na naplnění

ks
Vysypat košík Objednat
Opravdu
chcete
aby zůstal prázdný?
Ano, vysypat Nechci
Náhradní díly
vše pro vaše stroje
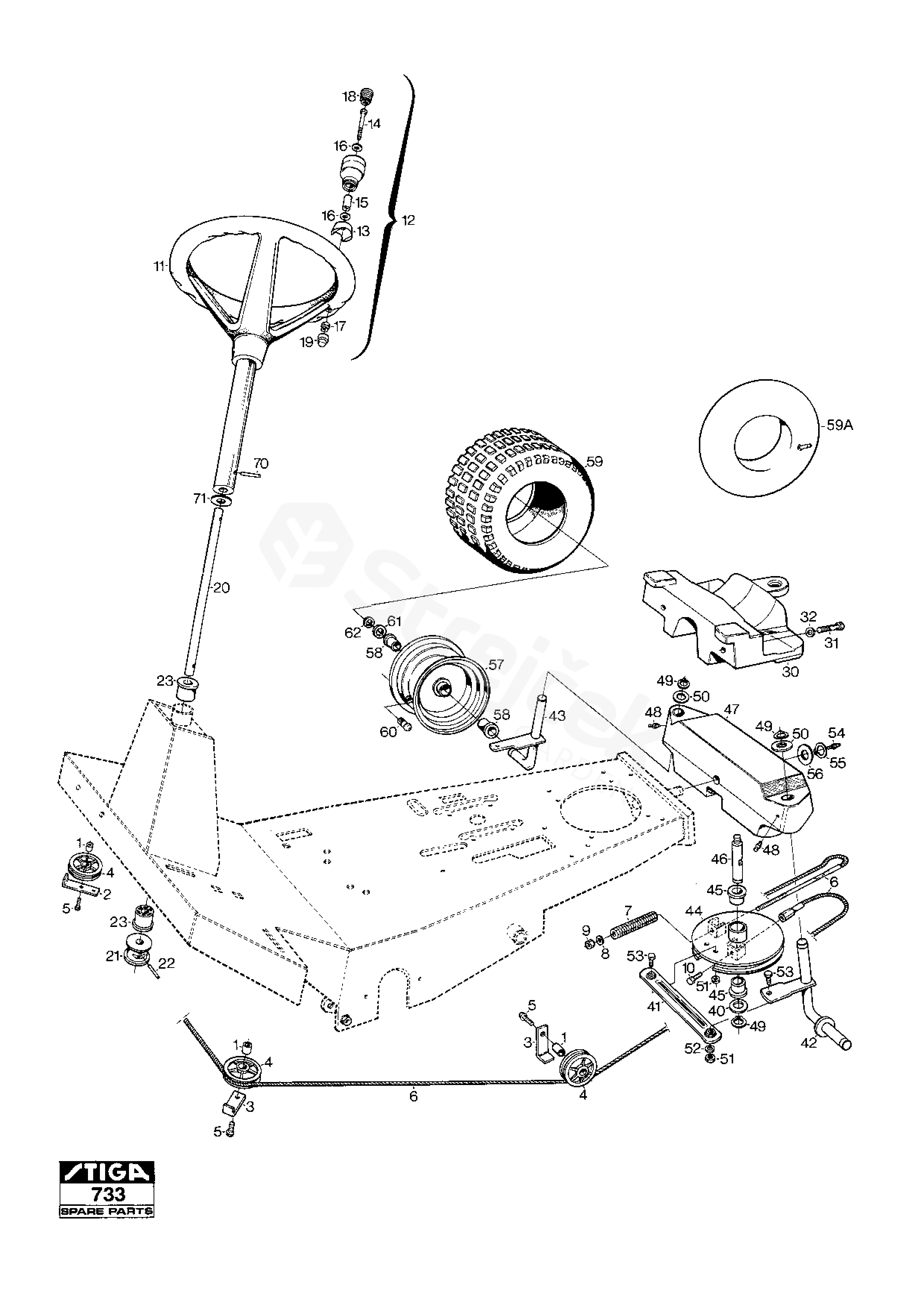
ŘÍZENÍ
VILLA 9E VILLA 9E (1997)
Najeďte myší na rozkres
kolečko: přiblížení, levé tlačítko: pohyb
Další díly pro VILLA 9E (1997)
1 BUSHING 1134-0041-01
2 DRŽÁK 1134-3022-01
3 DRŽÁK 1134-3022-01
4 Řemenice řízení
Sats 2 st/kit 2
1134-9025-01
5 ŠROUB 9942-1030-16
6 Kormidelní drát 1134-9023-01
7 PRUŽINA 1134-1310-01
8 PODLOŽKA 9699-0090-02
9 MATICE 9747-0831-02
10 ŠROUB 9959-0816-16
11 VOLANT 1134-2390-01
20 TÁHLO ŘÍZENÍ 1134-1424-01
21 Řemenice řízení 1134-1933-01
22 Vyhledání pinu 9595-0262-00
23 LOŽISKO 1134-1901-01
40 PODLOŽKA 1134-0341-01
41 ŘÍDÍCÍ TYČ 1134-3247-02
42 Vřeteno Lh 1134-1428-01
43 Vřeteno Rh 1134-1428-02
44 Řemenice řízení 1134-1500-02
45 LOŽISKO
Sats 4 st/kit 4
1134-9024-01
46 Hřídel pro řemenici řízení 1134-1583-01
47 ZADNÍ NÁPRAVA 1134-1634-01
48 Dávkovač tuků 9501-0500-00
49 POJISTNÝ KROUŽEK 9650-0020-04
50 PODLOŽKA 9699-0088-02
51 MATICE 9747-0831-02
52 PODLOŽKA 9699-0028-02
53 ŠROUB 9997-0825-16
54 Dávkovač tuků 9501-0500-00
55 POJISTNÝ KROUŽEK 9650-0020-04
56 PODLOŽKA 9699-0088-02
57 RÁFEK KOMPL. 1134-2669-01
58 BUSHING 137038009/0
59 PNEUMATIKA
13 x 5,00 - 6
9545-0117-00
60 Ventil Sestava. 9545-0500-00
61 PODLOŽKA 1134-0341-01
62 POJISTNÝ KROUŽEK 9650-0020-04
70 Vyhledání pinu 9595-0262-00
71 PODLOŽKA
1,0 mm
9699-0114-02