Doručujeme do více než 25 zemí
info@sgarden.cz
Zaměřujeme se zvláště na náhradní díly, stačí kliknout
Přihlášení
/
Registrace
Přihlaste se
E-mail:
Heslo:
Zůstat přihlášen
Přihlásit se
Zapomenuté heslo?
Jsem tu nový:
registrovat
/
Odhlášení
CZ
€
CS
EN
€
Kč
Váš
KOŠÍK
čeká na naplnění
ks
Vysypat košík
Objednat
Opravdu
chcete
aby zůstal prázdný?
Ano, vysypat
Nechci
,
,
Náhradní díly
vše pro vaše stroje
Náhradní díly
>
STIGA
>
Ridery
>
VILLA 11E VILLA 11E (1997) [13-2842-21]
>
ŘÍZENÍ
zpět na
VILLA 11E
VILLA 11E (1997) [13-2842-21]
ŘÍZENÍ
VILLA 11E
VILLA 11E (1997) [13-2842-21]
Najeďte myší na rozkres
kolečko:
přiblížení, levé tlačítko:
pohyb
Další díly
pro
VILLA 11E (1997) [13-2842-21]
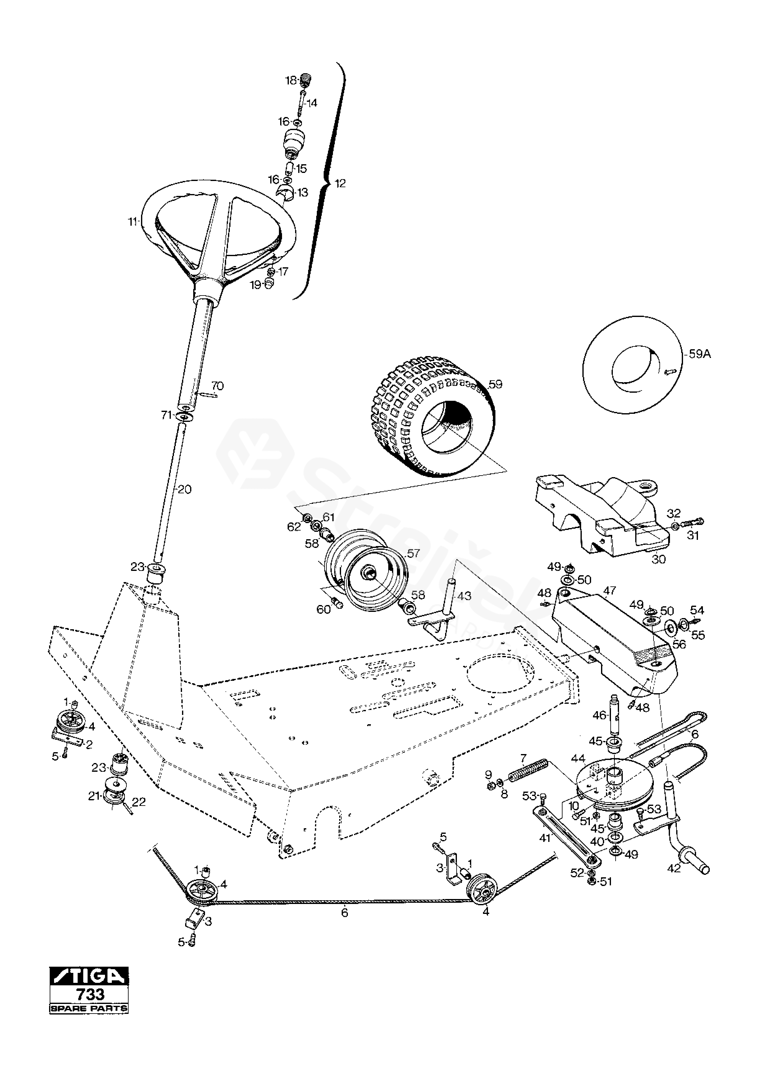
1
BUSHING
1134-0041-01
2
DRŽÁK
1134-3022-01
4
Řemenice řízení
Sats 2 st/kit 2
1134-9025-01
5
ŠROUB
9942-1030-16
6
Kormidelní drát
1134-9023-01
7
PRUŽINA
1134-1310-01
8
PODLOŽKA
9699-0090-02
10
ŠROUB
9959-0816-16
11
VOLANT
1134-2390-01
20
TÁHLO ŘÍZENÍ
1134-1424-01
21
Řemenice řízení
1134-1933-01
22
Vyhledání pinu
9595-0262-00
23
LOŽISKO
1134-1901-01
30
Zadní hmotnost (bez náhradních
Spojené státy americké, Canada
1134-3538-01
31
ŠROUB
9997-1080-12
32
PODLOŽKA
9699-0035-02
40
PODLOŽKA
1134-0341-01
41
ŘÍDÍCÍ TYČ
1134-3247-02
42
Vřeteno Lh
1134-1428-01
43
Vřeteno Rh
1134-1428-02
44
Řemenice řízení
1134-1500-02
45
LOŽISKO
Sats 4 st/kit 4
1134-9024-01
46
Hřídel pro řemenici řízení
1134-1583-01
47
ZADNÍ NÁPRAVA
1134-1634-01
48
Dávkovač tuků
9501-0500-00
49
POJISTNÝ KROUŽEK
9650-0020-04
50
PODLOŽKA
9699-0088-02
51
MATICE
9747-0831-02
52
PODLOŽKA
9699-0028-02
53
ŠROUB
9997-0825-16
57
RÁFEK KOMPL.
1134-2669-01
58
BUSHING
137038009/0
59
PNEUMATIKA
13 x 5,00 - 6
9545-0117-00
60
Ventil Sestava.
9545-0500-00
71
PODLOŽKA
0,5 mm
9699-0103-02