Doručujeme do více než 25 zemí
info@sgarden.cz
Zaměřujeme se zvláště na náhradní díly, stačí kliknout
Přihlášení
/
Registrace
Přihlaste se
E-mail:
Heslo:
Zůstat přihlášen
Přihlásit se
Zapomenuté heslo?
Jsem tu nový:
registrovat
/
Odhlášení
CZ
€
CS
EN
€
Kč
Váš
KOŠÍK
čeká na naplnění
ks
Vysypat košík
Objednat
Opravdu
chcete
aby zůstal prázdný?
Ano, vysypat
Nechci
,
,
Náhradní díly
vše pro vaše stroje
Náhradní díly
>
STIGA
>
Ridery
>
Park 220 Park 220 (2016)
>
Pto
zpět na
Park 220
Park 220 (2016)
Pto
Park 220
Park 220 (2016)
Najeďte myší na rozkres
kolečko:
přiblížení, levé tlačítko:
pohyb
Další díly
pro
Park 220 (2016)
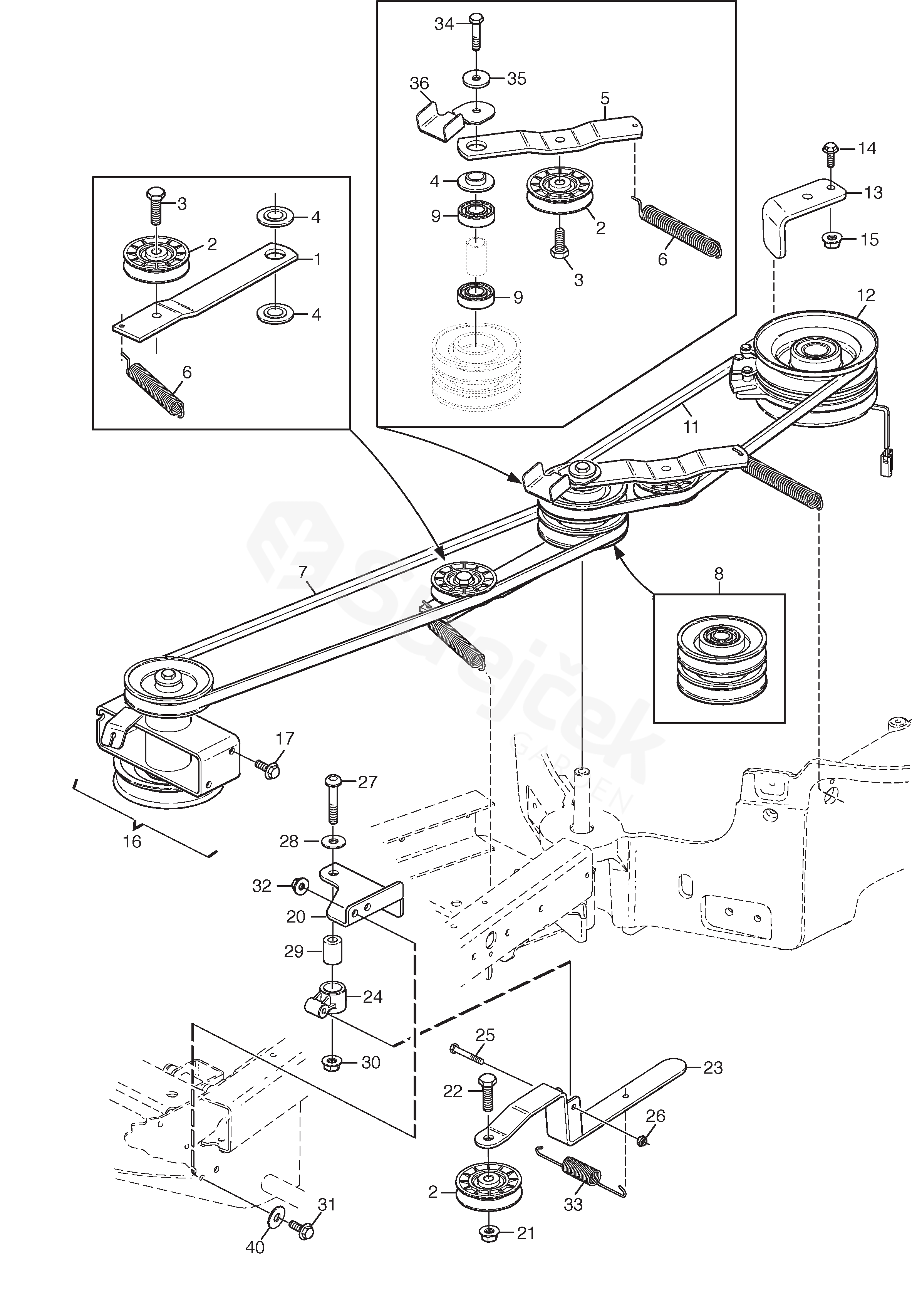
1
PÁKA
1137-0791-01
2
Napínací válec (šedý)
1134-2989-02
3
ŠROUB
9959-1025-16
4
ROZPĚRKA
1134-5548-01
5
PÁKA
1137-0918-01
6
PRUŽINA
1134-5824-01
7
ŘEMEN
1134-9167-01
8
Řemenici řemene
1137-0717-01
11
ŘEMEN
1134-9172-01
12
Magnetspojka
1137-0863-01
13
DRŽÁK
1137-0754-01
14
ŠROUB
9959-0820-16
15
MATICE
112154220/0
16
Řemenici řemene
1137-0741-01
17
ŠROUB
9945-0816-16
20
DRŽÁK
387773515/0
21
MATICE
9739-1031-22
22
ŠROUB
112794400/0
23
PÁKA
387318257/0
24
Upevňovací rameno
1134-6314-01
25
ŠROUB
112689500/0
26
MATICE
112154510/0
27
ŠROUB
9930-1050-12
28
PODLOŽKA
9699-0035-02
29
ROZPĚRKA
1134-4619-01
30
MATICE
9739-1031-22
31
ŠROUB
9959-0820-16
32
MATICE
112154220/0
33
PRUŽINA
1137-1029-01
34
ŠROUB
1134-7829-01
35
PODLOŽKA
1134-5127-01
36
DRŽÁK
1137-0800-01
40
PODLOŽKA
112521350/0