Doručujeme do více než 25 zemí
info@sgarden.cz
Zaměřujeme se zvláště na náhradní díly, stačí kliknout
Přihlášení
/
Registrace
Přihlaste se
E-mail:
Heslo:
Zůstat přihlášen
Přihlásit se
Zapomenuté heslo?
Jsem tu nový:
registrovat
/
Odhlášení
CZ
€
CS
EN
€
Kč
Váš
KOŠÍK
čeká na naplnění
ks
Vysypat košík
Objednat
Opravdu
chcete
aby zůstal prázdný?
Ano, vysypat
Nechci
,
,
Náhradní díly
vše pro vaše stroje
Náhradní díly
>
STIGA
>
Ridery
>
PARK 12HST PARK 12HST (1991) [13-1318-13]
>
RÁM
zpět na
PARK 12HST
PARK 12HST (1991) [13-1318-13]
RÁM
PARK 12HST
PARK 12HST (1991) [13-1318-13]
Najeďte myší na rozkres
kolečko:
přiblížení, levé tlačítko:
pohyb
Další díly
pro
PARK 12HST (1991) [13-1318-13]
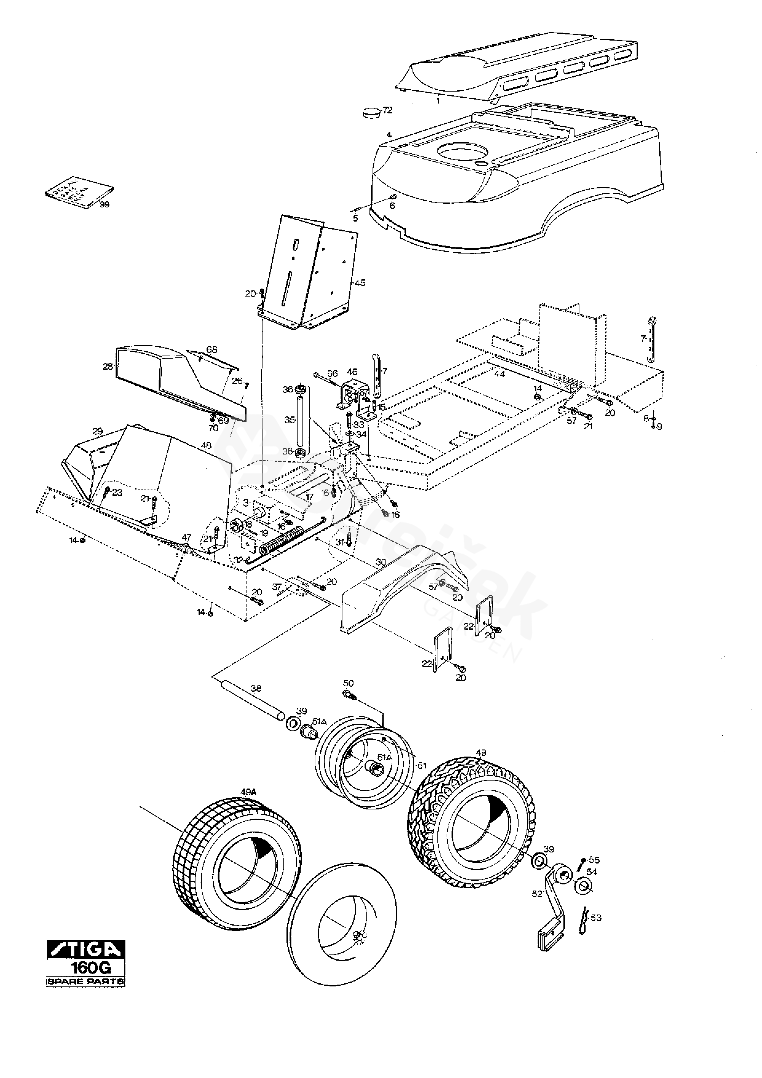
1
Kryt motoru (černý)
1134-2215-01
3
Přední rám
1134-3411-03
4
KAPOTA MOTORU
1134-3215-01
5
POP RIVET
9632-0516-00
6
KONFLÍK
9405-0029-00
7
Gumový Řemen (3 ks)
1134-9028-01
8
PODLOŽKA
9699-0087-02
14
MATICE
9739-0831-22
15
ŠROUB
9942-0612-16
16
Dávkovač tuků
9501-0500-00
17
CLEVIS
1134-1757-07
18
Otočný doraz hřídele
1134-0031-00
19
Vyhledání pinu
9595-0262-00
20
ŠROUB
9942-0816-16
21
ŠROUB
9959-0816-16
22
OPĚRNÝ PLECH
1134-0225-00
23
ŠROUB
9959-0820-16
26
ŠROUB
9849-8013-16
28
DESKA
1134-2865-02
29
Blatník,Rh (Žlutá)
1134-2174-02
30
Blatník,Lh (Žlutá)
1134-2174-01
31
ŠROUB
9959-1025-16
32
PRUŽINA
1134-2171-01
33
ŠROUB
9959-1020-16
34
PODLOŽKA
9699-0035-02
35
Středová hřídel
1134-0057-00
36
LOŽISKO
9547-0001-00
37
Vyhledání pinu
9595-0258-00
38
Přední AXLE
1134-0075-01
39
PODLOŽKA
1134-0341-01
45
Držák sedadla -žlutá
1134-3252-02
46
Podpora krytu motoru
1134-2951-01
47
Podlahová rohož
1134-3546-01
48
Přední trim deska
1134-2833-05
49
PNEUMATIKA
9545-0103-00
50
Ventil Sestava.
9545-0500-00
51
RÁFEK KOMPL.
1134-2888-01
52
1134-3710-01+9599-0080-02
1134-1183-04
53
ČEP PRUŽINY
9598-0003-02
54
PODLOŽKA
9699-0042-02
55
ZÁVLAČKA
9599-0085-02
57
PODLOŽKA
9699-0056-02
66
ŠROUB
9997-0670-12
67
Matice
9747-0631-02
68
Instrument Panel
1134-2864-01
69
PODLOŽKA
9699-0062-02
70
MATICE
9739-0631-22
99
Sada štítků
1134-3558-01
49A
PNEUMATIKA
9545-0116-00
51A
KULIČKOVÉ LOŽISKO
9549-0036-00