CZ
Váš KOŠÍK
čeká na naplnění

ks
Vysypat košík Objednat
Opravdu
chcete
aby zůstal prázdný?
Ano, vysypat Nechci
Náhradní díly
vše pro vaše stroje
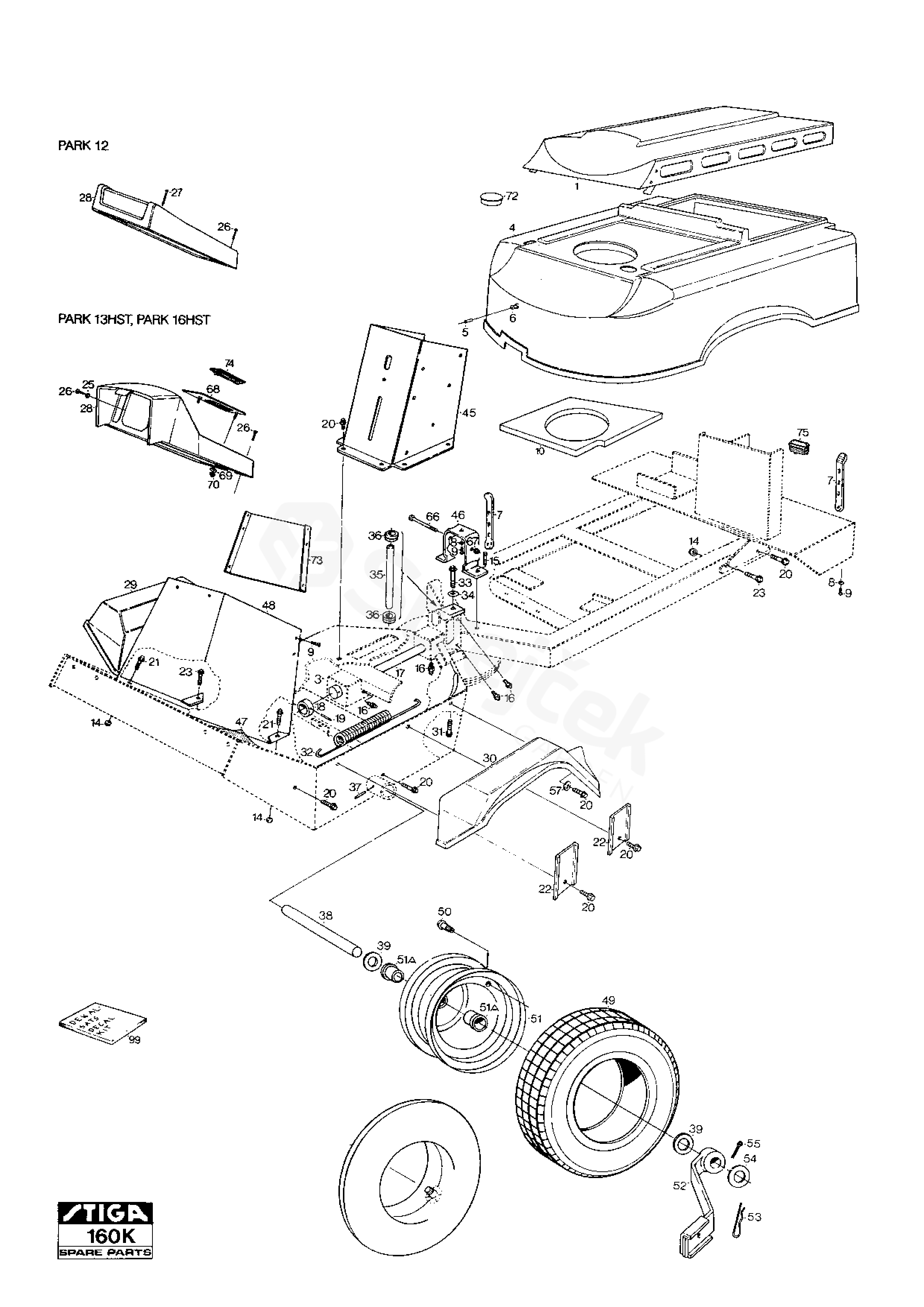
RÁM
PARK 13HST PARK 13HST (1995) [13-1443-18]
Najeďte myší na rozkres
kolečko: přiblížení, levé tlačítko: pohyb
Další díly pro PARK 13HST (1995) [13-1443-18]
1 Kryt motoru (černý) 1134-2215-01
3 Přední rám 1134-3411-03
4 KAPOTA MOTORU 1134-3215-01
5 POP RIVET 9632-0516-00
6 KONFLÍK 9405-0029-00
7 Gumový Řemen (3 ks) 1134-9028-01
8 PODLOŽKA 9699-0087-02
10 Pěnová podložka
15 mm
1134-2053-01
14 MATICE 9739-0831-22
15 ŠROUB 9942-0612-16
16 Dávkovač tuků 9501-0500-00
17 CLEVIS 1134-1757-07
18 Otočný doraz hřídele 1134-0031-00
19 Vyhledání pinu 9595-0262-00
20 ŠROUB 9942-0816-16
21 ŠROUB
16 MM
9959-0816-16
22 OPĚRNÝ PLECH 1134-0225-00
23 ŠROUB
20 MM
9959-0820-16
25 PODLOŽKA 9699-0099-02
26 ŠROUB
13 mm
9849-8013-16
28 PANEL 1134-3371-01
29 Blatník,Rh (Žlutá) 1134-2174-02
30 Blatník,Lh (Žlutá) 1134-2174-01
31 ŠROUB 9959-1025-16
32 PRUŽINA 1134-2171-01
33 ŠROUB 9959-1020-16
34 PODLOŽKA 9699-0035-02
35 Středová hřídel 1134-0057-00
36 LOŽISKO 9547-0001-00
37 Vyhledání pinu 9595-0258-00
38 Přední AXLE 1134-0075-01
39 PODLOŽKA 1134-0341-01
45 Držák sedadla -žlutá 1134-3252-02
46 Podpora krytu motoru 1134-2951-01
47 Podlahová rohož 1134-3546-01
48 Přední trim deska 1134-2833-10
49 PNEUMATIKA
16 x 7,50-8 (Trelleb)
9545-0120-00
50 Ventil Sestava. 9545-0500-00
51 RÁFEK KOMPL. 1134-2668-01
52 1134-3710-01+9599-0080-02 1134-1183-04
53 ČEP PRUŽINY 9598-0003-02
54 PODLOŽKA 9699-0042-02
55 COTTER PIN 9599-0080-02
57 PODLOŽKA 9699-0056-02
66 ŠROUB 9997-0670-12
67 Matice 9747-0631-02
68 Instrument Panel 1134-2864-01
69 PODLOŽKA 9699-0060-02
70 MATICE 9739-0631-22
74 Kryt 1134-3330-01
75 Plastová zátka
Č.p.1441,42,43
1134-3540-01
99 Sada štítků 1134-3558-01
51A BUSHING 137038009/0