Doručujeme do více než 25 zemí
info@sgarden.cz
Zaměřujeme se zvláště na náhradní díly, stačí kliknout
Přihlášení
/
Registrace
Přihlaste se
E-mail:
Heslo:
Zůstat přihlášen
Přihlásit se
Zapomenuté heslo?
Jsem tu nový:
registrovat
/
Odhlášení
CZ
€
CS
EN
€
Kč
Váš
KOŠÍK
čeká na naplnění
ks
Vysypat košík
Objednat
Opravdu
chcete
aby zůstal prázdný?
Ano, vysypat
Nechci
,
,
Náhradní díly
vše pro vaše stroje
Náhradní díly
>
STIGA
>
Ridery
>
PARK 16HST PARK 16HST (1992) [13-1418-14]
>
PŘEVODY
zpět na
PARK 16HST
PARK 16HST (1992) [13-1418-14]
PŘEVODY
PARK 16HST
PARK 16HST (1992) [13-1418-14]
Najeďte myší na rozkres
kolečko:
přiblížení, levé tlačítko:
pohyb
Další díly
pro
PARK 16HST (1992) [13-1418-14]
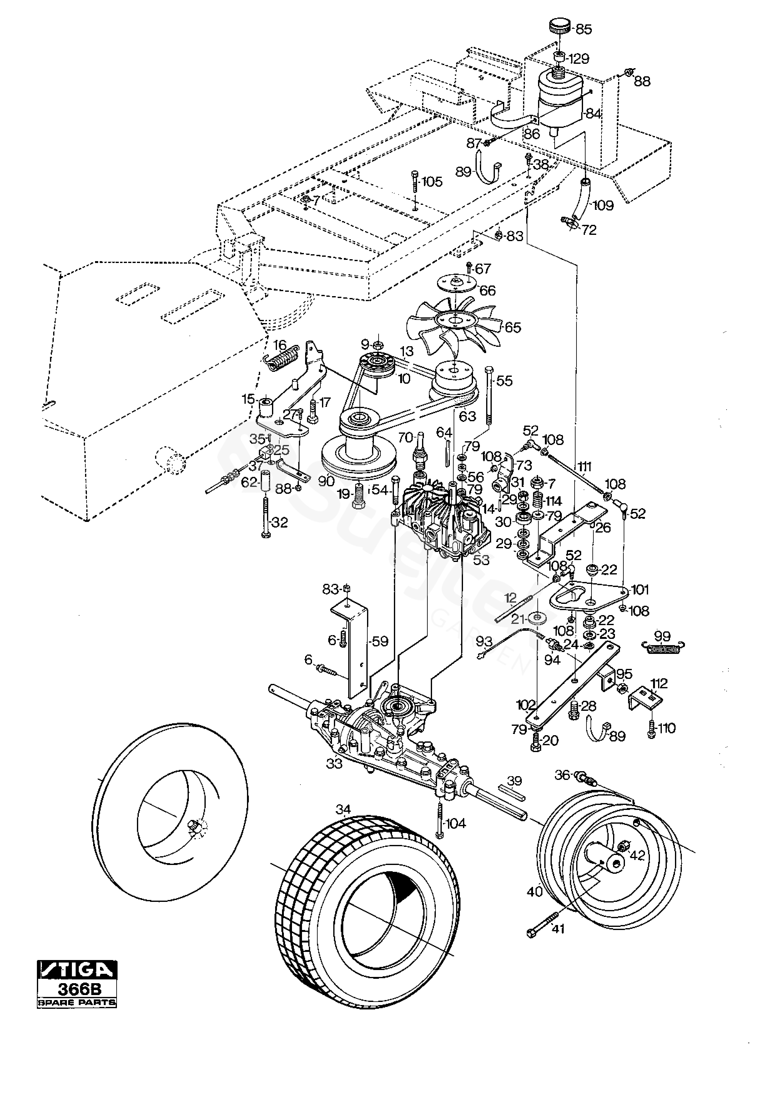
6
ŠROUB
9959-0820-16
7
MATICE
9739-0831-22
10
Napínací válec (černý)
1134-9027-01
12
Drát pro regulaci otáček
1134-2766-01
13
V-ŘEMEN
1134-9029-01
14
KOLÍČEK
9595-0235-00
15
Tažné rameno
1134-2015-03
16
PRUŽINA
1134-0645-00
17
ŠROUB
9997-1030-16
19
ŠROUB
9987-5338-12
20
ŠROUB
9997-0840-16
21
PODLOŽKA
1134-2840-01
22
Přírubové ložisko
9548-0015-00
23
PODLOŽKA
9699-0037-02
24
POJISTNÝ KROUŽEK
9652-0010-04
25
RAMENO
1134-2983-01
26
DRŽÁK
1134-2726-01
27
ŠROUB
9997-0616-16
28
ŠROUB
9959-1030-16
29
PODLOŽKA
9699-0029-02
30
KULIČKOVÉ LOŽISKO
9549-0004-00
31
MATICE
9799-1031-02
32
ŠROUB
9997-0850-16
33
PŘEVODOVKA
1134-2800-01
34
PNEUMATIKA
9545-0116-00
35
NÝT
9646-0036-22
36
Ventil Sestava.
9545-0500-00
37
STARLOCK
9675-0008-02
38
ŠROUB
9942-0816-16
39
KLÁVESA
1134-2471-01
40
Ráfek zadní
1134-3175-01
41
ŠROUB
9997-0845-12
42
MATICE
9747-0831-02
52
Odkaz na koleno
9570-0001-00
53
Hydrostatická převodovka
1134-2801-02
55
ŠROUB
9997-0812-02
56
ROZPĚRKA
1134-2758-01
59
STOJAN
1134-2708-01
62
ROZPĚRKA
1134-1565-01
63
PEDÁL
1134-2739-01
64
KLÁVESA
1134-2776-01
65
VENTILÁTOR
1134-3552-01
66
PODLOŽKA
1134-2714-01
67
ŠROUB
9959-0612-16
70
VSUVKA
1134-2783-01
72
HADICOVÁ SVĚRKA
9578-0021-00
73
RAMENO
1134-2729-01
79
PODLOŽKA
9699-0090-02
84
OLEJOVÁ NÁDRŽ
1134-2765-02
85
Víčko plnicího plniče
1134-2777-02
86
Řemen
1134-2778-01
87
ŠROUB
9997-0612-16
88
MATICE
9739-0631-22
89
DRŽÁK LANKA
9579-0003-00
90
ENGINE PULLEY
1134-2717-01
93
LANKO
1134-2916-01
94
VYPÍNAČ
1134-2774-01
95
MATICE
1134-2767-01
99
PRUŽINA
1131-1506-00
101
Otočná deska
1134-2724-01
102
RAMENO
1134-2713-01
104
ŠROUB
9997-0870-16
105
ŠROUB
9997-0835-12
108
MATICE
9739-0531-22
109
TRUBKA
1134-2779-01
110
ŠROUB
9942-0612-16
111
TYČ
1134-2734-01
112
DRŽÁK
1134-2727-01
114
PRUŽINA
1134-2843-01
129
Odvzdušňovací
1134-3734-01