CZ
Váš KOŠÍK
čeká na naplnění

ks
Vysypat košík Objednat
Opravdu
chcete
aby zůstal prázdný?
Ano, vysypat Nechci
Náhradní díly
vše pro vaše stroje
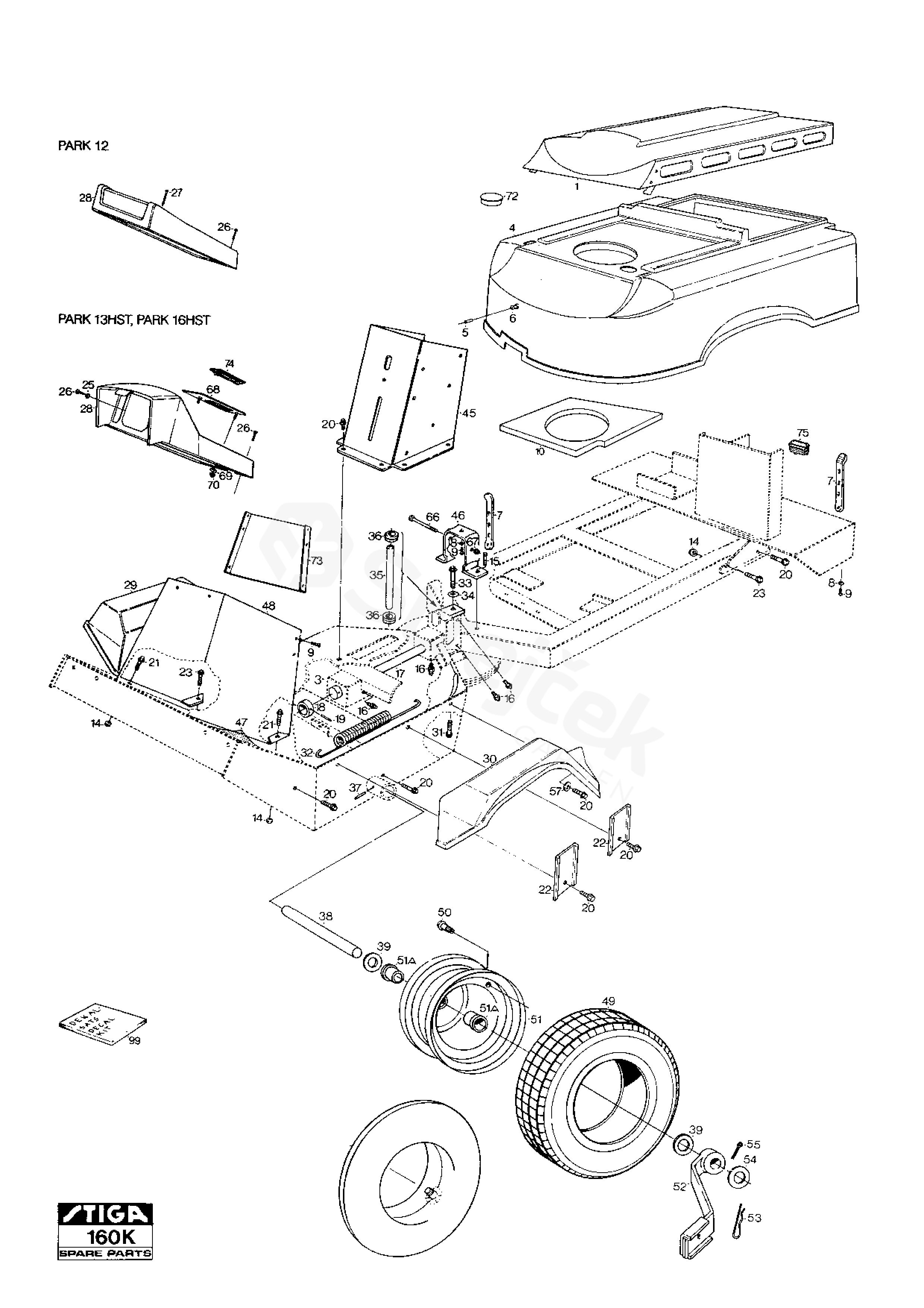
RÁM
PARK 16HST PRO PARK 16HST PRO (1995) [13-1441-18]
Najeďte myší na rozkres
kolečko: přiblížení, levé tlačítko: pohyb
Další díly pro PARK 16HST PRO (1995) [13-1441-18]
1 Kryt motoru (černý) 1134-2215-01
3 Přední rám 1134-3411-03
4 KAPOTA MOTORU 1134-3215-01
5 POP RIVET 9632-0516-00
6 KONFLÍK 9405-0029-00
7 Gumový Řemen (3 ks) 1134-9028-01
8 PODLOŽKA 9699-0087-02
10 Pěnová podložka
10 mm
1134-2053-02
14 MATICE 9739-0831-22
15 ŠROUB 9942-0612-16
16 Dávkovač tuků 9501-0500-00
17 CLEVIS 1134-1757-07
18 Otočný doraz hřídele 1134-0031-00
19 Vyhledání pinu 9595-0262-00
20 ŠROUB 9942-0816-16
21 ŠROUB
16 MM
9959-0816-16
22 OPĚRNÝ PLECH 1134-0225-00
23 ŠROUB
20 MM
9959-0820-16
25 PODLOŽKA 9699-0099-02
26 ŠROUB
13 mm
9849-8013-16
28 PANEL 1134-3371-02
29 Blatník,Rh (Žlutá) 1134-2174-02
30 Blatník,Lh (Žlutá) 1134-2174-01
31 ŠROUB 9959-1025-16
32 PRUŽINA 1134-2171-01
33 ŠROUB 9959-1020-16
34 PODLOŽKA 9699-0035-02
35 Středová hřídel 1134-0057-00
36 LOŽISKO 9547-0001-00
37 Vyhledání pinu 9595-0258-00
38 Přední AXLE 1134-0075-01
39 PODLOŽKA 1134-0341-01
45 Držák sedadla -žlutá 1134-3252-02
46 Podpora krytu motoru 1134-2951-01
47 Podlahová rohož 1134-3546-01
48 Přední trim deska 1134-2833-10
49 PNEUMATIKA
16 x 7,50-8 (Trelleb)
9545-0120-00
50 Ventil Sestava. 9545-0500-00
51 RÁFEK KOMPL. 1134-2888-01
52 1134-3710-01+9599-0080-02 1134-1183-04
53 ČEP PRUŽINY 9598-0003-02
54 PODLOŽKA 9699-0042-02
55 COTTER PIN 9599-0080-02
57 PODLOŽKA 9699-0056-02
66 ŠROUB 9997-0670-12
67 Matice 9747-0631-02
68 KRYT 1134-2870-01
69 PODLOŽKA 9699-0060-02
70 MATICE 9739-0631-22
72 ZÁSLEPKA 1134-2944-01
73 COVER 1134-3363-01
75 Plastová zátka
Č.p.1441,42,43
1134-3540-01
99 Sada štítků 1134-3558-01
51A KULIČKOVÉ LOŽISKO 9549-0036-00