CZ
Váš KOŠÍK
čeká na naplnění

ks
Vysypat košík Objednat
Opravdu
chcete
aby zůstal prázdný?
Ano, vysypat Nechci
Náhradní díly
vše pro vaše stroje
Výkonový pohon
PARK DIESEL 4WD PARK DIESEL 4WD (2006)
Najeďte myší na rozkres
kolečko: přiblížení, levé tlačítko: pohyb
Další díly pro PARK DIESEL 4WD (2006)
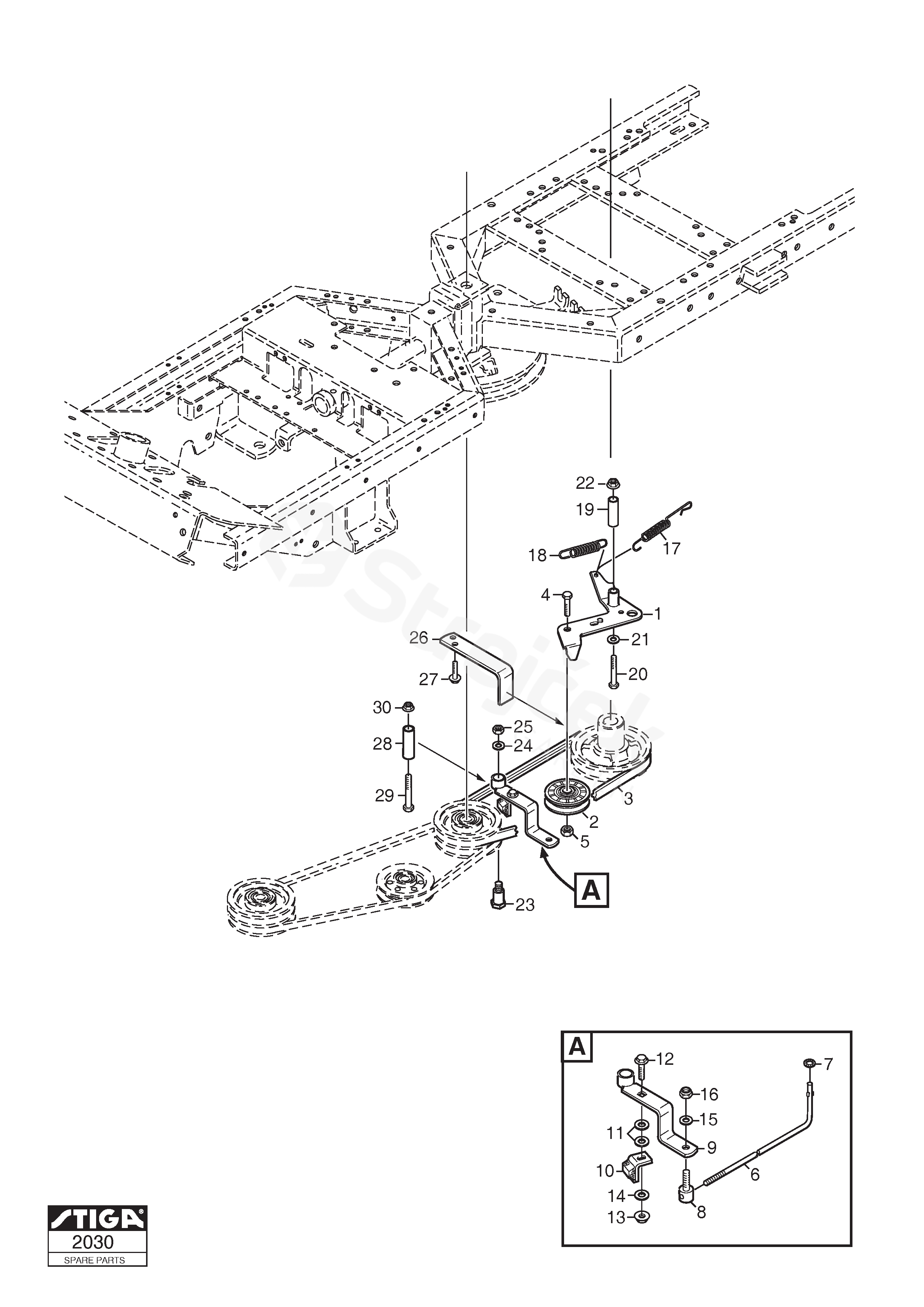
1 Tažné rameno 1134-2018-02
2 Napínací válec (černý) 1134-9027-01
3 Pohon Řemen
Nahrazeno servisním kódem: 1134-9071-01
9585-0129-01
4 ŠROUB 9997-1030-16
5 MATICE 9799-1031-02
6 BRAKE ROD 1134-4162-01
7 STARLOCK 9675-0008-02
8 Nippel 1134-4170-01
9 Brzdové rameno 1134-4111-01
10 BRZDOVÁ DESTIČKA 1134-4164-03
11 PODLOŽKA 9699-0035-02
12 ŠROUB 9897-0825-16
13 MATICE 9747-0831-02
14 PODLOŽKA 9699-0090-02
15 PODLOŽKA 9699-0025-02
16 Matice 9747-0631-02
17 PRUŽINA 4231-0013-00
18 BRZDOVÁ PRUŽINA 1134-4231-01
19 ROZPĚRKA 1134-1565-10
20 ŠROUB 9997-0860-16
21 PODLOŽKA 9699-0056-02
22 MATICE 9739-0831-22
23 SHOULDER BOLT 1134-4163-01
25 MATICE 9739-1031-22
26 VODÍTKO ŘEMENU 1134-3958-01
27 ŠROUB 9893-0616-16
28 BUSHING 1134-0041-03
29 ŠROUB 9997-1070-12