Doručujeme do více než 25 zemí
info@sgarden.cz
Zaměřujeme se zvláště na náhradní díly, stačí kliknout
Přihlášení
/
Registrace
Přihlaste se
E-mail:
Heslo:
Zůstat přihlášen
Přihlásit se
Zapomenuté heslo?
Jsem tu nový:
registrovat
/
Odhlášení
CZ
€
CS
EN
€
Kč
Váš
KOŠÍK
čeká na naplnění
ks
Vysypat košík
Objednat
Opravdu
chcete
aby zůstal prázdný?
Ano, vysypat
Nechci
,
,
Náhradní díly
vše pro vaše stroje
Náhradní díly
>
STIGA
>
Ridery
>
PARK PRO 16 PARK PRO 16 (2001) [13-6216-42]
>
Výkonový pohon
zpět na
PARK PRO 16
PARK PRO 16 (2001) [13-6216-42]
Výkonový pohon
PARK PRO 16
PARK PRO 16 (2001) [13-6216-42]
Najeďte myší na rozkres
kolečko:
přiblížení, levé tlačítko:
pohyb
Další díly
pro
PARK PRO 16 (2001) [13-6216-42]
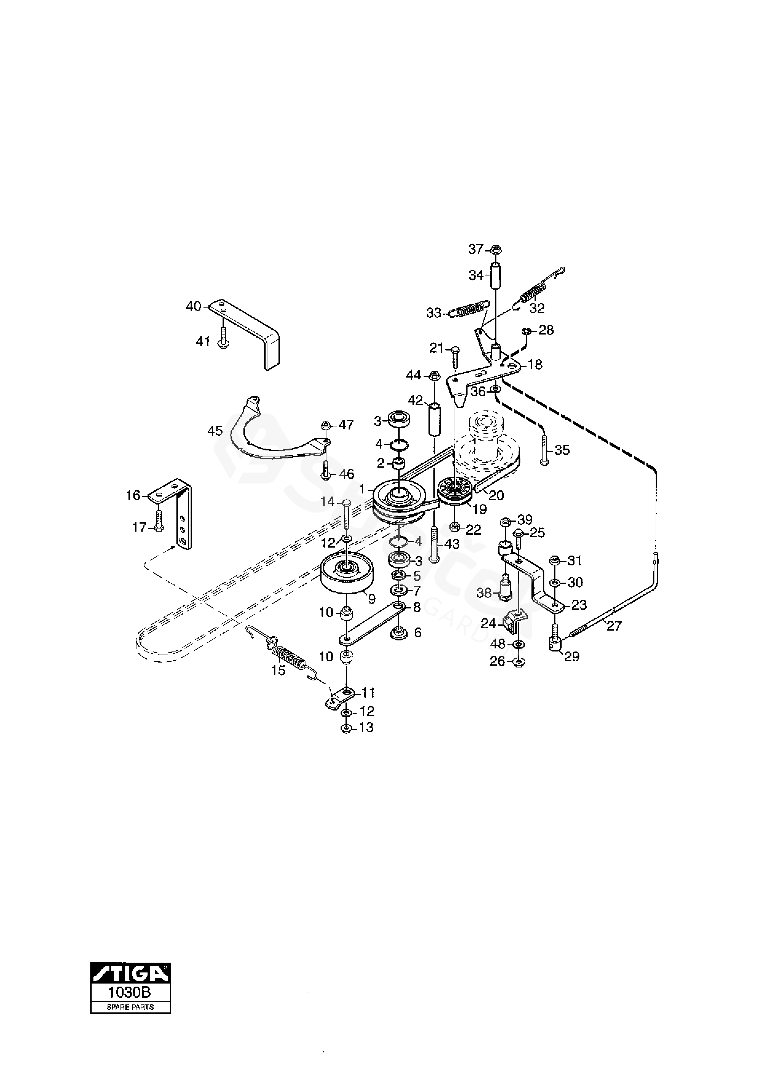
1
Řemenici řemene
1134-1769-02
2
ROZPĚRKA
1134-0051-09
3
KULIČKOVÉ LOŽISKO
9549-0019-00
4
POJISTNÝ KROUŽEK
9651-0040-04
5
ROZPĚRKA
1134-0052-00
6
PODLOŽKA
1134-0222-00
7
PODLOŽKA
9699-0109-02
8
Rameno napínacího kotouče
1134-1730-01
9
NAPÍNACÍ VÁLEČEK
1134-1770-01
10
ROZPĚRKA
1134-1888-01
11
PRUŽINA
1134-1893-01
12
PODLOŽKA
9699-0062-02
13
MATICE
9739-0831-22
14
ŠROUB
9997-0865-12
15
PRUŽINA
1134-1322-02
16
PRUŽINA
1134-3959-01
17
ŠROUB
9945-0816-16
18
Tažné rameno
1134-2018-02
19
Napínací válec (černý)
1134-9027-01
20
ŘEMEN
9455
1134-9071-01
21
ŠROUB
9997-1030-16
22
MATICE
9799-1031-02
23
Brzdové rameno
1134-4111-01
24
BRZDOVÁ DESTIČKA
1134-4164-01
25
ŠROUB
9897-0820-16
26
MATICE
9747-0831-02
27
BRAKE ROD
1134-4162-01
28
STARLOCK
9675-0008-02
29
Nippel
1134-4170-01
30
PODLOŽKA
9699-0025-02
31
Matice
9747-0631-02
32
PRUŽINA
4231-0013-00
33
BRZDOVÁ PRUŽINA
1134-4231-01
34
ROZPĚRKA
1134-1565-10
35
ŠROUB
L = 55 mm
9997-0855-12
36
PODLOŽKA
9699-0056-02
38
SHOULDER BOLT
1134-4163-01
39
Matice
9747-1031-02
40
VODÍTKO ŘEMENU
1134-3958-01
41
ŠROUB
9893-0616-16
42
BUSHING
1134-0041-03
43
ŠROUB
9997-1070-12
44
MATICE
9739-1031-22
45
KRYT
1134-3654-01
46
ŠROUB
9959-0612-16
47
MATICE
9739-0631-22
48
PODLOŽKA
9699-0090-02