Doručujeme do více než 25 zemí
info@sgarden.cz
Zaměřujeme se zvláště na náhradní díly, stačí kliknout
Přihlášení
/
Registrace
Přihlaste se
E-mail:
Heslo:
Zůstat přihlášen
Přihlásit se
Zapomenuté heslo?
Jsem tu nový:
registrovat
/
Odhlášení
CZ
€
CS
EN
€
Kč
Váš
KOŠÍK
čeká na naplnění
ks
Vysypat košík
Objednat
Opravdu
chcete
aby zůstal prázdný?
Ano, vysypat
Nechci
,
,
Náhradní díly
vše pro vaše stroje
Náhradní díly
>
STIGA
>
Ridery
>
PARK PRO 16 4WD Park Pro 16 4WD (2012)
>
PŘEVODY
zpět na
PARK PRO 16 4WD
Park Pro 16 4WD (2012)
PŘEVODY
PARK PRO 16 4WD
Park Pro 16 4WD (2012)
Najeďte myší na rozkres
kolečko:
přiblížení, levé tlačítko:
pohyb
Další díly
pro
Park Pro 16 4WD (2012)
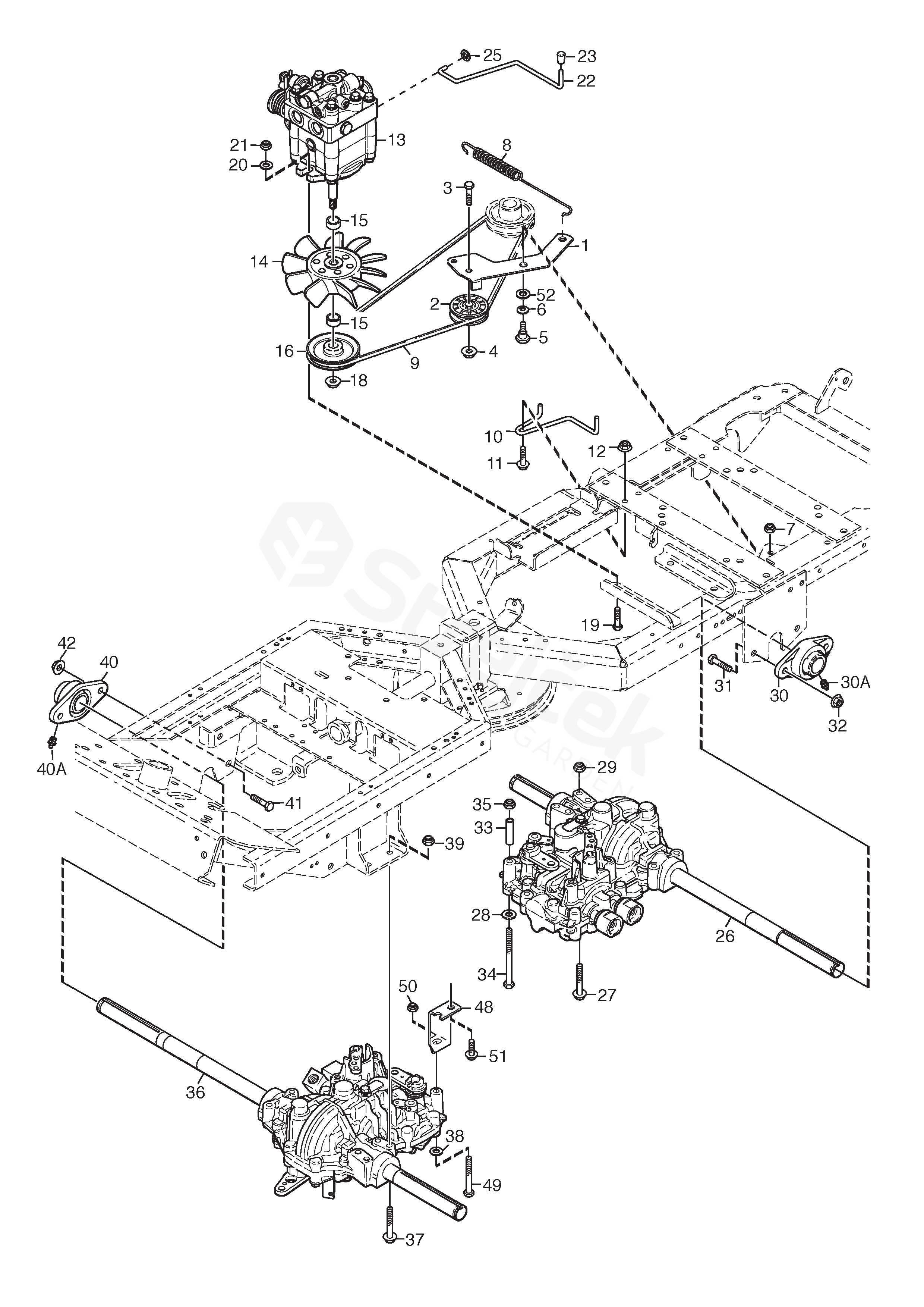
1
Napětí Arm Sestava
1134-5739-01
2
NAPÍNACÍ VÁLEČEK
1134-3459-01
3
ŠROUB
9997-1030-16
4
MATICE
9739-1031-22
5
ŠROUB
1134-0240-00
6
PODLOŽKA
9665-0002-00
8
PRUŽINA
1134-5713-02
9
Pohon Řemen
Nahrazeno servisním kódem: 1134-9058-01
9585-0091-01
10
VODÍTKO ŘEMENU
1134-5764-01
11
ŠROUB
9959-0820-16
12
MATICE
9739-0831-22
13
HYDRAULICKÉ ČERPADLO
Kanzaki KPL 10ALP
1134-5700-01
14
VENTILÁTOR
1134-4190-01
15
ROZPĚRKA
1134-5862-01
16
Řemenici řemene
1134-5821-01
18
MATICE
9731-1031-22
19
ŠROUB
9997-1040-16
20
PODLOŽKA
9699-0030-02
22
TAŽNÁ TYČ
1134-5763-01
23
KONFLÍK
1134-4014-01
25
STARLOCK
9675-0009-02
26
Zadní motorová jednotka (Ktm10G)
Kanzaki KTM 10G
1134-5701-01
27
ŠROUB
9960-0860-12
28
PODLOŽKA
9699-0090-02
29
MATICE
9747-0831-02
30
Přírubová ložisková jednotka
1134-5703-01
33
ROZPĚRKA
1134-1565-15
34
ŠROUB
9997-0812-02
36
Přední motorová jednotka (Ktm10F)
Kanzaki KTM 10F
1134-5702-01
48
ROZPĚRA
1134-5670-01
49
ŠROUB
9997-0880-16
51
ŠROUB
9945-0816-16
52
PODLOŽKA
1134-4242-01
30A
Dávkovač tuků
9501-0500-00