CZ
Váš KOŠÍK
čeká na naplnění

ks
Vysypat košík Objednat
Opravdu
chcete
aby zůstal prázdný?
Ano, vysypat Nechci
Náhradní díly
vše pro vaše stroje
PŘEVODY
PARK PRO 20 4WD PARK PRO 20 4WD (2008)
Najeďte myší na rozkres
kolečko: přiblížení, levé tlačítko: pohyb
Další díly pro PARK PRO 20 4WD (2008)
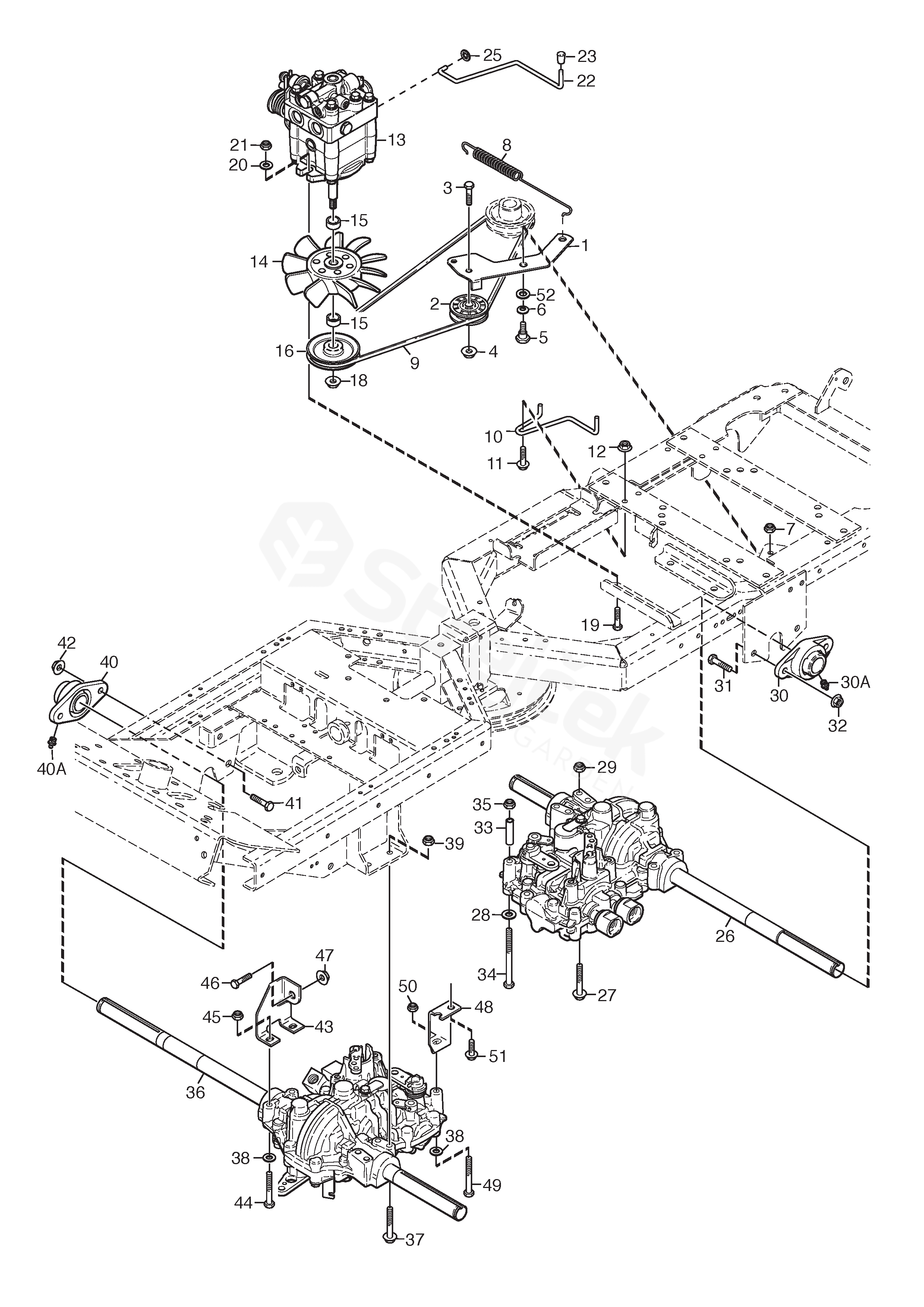
1 Napětí Arm Sestava 1134-5739-01
2 NAPÍNACÍ VÁLEČEK 1134-3459-01
3 ŠROUB 9997-1030-16
4 MATICE 9739-1031-22
5 ŠROUB 1134-0240-00
6 PODLOŽKA 9665-0002-00
8 PRUŽINA 1134-5713-02
9 Pohon Řemen
Nahrazeno servisním kódem: 1134-9058-01
9585-0091-01
10 VODÍTKO ŘEMENU 1134-5764-01
11 ŠROUB 9959-0820-16
12 MATICE 9739-0831-22
13 HYDRAULICKÉ ČERPADLO
Kanzaki KPL 10ALP
1134-5700-01
14 VENTILÁTOR 1134-4190-01
15 ROZPĚRKA 1134-5862-01
16 Řemenici řemene 1134-5821-01
18 MATICE 9731-1031-22
19 ŠROUB 9997-1040-16
20 PODLOŽKA 9699-0030-02
22 TAŽNÁ TYČ 1134-5763-01
23 KONFLÍK 1134-4014-01
25 STARLOCK 9675-0009-02
26 Zadní motorová jednotka (Ktm10G)
Kanzaki KTM 10G
1134-5701-01
27 ŠROUB 9960-0860-12
28 PODLOŽKA 9699-0090-02
29 MATICE 9747-0831-02
30 Přírubová ložisková jednotka 1134-5703-01
33 ROZPĚRKA 1134-1565-15
34 ŠROUB 9997-0812-02
36 Přední motorová jednotka (Ktm10F)
Kanzaki KTM 10F
1134-5702-01
43 Držák transaxle 1134-5650-01
44 ŠROUB 9997-0860-16
46 ŠROUB 9959-1025-16
48 ROZPĚRA 1134-5670-01
49 ŠROUB 9997-0880-16
51 ŠROUB 9945-0816-16
52 PODLOŽKA 1134-4242-01
30A Dávkovač tuků 9501-0500-00