Doručujeme do více než 25 zemí
info@sgarden.cz
Zaměřujeme se zvláště na náhradní díly, stačí kliknout
Přihlášení
/
Registrace
Přihlaste se
E-mail:
Heslo:
Zůstat přihlášen
Přihlásit se
Zapomenuté heslo?
Jsem tu nový:
registrovat
/
Odhlášení
CZ
€
CS
EN
€
Kč
Váš
KOŠÍK
čeká na naplnění
ks
Vysypat košík
Objednat
Opravdu
chcete
aby zůstal prázdný?
Ano, vysypat
Nechci
,
,
Náhradní díly
vše pro vaše stroje
Náhradní díly
>
STIGA
>
Ridery
>
PARK 107M PARK 107M (2004) [13-2927-27]
>
Žací ústrojí 107M Rám
zpět na
PARK 107M
PARK 107M (2004) [13-2927-27]
Žací ústrojí 107M Rám
PARK 107M
PARK 107M (2004) [13-2927-27]
Najeďte myší na rozkres
kolečko:
přiblížení, levé tlačítko:
pohyb
Další díly
pro
PARK 107M (2004) [13-2927-27]
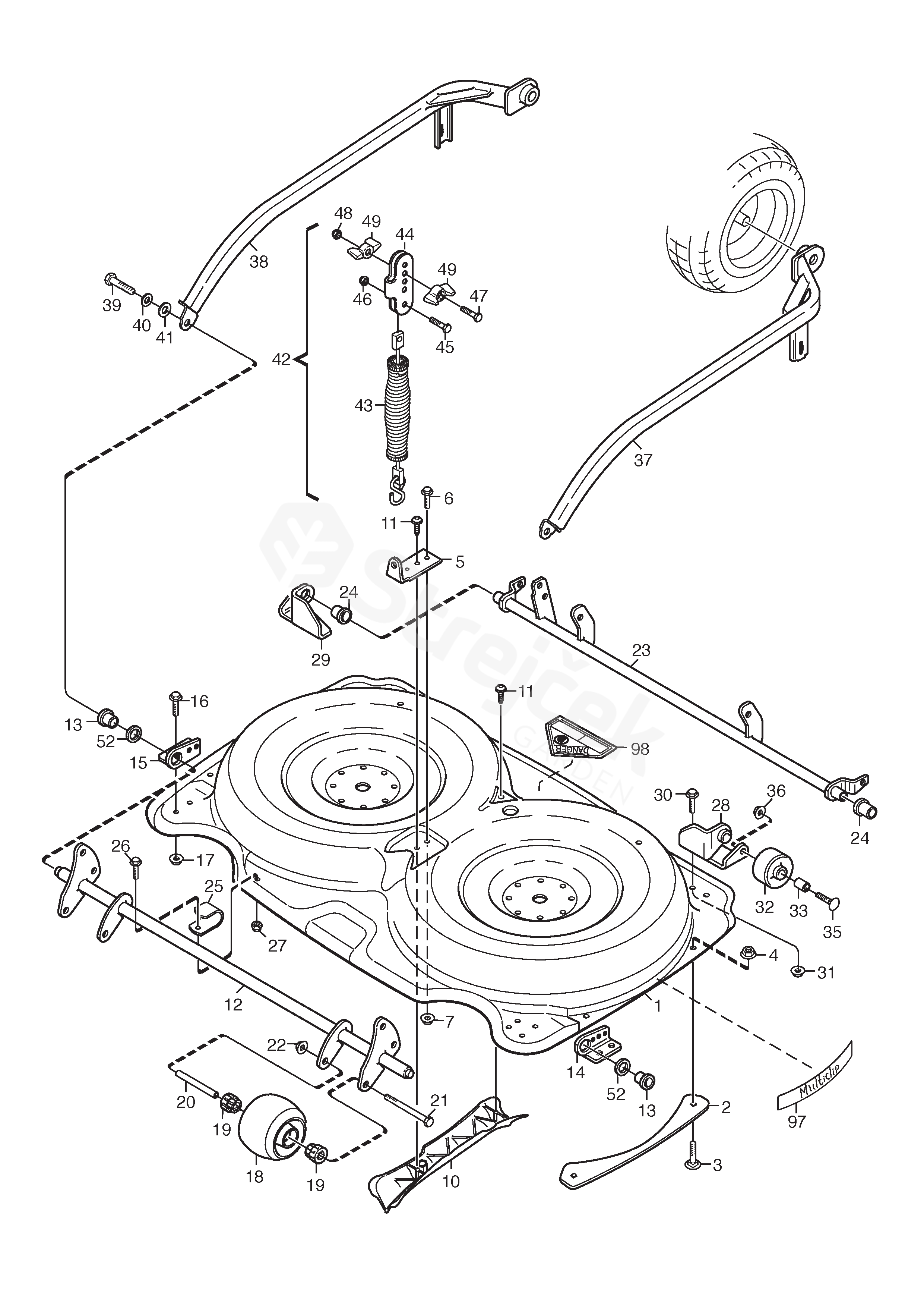
1
ŽACÍ ÚSTROJÍ
1134-5187-01
2
VODÍCÍ DESKA
1134-4323-01
3
ŠROUB
9897-0616-16
4
MATICE
9739-0631-22
5
Zvedací držák (černý)
1134-4320-06
6
ŠROUB
9959-0820-16
7
MATICE
9739-0831-22
10
VODÍCÍ LIŠTA
1134-4905-01
11
ŠROUB
9838-9530-12
12
Přední AXLE
1134-4890-01
13
LOŽISKO
Sats 4 st/kit 4
1134-9024-01
14
Držák ložiska-Lh
1134-4292-01
15
LOŽISKOVÁ OPĚRA
1134-4292-02
16
ŠROUB
9959-0816-16
17
MATICE
9739-0831-22
18
KOLO
1134-4284-01
19
LOŽISKO
1134-4319-01
20
HŘÍDEL KOLA
1134-4318-01
21
ŠROUB
9997-0812-02
22
MATICE
9739-0831-22
23
ZADNÍ NÁPRAVA
1134-4876-01
24
LOŽISKO
Sats 4 st/kit 4
1134-9024-01
25
OPĚRNÁ MISKA
1134-4689-01
26
ŠROUB
9959-0616-16
27
Matice
9747-0631-02
28
Nástavec kola-Lh
1134-4299-01
29
Připevnění kola-Rh
1134-4299-02
30
ŠROUB
9959-0816-16
31
MATICE
9739-0831-22
32
VÁLEČKOVÉ LOŽISKO
1134-3434-01
33
BUSHING
1134-0041-05
35
ŠROUB
9898-1060-12
36
MATICE
9739-1031-22
37
Rameno sekačky, levá
1134-4324-01
38
Rameno sekačky, pravé
1134-4324-02
39
ŠROUB
9997-1016-16
40
PODLOŽKA
10 x 26 x 2,0
9699-0030-02
41
PODLOŽKA
17 x 30 x 3,0
9699-0104-02
42
SÁČEK S PŘÍSLUŠENSTVÍM
Inkl. pos 43 - 49
1134-4688-02
43
PRUŽINA
1134-4574-01
44
PRUŽINA
1134-4577-01
45
ŠROUB
9997-0825-16
46
MATICE
9747-0831-02
47
ŠROUB
9997-0835-12
48
MATICE
9747-0831-02
49
KŘÍDLOVÁ MATICE
1134-4481-01
52
PODLOŽKA
1134-4745-01
97
NÁLEPKA
9402-3523-01
98
NÁLEPKA
USA, CA
9402-3124-00