Doručujeme do více než 25 zemí
info@sgarden.cz
Zaměřujeme se zvláště na náhradní díly, stačí kliknout
Přihlášení
/
Registrace
Přihlaste se
E-mail:
Heslo:
Zůstat přihlášen
Přihlásit se
Zapomenuté heslo?
Jsem tu nový:
registrovat
/
Odhlášení
CZ
€
CS
EN
€
Kč
Váš
KOŠÍK
čeká na naplnění
ks
Vysypat košík
Objednat
Opravdu
chcete
aby zůstal prázdný?
Ano, vysypat
Nechci
,
,
Náhradní díly
vše pro vaše stroje
Náhradní díly
>
STIGA
>
Ridery
>
PARK 125 COMBI PRO PARK 125 COMBI PRO (2005) [13-2936-28]
>
Žací ústrojí 125 Combi Pro Rám
zpět na
PARK 125 COMBI PRO
PARK 125 COMBI PRO (2005) [13-2936-28]
Žací ústrojí 125 Combi Pro Rám
PARK 125 COMBI PRO
PARK 125 COMBI PRO (2005) [13-2936-28]
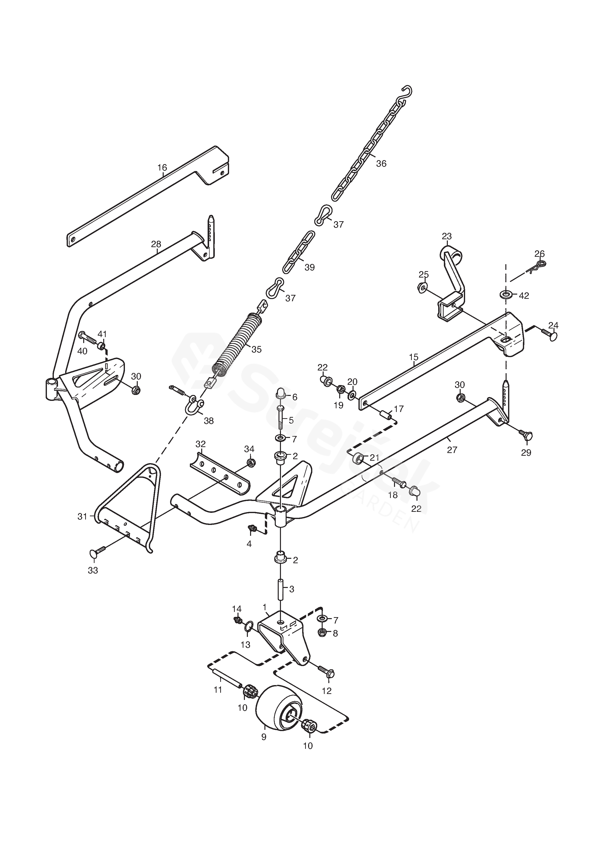
Najeďte myší na rozkres
kolečko:
přiblížení, levé tlačítko:
pohyb
Další díly
pro
PARK 125 COMBI PRO (2005) [13-2936-28]
1
OPĚRNÉ KOLO
1134-5199-01
2
BUSHING
137038009/0
3
ROZPĚRKA
1134-5677-01
4
Dávkovač tuků
9501-0500-00
5
ŠROUB
9997-1090-12
6
MATICE
9403-0113-02
7
PODLOŽKA
9699-0030-02
8
Matice
9747-1031-02
9
KOLO
1134-4284-01
10
LOŽISKO
1134-4319-01
11
HŘÍDEL KOLA
1134-5209-01
12
ŠROUB
9959-0820-16
13
POJISTNÝ KROUŽEK
9650-0012-04
14
Dávkovač tuků
9501-0500-00
15
Šedé rameno na ústrojí se kaši, levé
1134-5483-01
16
Šedé rameno na desce se kaši, vpravo
1134-5483-02
17
ROZPĚRKA
1134-1565-08
18
ŠROUB
9997-0865-12
19
MATICE
9747-0831-02
20
PODLOŽKA
9699-0056-02
21
ROZPĚRKA
1134-5488-01
22
Kroužková matice
9403-0113-00
23
Příslušenství pro příslušenství
1134-3710-01
24
ŠROUB
9898-1035-16
25
MATICE
9739-1031-22
26
ČEP PRUŽINY
9598-2001-02
27
Rám-Lh (šedá)
1134-5476-01
28
Rám-Rh (šedá)
1134-5476-02
29
ŠROUB
1134-0240-00
30
MATICE
9747-0831-02
31
Držák zdvihu (šedý)
1134-5499-01
32
Připojení trubky
1134-5217-01
33
ŠROUB
9897-0850-12
34
MATICE
9748-0831-02
35
PRUŽINA
1134-5562-01
36
ŘETĚZ
1134-5489-01
37
Přichycení hook
1134-5528-01
38
Zvedací LINK
1134-2629-01
39
ŘETĚZ
1134-5588-01
40
ŠROUB
9997-0825-16
41
ROZPĚRKA
1134-5626-01
42
PODLOŽKA
9699-0104-02