CZ
Váš KOŠÍK
čeká na naplnění

ks
Vysypat košík Objednat
Opravdu
chcete
aby zůstal prázdný?
Ano, vysypat Nechci
Náhradní díly
vše pro vaše stroje
Žací ústrojí Převodovka
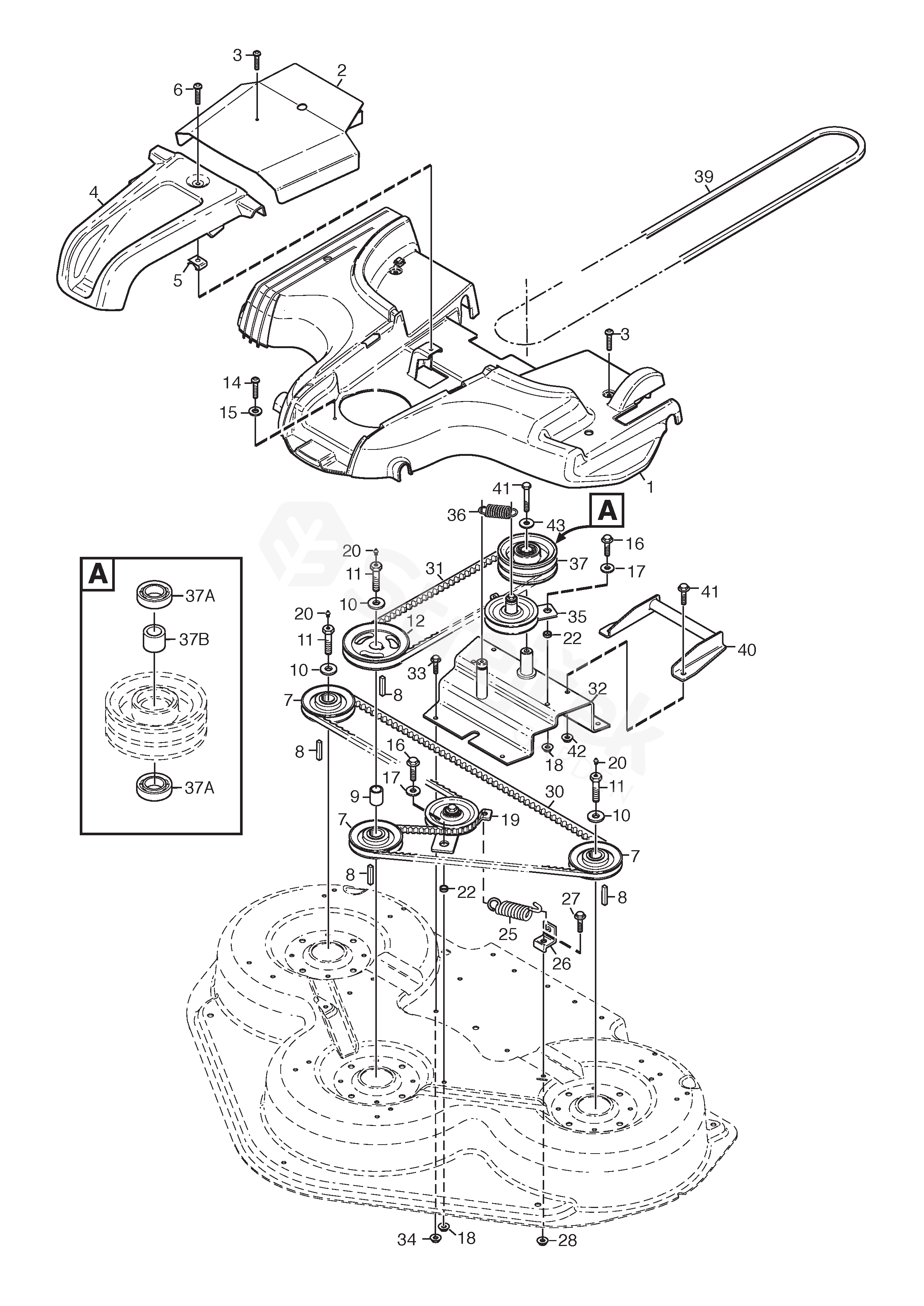
Mower deck 125B Combi Mower deck 125B Combi (2010)
Najeďte myší na rozkres
kolečko: přiblížení, levé tlačítko: pohyb
Další díly pro Mower deck 125B Combi (2010)
1 KRYT PŘEVODOVKY 1134-7596-01
2 KRYT PŘEVODOVKY 1134-7614-01
3 ŠROUB 9893-0616-16
4 Kryt 1134-5987-01
5 Klipy 1134-4176-01
6 ŠROUB 9893-0616-16
7 Řemenici řemene 1134-5404-01
8 KLÁVESA
6 x 6 x 25 mm
9600-0171-01
9 ROZPĚRKA
L = 20 mm
1134-5400-03
10 PODLOŽKA 1134-5406-01
11 ŠROUB 1134-7517-01
12 Řemenici řemene
Ø = 150 mm
1134-7813-01
14 ŠROUB 9893-0616-16
15 PODLOŽKA 9699-0060-02
16 ŠROUB 9959-0816-16
17 PODLOŽKA 9699-0109-02
18 MATICE 9739-0831-22
19 Napětí Válec Sestava 1134-7611-01
20 Dávkovač tuků 9501-0500-00
22 ROZPĚRKA 1134-7618-01
25 PRUŽINA 1134-0327-00
26 PRUŽINA 1134-5415-01
27 ŠROUB 9959-0816-16
28 MATICE 9739-0831-22
30 Pohon Řemen
9585-0142-01
1134-9087-01
31 V-ŘEMEN 9585-0186-01
32 Přenosová deska 1134-7605-01
33 ŠROUB 9959-0820-16
34 MATICE 9739-0831-22
35 NAPÍNACÍ VÁLEČEK 1134-7610-01
36 PRUŽINA 1134-7619-01
37 Řemenicový Sestava 1134-6911-01
39 V-ŘEMEN 9585-0187-01
40 Řemen Navaděč Sestava 1134-7679-01
41 ŠROUB 9959-0820-16
42 MATICE 9739-0831-22
43 PODLOŽKA 1134-5406-01