Doručujeme do více než 25 zemí
info@sgarden.cz
Zaměřujeme se zvláště na náhradní díly, stačí kliknout
Přihlášení
/
Registrace
Přihlaste se
E-mail:
Heslo:
Zůstat přihlášen
Přihlásit se
Zapomenuté heslo?
Jsem tu nový:
registrovat
/
Odhlášení
CZ
€
CS
EN
€
Kč
Váš
KOŠÍK
čeká na naplnění
ks
Vysypat košík
Objednat
Opravdu
chcete
aby zůstal prázdný?
Ano, vysypat
Nechci
,
,
Náhradní díly
vše pro vaše stroje
Náhradní díly
>
STIGA
>
Traktory
>
STIGA 13,5/90 STIGA 13,5/90 (2008)
>
Šasi low-end
zpět na
STIGA 13,5/90
STIGA 13,5/90 (2008)
Šasi low-end
STIGA 13,5/90
STIGA 13,5/90 (2008)
Najeďte myší na rozkres
kolečko:
přiblížení, levé tlačítko:
pohyb
Další díly
pro
STIGA 13,5/90 (2008)
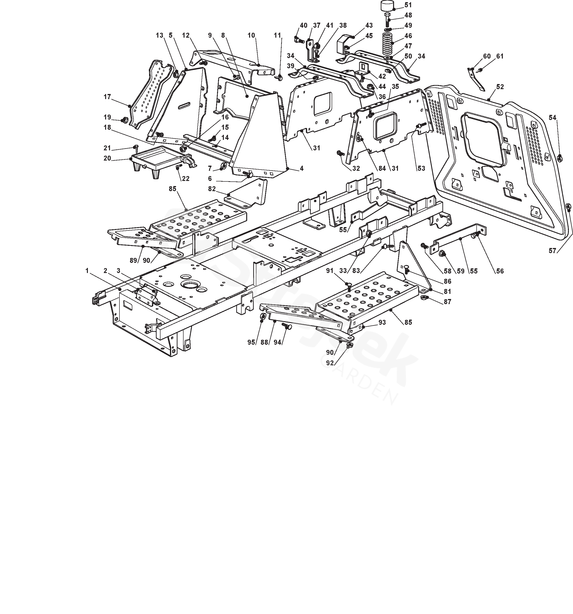
1
RÁM
382800095/0
2
SVORKA
382774253/0
3
ŠROUB
112735121/0
4
Podpora levého řídicího panelu
325785243/1
5
Podpora pravého řídicího panelu
325785245/0
8
Podpora zadní hospo-
382785151/1
10
Podpora centrálního řídicího panelu
325785255/0
11
ŠROUB
112735110/0
12
ŠROUB
112815200/0
13
MATICE
112292102/0
14
OPĚRNÁ MISKA
325785241/0
17
Podpora řídicího panelu
382785153/0
20
Podpora baterie
325785279/1
21
ŠROUB
112760490/0
22
KOLÍČEK
125510099/0
31
Opěrka sedadel
325785249/0
34
Opěrka sedadel
325785257/0
35
ŠROUB
112818690/0
36
MATICE
112293201/0
37
DRŽÁK
325755039/0
38
ŠROUB
112792611/0
40
Opěra PIN
122524970/2
41
MATICE
112155010/0
42
DRŽÁK
325755043/0
43
PRUŽINA
325430253/0
44
ŠROUB
112789000/0
45
MATICE
112154330/0
46
PRUŽINA
125430257/0
47
PODLOŽKA
112523070/0
48
ŠROUB
112760515/0
49
PODLOŽKA
122671653/0
50
MATICE
112360425/0
51
CAP
325122000/2
52
Zadní deska, Černá
382547041/0
55
Vyztužení desek
325650119/0
60
PRUŽINA
127430554/0
81
Podpora stupavky
325774371/0
82
Podpora stupavky
325774369/0
85
Stupavka
325500035/0
88
Podpora stupavky, levá
325500033/0
89
Podpora stupavky, pravá
325500031/0
90
SVORKA
325774375/0
91
ŠROUB
112815205/0
93
SVORKA
325774351/0