Doručujeme do více než 25 zemí
info@sgarden.cz
Zaměřujeme se zvláště na náhradní díly, stačí kliknout
Přihlášení
/
Registrace
Přihlaste se
E-mail:
Heslo:
Zůstat přihlášen
Přihlásit se
Zapomenuté heslo?
Jsem tu nový:
registrovat
/
Odhlášení
CZ
€
CS
EN
€
Kč
Váš
KOŠÍK
čeká na naplnění
ks
Vysypat košík
Objednat
Opravdu
chcete
aby zůstal prázdný?
Ano, vysypat
Nechci
,
,
Náhradní díly
vše pro vaše stroje
Náhradní díly
>
STIGA
>
Traktory
>
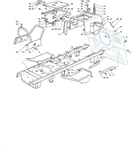
ESTATE ROYAL ESTATE ROYAL (2008) [299941881/08]
>
Ovládání brzd a převodovek
zpět na
ESTATE ROYAL
ESTATE ROYAL (2008) [299941881/08]
Ovládání brzd a převodovek
ESTATE ROYAL
ESTATE ROYAL (2008) [299941881/08]
Najeďte myší na rozkres
kolečko:
přiblížení, levé tlačítko:
pohyb
Další díly
pro
ESTATE ROYAL (2008) [299941881/08]
1
PEDÁL
382500011/2
2
Svorkový kryt
125110267/0
3
DESKA
325547081/1
4
ŠROUB
112731601/0
5
TYČ
382000487/0
6
KOLÍČEK
125510052/0
7
PRUŽINA
125430236/0
9
MATICE
112295200/0
10
SVORKA
325774275/0
11
PODLOŽKA
112521350/0
12
MATICE
112155000/0
14
MATICE
112156602/0
21
OPĚRNÁ MISKA
325785143/1
22
ŠROUB
112815210/0
23
PODLOŽKA
112523040/0
24
MATICE
112154510/0
25
HÁK
325253001/0
26
Opěra PIN
122524970/2
27
Antitřecí podložka
325670011/0
29
TYČ
125033047/0
30
KONFLÍK
125394509/1
31
PRUŽINA
125430213/0
32
PODLOŽKA
112523020/0
41
Pedál Tch2000
382500013/0
42
Svorkový kryt
125110265/0
43
Svorkový kryt
125110266/0
44
OSA
382000481/0
45
BUSHING
122034523/0
46
Antitřecí podložka
322672153/0
47
Ségrovka
112609260/0
48
ŠROUB
112760600/0
49
Pěstitel
112583501/0
50
CONTROL ROD
125033031/0
51
KOLÍČEK
125510054/0
52
MATICE
112293200/0
53
PODLOŽKA
112521360/0
61
Přepnout Sestava
382394853/0
62
Mikrospínač
119410609/0
63
ŠROUB
112735602/0
64
Pěstitel
112581100/0
65
MATICE
112290791/0
66
ŠROUB
112735110/0