CZ
Váš KOŠÍK
čeká na naplnění

ks
Vysypat košík Objednat
Opravdu
chcete
aby zůstal prázdný?
Ano, vysypat Nechci
Náhradní díly
vše pro vaše stroje
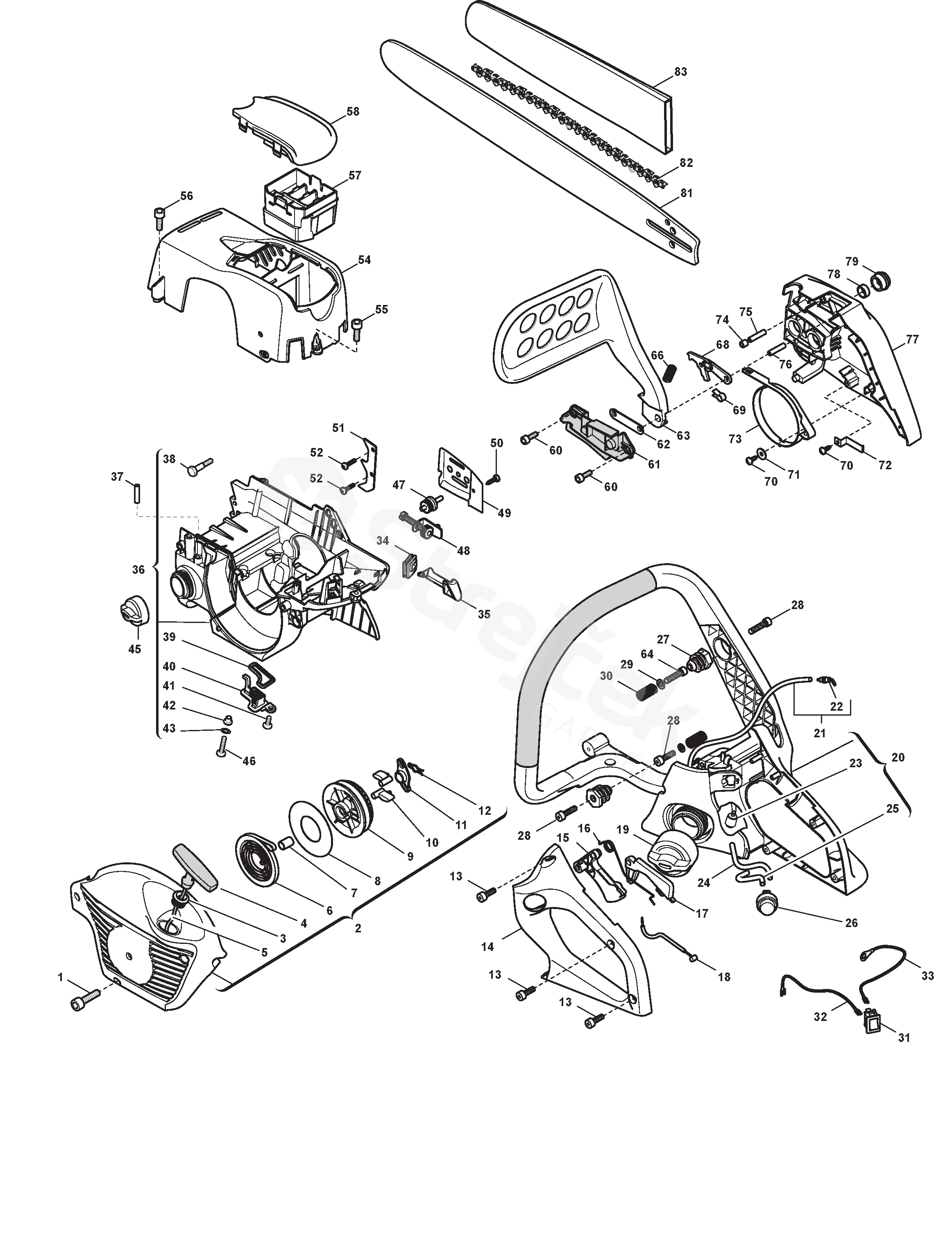
KRYT
SP 480 SP 480 (2007) [15-4148-31]
Najeďte myší na rozkres
kolečko: přiblížení, levé tlačítko: pohyb
Další díly pro SP 480 (2007) [15-4148-31]
1 ŠROUB 2123030
2 Kartér Sestava žlutá 383058003/0
3 BUSHING 3611290
4 RUKOJEŤ STARTOVÁNÍ 3749437
5 STARTER CORD 3784030
6 Startovací pružina 4611480
7 BUSHING 3623590
8 Disk pro startovací pružinu 3723640
9 KLADKA STARTOVÁNÍ 3750130
10 Startovací hák 3750080
11 Navaděč startovacím hákem 3750140
12 POJISTNÝ KROUŽEK 3657480
13 ŠROUB 2123100
14 Kryt rukojeti 323109506/0
15 Páka škrticí klapky pro kabel 3743587
16 Molla Leva Accel. E Sicurezza 360-41 1L3654440/1
17 Bezpečnostní Páka 3743597
18 LANKO PLYNU 123066002/0
19 Palivová nádrž-Cap Sestava 383790000/0
20 Rukojeť Sestava, Šedá 383300003/0
21 Mix ventilační trubice 4253580
22 Odvzdušňovací ventil Sestava 4253680
23 INTAKE 3L8783140/2
24 Linka pročištění vzduchu 323867000/0
25 Linka pročištění vzduchu 3786180
26 Balonek 123018000/0
27 WELCH PLUG 323790003/0
29 Plochá podložka 2312090
30 PRUŽINA 123430555/0
31 STOP VYPÍNAČ 3210970
32 Stop Wire 123065007/0
33 UZEMŇOVACÍ KABEL 3211380
34 PRŮCHODKA 323275002/0
35 Vzduchová páka 323315059/0
36 Pouzdro motoru Sestava 383057000/0
37 Olejová trubka Sestava 3L4353090/1
38 ŠROUB 1L2112460/1
39 TĚSNĚNÍ 323280002/0
40 Olejový filtr Sestava 323520000/0
42 BUSHING 123044201/0
45 VÍČKO NÁDRŽE 383790001/0
46 ŠROUB 2135060
47 KOLÍČEK 123510091/0
48 NAPÍNÁK ŘETĚZU 383810000/1
49 PLECH VODÍCÍ LIŠTY 323311001/0
50 ŠROUB 2123060
51 ZUBOVÁ OPĚRKA 323026000/0
54 Kryt válce žlutý 323087002/0
57 VZDUCHOVÝ FILTR 323220000/0
58 KRYT VZDUCHOVÉHO FILTRU 323109504/0
61 Kryt 323109505/0
62 Brzdová deska 3614490
63 HAND-GUARD 383455001/0
64 ŠROUB 2135040
66 BRZDOVÁ PRUŽINA 123430553/0
68 Páka brzdy řetězu 4252310
69 PRUŽINA 3614780
71 PODLOŽKA 2312100
72 DESKA 3612400
73 Řemen BRZDY 323448000/0
74 BUSHING 2382100
75 VÁLEČKOVÉ LOŽISKO 112622630/0
76 KOLÍČEK 3180390
77 Skříň krytu žlutá 323059002/0
78 BUSHING 3643000
79 MATICE 2670270
81 Vodicí lišta 18palců 123900101/0
82 Řetěz 16inch 4113713
83 Kryt řetězu 18palců 4181497