Doručujeme do více než 25 zemí
info@sgarden.cz
Zaměřujeme se zvláště na náhradní díly, stačí kliknout
Přihlášení
/
Registrace
Přihlaste se
E-mail:
Heslo:
Zůstat přihlášen
Přihlásit se
Zapomenuté heslo?
Jsem tu nový:
registrovat
/
Odhlášení
CZ
€
CS
EN
€
Kč
Váš
KOŠÍK
čeká na naplnění
ks
Vysypat košík
Objednat
Opravdu
chcete
aby zůstal prázdný?
Ano, vysypat
Nechci
,
,
Náhradní díly
vše pro vaše stroje
Náhradní díly
>
Alpina
>
Vžínače/křovinořezy
>
B 33 B 33 (2014)
>
MOTOR
zpět na
B 33
B 33 (2014)
MOTOR
B 33
B 33 (2014)
Najeďte myší na rozkres
kolečko:
přiblížení, levé tlačítko:
pohyb
Další díly
pro
B 33 (2014)
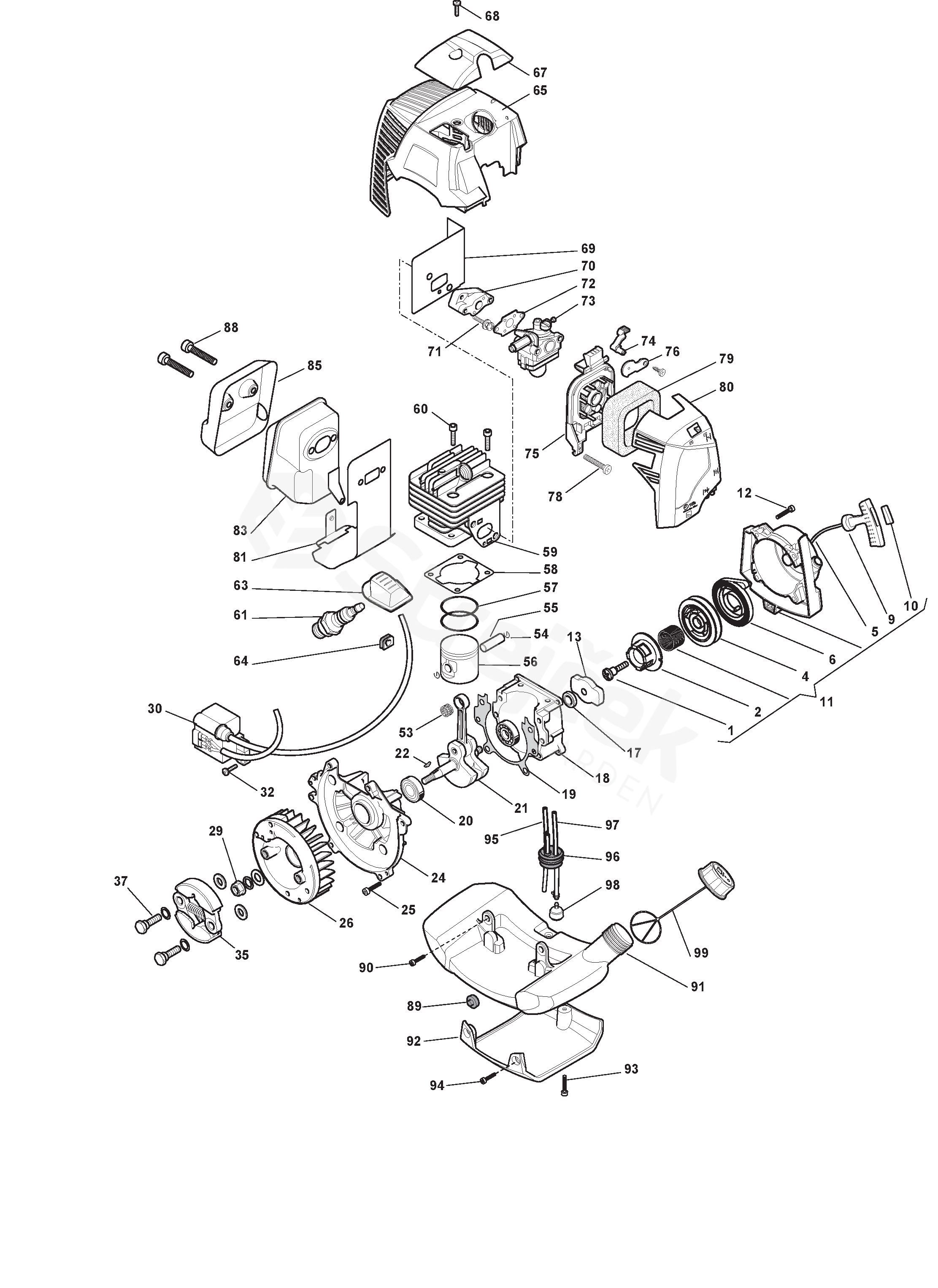
1
ŠROUB
118801251/0
2
STŘED
118801250/0
4
KLADKA STARTOVÁNÍ
118801249/0
5
STARTER CORD
118801252/0
6
PRUŽINA
118801253/0
9
RUKOJEŤ STARTOVÁNÍ
118801263/0
10
POJISTNÝ KROUŽEK
118801264/0
11
Startér Sestava Černá
118801262/0
12
ŠROUB
2135030
13
Startovací pohár Sestava
118801254/0
17
Těsnicí kroužek
119035159/0
18
CRANK CASE
123685026/0
19
Těsnění klikové skříně
123280047/0
20
KULIČKOVÉ LOŽISKO
114215218/0
21
KLIKOVÝ HŘÍDEL
123020025/0
22
Klíč setrvačníku
123072002/0
24
CRANK CASE
123685027/0
25
ŠROUB
2135060
26
VENTILÁTOR
123880018/0
29
MATICE
112154200/0
30
ZAPALOVACÍ CÍVKA
118805187/0
35
Jednotka spojky
123430583/0
37
ŠROUB
123878058/0
53
JEHLOVÉ LOŽISKO
123235007/0
54
POJISTNÝ KROUŽEK
123202009/0
55
KOLÍK PÍSTU
123760007/0
56
PÍST
123590008/0
57
PÍSTNÍ KROUŽEK
123204010/0
58
CYLINDER GASKET
123280045/0
59
VÁLEC
123071024/0
60
ŠROUB
112760475/0
61
ZAPALOVACÍ SVÍČKA
3210024
63
SPARK PLUG Kryt
118801258/0
64
PRŮCHODKA
123275023/0
65
Bílý kryt válce
118801459/0
67
Bílý kryt
118801462/0
68
ŠROUB
112788910/0
69
Těsnění sání
123280041/0
70
Sání
123073509/0
72
Karburátor těsnění
118801227/0
73
CARBURETOR
123054025/0
74
PÁKA
118801229/0
75
Podpora vzduchového filtru + kryt
118801228/0
76
CLONA
123190000/0
78
ŠROUB
2132160
79
VZDUCHOVÝ FILTR
123220011/0
80
Kryt filtru bílý
118801257/0
81
MUFFLER GASKET
118801267/0
83
TLUMIČ VÝFUKU
183740022/0
85
Bílý kryt
118801256/0
88
ŠROUB
2122210
89
Gumové těsnění
123280060/0
91
PALIVOVÁ NÁDRŽ
118801265/0
92
Dolní Chránič
118801266/0
94
ŠROUB
2135200
95
TRUBKA
118801319/0
96
PRŮCHODKA
118801318/0
97
Palivová LINE
118801313/0
98
Filtr příjmu
183520005/0
99
Palivová nádrž-Cap Sestava
118801243/0