CZ
Váš KOŠÍK
čeká na naplnění

ks
Vysypat košík Objednat
Opravdu
chcete
aby zůstal prázdný?
Ano, vysypat Nechci
Náhradní díly
vše pro vaše stroje
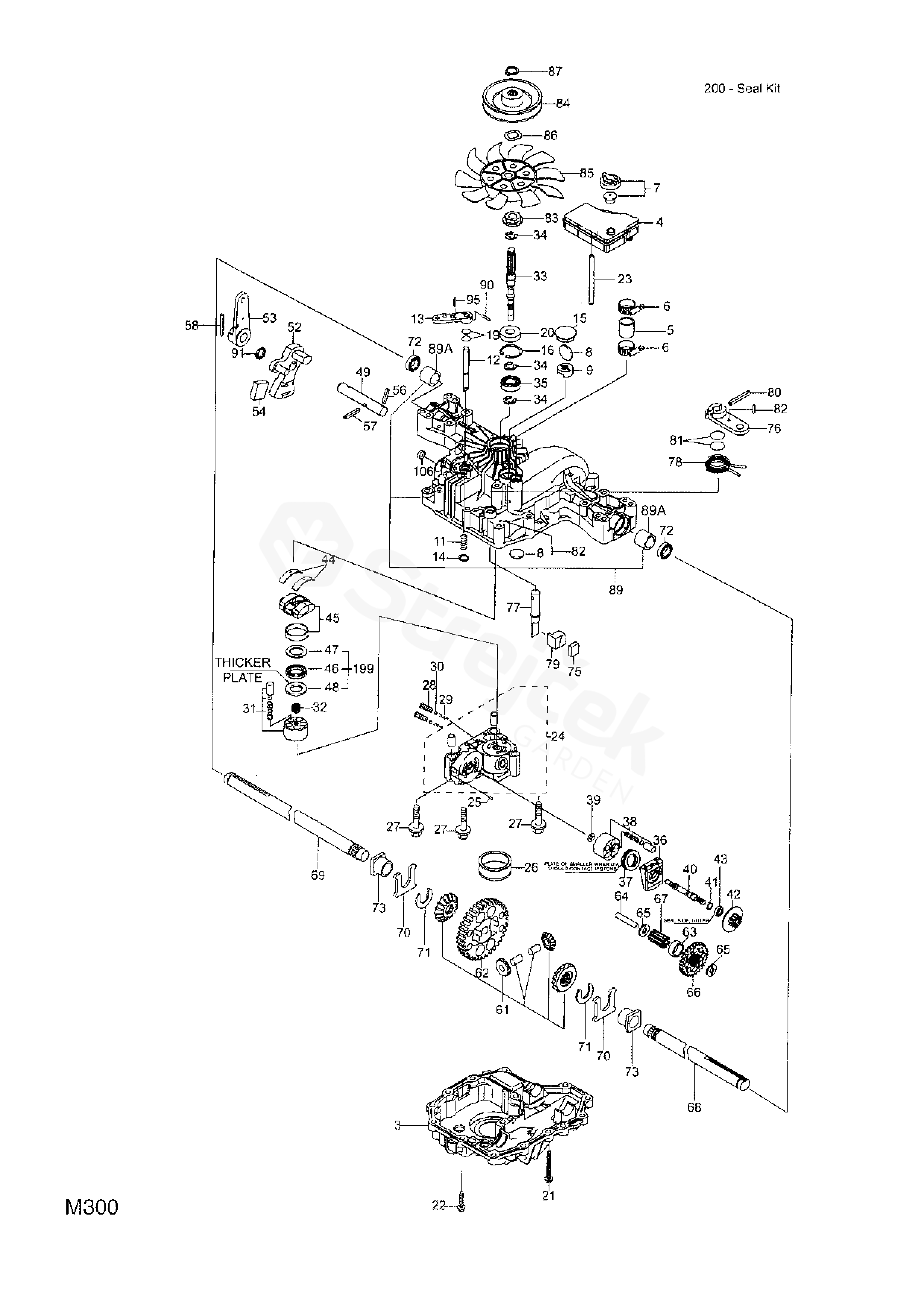
Kanzaki Transaxle K46T
1228H 1228H (2006)
Najeďte myší na rozkres
kolečko: přiblížení, levé tlačítko: pohyb
Další díly pro 1228H (2006)
3 Spodní Domek
K46T
1139-1297-01
4 Nádrž
K46T
1139-1476-01
5 TRUBKA
K46T
1139-1363-01
6 Cobra klip
K46T
1139-1336-01
7 Ventilační ventil Sestava
K46T
1139-1100-01
8 MAGNET
K46T
1139-1150-01
9 MAGNET HOLDER
K46T
1139-1341-01
11 PRUŽINA
K46T
1139-1347-01
12 Obtok hřídele
K46T
1139-1324-01
13 Páka obtoku
K46T
1139-1189-01
14 KROUŽEK
K46T
1139-1161-01
15 Díra plug
K46T
1139-1275-01
16 POJISTNÝ KROUŽEK
K46T
1139-1104-01
19 O-KROUŽEK
K46T
1139-1117-01
20 Těsnění 15 * 35 * 7
K46T
1139-1119-01
21 ŠROUB
K46T
1139-1295-01
22 ŠROUB
K46T
1139-0244-01
23 Nádrž Podpěra
K46T
1139-1305-01
24 CENTER CASE
K46T
1139-1364-01
25 KOLÍČEK
K46T
1139-1158-01
26 FILTER
K46T
1139-1405-01
27 ŠROUB
K46T
1139-1294-01
28 Ids ventil
K46T
1139-1242-01
29 PRUŽINA
K46T
1139-1243-01
30 FILTER
K46T
1139-1307-01
31 Sada bloků válců
K46T
1139-1356-01
32 Pumpovací pružina
K46T
1139-1245-01
33 PUMP SHAFT
K46T
1139-1477-01
34 KROUŽEK
K46T
1139-1146-01
35 KULIČKOVÉ LOŽISKO
K46T
1139-1110-01
36 KRYT
K46T
1139-1157-01
37 LOŽISKO
K46T
1139-1054-01
38 Válec blok Assy
K46T
1139-1139-01
39 PODLOŽKA
K46T
1139-1160-01
40 MOTOR SHAFT
K46T
1139-1353-01
41 POJISTNÝ KROUŽEK
K46T
1139-1021-01
42 Motorová převodovka
K46T
1139-1272-01
43 KULIČKOVÉ LOŽISKO
K46T
1139-1286-01
44 Použití 1139-1141-01
K46T
1139-1296-01
45 SWASH Deska
K46T
1139-1475-01
49 OVLÁDACÍ HŘÍDEL
K46T
1139-1354-01
52 CONTROL ARM
K46T
1139-1479-01
53 OVLÁDACÍ PÁČKA
K46T
1139-1313-01
54 Trhaný talíř
K46T
1139-1408-01
56 COTTER PIN
K46T
1139-1355-01
57 KOLÍČEK
K46T
1139-1329-01
58 KOLÍČEK
K46T
1139-1285-01
61 Sada diff.gear
K46T
1139-1404-01
62 FINAL GEAR
K46T
1139-1258-01
63 OBJÍMKA
K46T
1139-1255-01
64 Redukční hřídel
K46T
1139-1256-01
65 PODLOŽKA
K46T
1139-1398-01
66 Redukční převod
K46T
1139-1267-01
67 Konečné pastorek Gear
K46T
1139-1361-01
68 Hřídel nápravy-L
K46T
1139-1344-01
69 Hřídel nápravy-R
K46T
1139-1345-01
70 THRUST WASHER
K46T
1139-1078-01
71 KROUŽEK
K46T
1139-1163-01
72 Těsnění 19*32*8
K46T
1139-1080-01
73 BUSHING
K46T
1139-1164-01
75 BRZDOVÁ ČELIST
K46T
1139-1260-01
76 Brzdové rameno
K46T
1139-1261-01
77 BRAKE SHAFT
K46T
1139-1320-01
78 Vratná Pružina
K46T
1139-1263-01
79 BRAKE ACTUATOR
K46T
1139-1264-01
80 KOLÍČEK
K46T
1139-1282-01
81 O-KROUŽEK
K46T
1139-1114-01
82 KOLÍČEK
K46T
1139-1281-01
83 Spline límec
K46T
1139-1248-01
84 ŘEMENICE
K46T
1139-1478-01
85 VENTILÁTOR
K46T
1134-4190-01
86 PODLOŽKA
K46T
1139-1266-01
87 POJISTNÝ KROUŽEK
K46T
1139-1149-01
89 Domek-Horní
Pos 89A včetně _ K46T
1139-1470-01
90 KOLÍČEK
K46T
1139-1280-01
91 Těsnicí kroužek
K46T
1139-1303-01
95 KOLÍČEK
K46T
1139-1279-01
106 Těsnicí kryt
K46T
1139-1480-01
199 LOŽISKO
Pos 46 - 48 včetně _ K46T
1139-1362-01
200 Sada těsnění
Díly označené S _ K46T
1139-1403-01
89A BUSHING 1139-1414-01