Doručujeme do více než 25 zemí
info@sgarden.cz
Zaměřujeme se zvláště na náhradní díly, stačí kliknout
Přihlášení
/
Registrace
Přihlaste se
E-mail:
Heslo:
Zůstat přihlášen
Přihlásit se
Zapomenuté heslo?
Jsem tu nový:
registrovat
/
Odhlášení
CZ
€
CS
EN
€
Kč
Váš
KOŠÍK
čeká na naplnění
ks
Vysypat košík
Objednat
Opravdu
chcete
aby zůstal prázdný?
Ano, vysypat
Nechci
,
,
Náhradní díly
vše pro vaše stroje
Náhradní díly
>
Husqvarna
>
Sekačky na trávu
>
38045 38045, 380451, 2012-01
>
RÁM
zpět na
38045
38045, 380451, 2012-01
RÁM
38045
38045, 380451, 2012-01
Najeďte myší na rozkres
kolečko:
přiblížení, levé tlačítko:
pohyb
Další díly
pro
38045, 380451, 2012-01
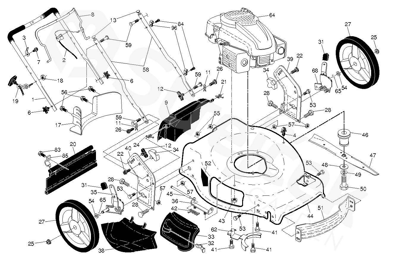
1
RUKOJEŤ KOMPL.
532427658
2
LANKO
532425923
3
DRŽÁK
532430034
4
SVORKA
532145006
6
KONFLÍK
532182398
7
ŠROUB
532178848
8
OVLÁDACÍ PÁKA
532433430
9
DVÍŘKA
532431390
11
HAIR PIN COTTER
532425575
12
KONFLÍK
532445019
13
ZÁSLEPKA
532437516
17
DEFLEKTOR
532427307
18
MATICE
532132004
19
VODÍTKO
532194788
20
SKIRT
532429157
21
PRUŽINA
532419949
22
ŠROUB
532141841
24
PRUŽINA
532419948
25
MATICE
532409149
26
ŠROUB
532419945
27
KOLO
532448173
28
ŠROUB
872250505
31
KONFLÍK
532701037
32
ZÁPADKA
532441192
33
MULCH DOOR
532419927
34
DRŽÁK
532438134
35
NASTAVOVACÍ PRVEK
VZADU, VPRAVO
532431140
36
ZÁVĚS
532175735
38
DEFLEKTOR
532426129
39
DRŽÁK RUKOJETI
532442531
40
DRŽÁK RUKOJETI
532440526
41
ŠROUB
532150406
42
ZÁVĚS
532193000
43
MATICE
532191730
44
KRYT
532440510
45
TYČ
532175650
46
ADAPTER
532421782
47
BLADE.22PLUS
532420463
48
PODLOŽKA
532851074
49
PODLOŽKA
532850263
50
ŠROUB
532851084
51
DEFLEKTOR
532430599
52
NÁLEPKA
532404763
53
ŠROUB
817000510
54
PODLOŽKA
532088348
55
MATICE
532191730
56
ŠROUB
817411312
57
MATICE
532155377
58
RUKOJEŤ
532441197
59
HANDLE BOLT
532191574
62
KRYT ŘEMENU
532425711
64
W/O DESCRIPTION
KOHLER XT173-0084 PRO SERVIS & DÍLY 1-800-544-2444
000000000
65
O-KROUŽEK
532197480
68
NASTAVOVACÍ PRVEK
VZADU, VLEVO
532431141
83
SCREW HEX HEAD RL508A/B
532750097
84
FASTENER
532428124
85
DRŽÁK
532434530
96
SVORKA
532197991