Doručujeme do více než 25 zemí
info@sgarden.cz
Zaměřujeme se zvláště na náhradní díly, stačí kliknout
Přihlášení
/
Registrace
Přihlaste se
E-mail:
Heslo:
Zůstat přihlášen
Přihlásit se
Zapomenuté heslo?
Jsem tu nový:
registrovat
/
Odhlášení
CZ
€
CS
EN
€
Kč
Váš
KOŠÍK
čeká na naplnění
ks
Vysypat košík
Objednat
Opravdu
chcete
aby zůstal prázdný?
Ano, vysypat
Nechci
,
,
Náhradní díly
vše pro vaše stroje
Náhradní díly
>
Castelgarden
>
Ridery
>
X1 X1 (2010)
>
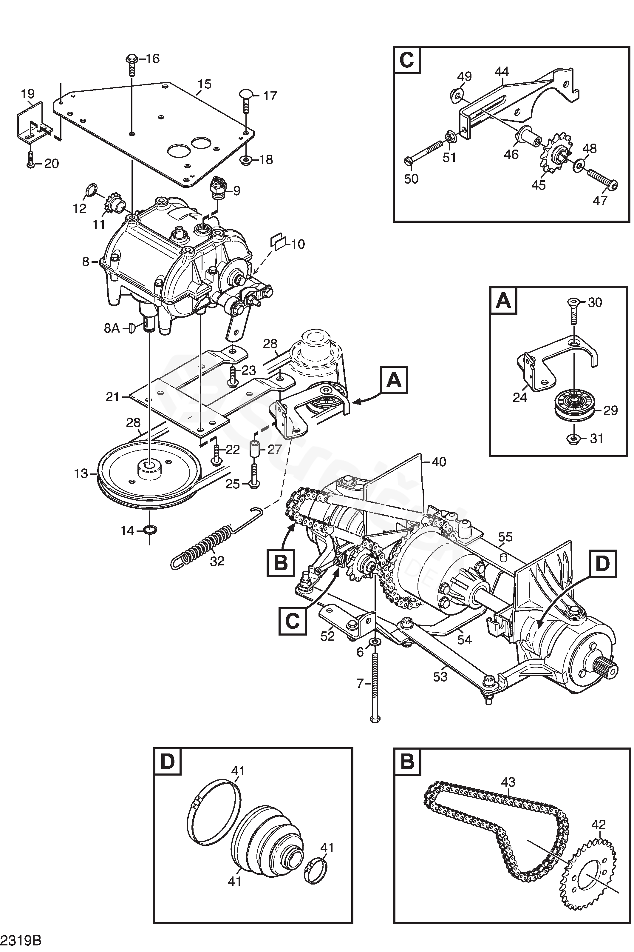
PŘEVODOVKA
zpět na
X1
X1 (2010)
PŘEVODOVKA
X1
X1 (2010)
Najeďte myší na rozkres
kolečko:
přiblížení, levé tlačítko:
pohyb
Další díly
pro
X1 (2010)
6
PODLOŽKA
9699-0090-02
7
ŠROUB
M8 x 140
9997-0814-02
8
Převodovka
1134-6717-01
9
Neutrální přepínač
Satz 2 St/kit 2
1134-7381-01
10
Sada brzdových destiček (2 ks)
1134-7382-01
11
ŘETĚZKA
1134-6652-01
12
LOCK RING
9651-0016-04
13
Řemenici řemene
1134-6494-01
14
POJISTNÝ KROUŽEK
9650-0016-04
15
Deska převodovky
1134-6481-01
16
ŠROUB
9945-0816-16
17
ŠROUB
9897-0850-12
18
MATICE
9739-0831-22
19
Neutrální stop Brkt
1134-6564-01
20
ŠROUB
9893-0616-16
21
OVLÁDACÍ PANEL
1134-6487-01
22
ŠROUB
9945-0816-16
23
ŠROUB
9958-0820-16
24
PÁKA SPOJKY
1134-6505-01
25
ŠROUB
1134-7829-01
27
ROZPĚRKA
1134-1565-06
28
V-ŘEMEN
9585-0174-01
29
Napínací válec (šedý)
1134-2989-02
30
ŠROUB
9924-1035-16
31
MATICE
9739-1031-22
32
PRUŽINA
1134-6692-01
40
ZADNÍ NÁPRAVA KOMPL.
Pos 41 - 55 vč.
1134-7760-01
41
Gumový kryt
Včetně svorek
1134-9142-01
42
CHAIN WHEEL
1134-6667-01
43
Řetěz W Cahain zámek
1134-7771-01
44
NAPÍNÁK ŘETĚZU
Pos 45 - 51 vč.
1134-7843-01
45
ŘETĚZKA
1134-3820-01
46
ROZPĚRKA
1134-7827-01
47
ŠROUB
9930-1045-16
48
PODLOŽKA
9699-0030-02
49
MATICE
9739-1031-22
50
ŠROUB
9865-0860-16
51
MATICE
9739-0831-22
52
Držák drátu
1134-6660-01
53
ŘÍDÍCÍ TYČ
1134-3247-06
54
Pobyt v řízení
1134-7826-01
55
CROSS BAR
1134-7759-01
8A
KLÁVESA
9600-0050-00