Doručujeme do více než 25 zemí
info@sgarden.cz
Zaměřujeme se zvláště na náhradní díly, stačí kliknout
Přihlášení
/
Registrace
Přihlaste se
E-mail:
Heslo:
Zůstat přihlášen
Přihlásit se
Zapomenuté heslo?
Jsem tu nový:
registrovat
/
Odhlášení
CZ
€
CS
EN
€
Kč
Váš
KOŠÍK
čeká na naplnění
ks
Vysypat košík
Objednat
Opravdu
chcete
aby zůstal prázdný?
Ano, vysypat
Nechci
,
,
Náhradní díly
vše pro vaše stroje
Náhradní díly
>
Castelgarden
>
Traktory
>
TCP 13,5/102 TCP 13,5/102 (2004)
>
CHASSIS
zpět na
TCP 13,5/102
TCP 13,5/102 (2004)
CHASSIS
TCP 13,5/102
TCP 13,5/102 (2004)
Najeďte myší na rozkres
kolečko:
přiblížení, levé tlačítko:
pohyb
Další díly
pro
TCP 13,5/102 (2004)
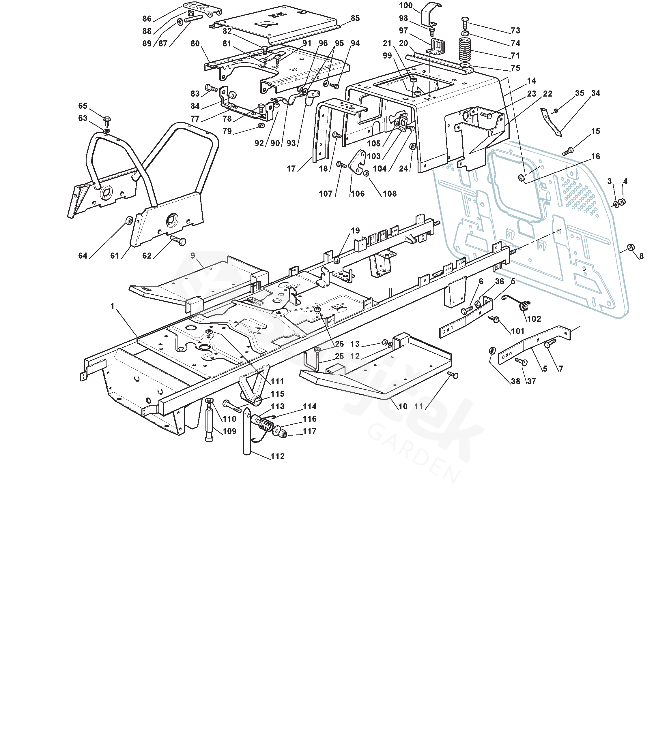
1
PODVOZEK
382800075/0
3
PODLOŽKA
112585100/0
4
MATICE
112295200/0
5
Tužící
325774273/1
6
ŠROUB
112691100/0
9
Podpora pravé stupaře
382510041/2
10
Levý kryt stupavky
382510043/1
11
ŠROUB
112815245/0
12
PODLOŽKA
112523040/0
14
Opěrka sedadel
325785133/4
15
ŠROUB
112791011/0
16
MATICE
112292102/0
17
Tužící
325650065/0
20
Tužící
325650067/0
21
MATICE
112360420/0
22
OPĚRNÁ MISKA
325785137/0
25
Řemen vodicí kolík
125580019/0
34
PRUŽINA
125430238/0
35
ŠROUB
112731580/0
36
MATICE
112293200/0
37
ŠROUB
112793102/0
38
MATICE
112293201/0
61
PODVOZEK
382650041/1
62
ŠROUB
112792611/0
63
PODLOŽKA
112521330/0
65
ŠROUB
112731350/0
71
PRUŽINA
125430205/1
73
ŠROUB
125943001/0
75
PODLOŽKA
112523070/0
77
Podpora svorky sedadla
382774207/0
80
Pevná podpora sedadel
325785149/2
81
PRUŽINA
125430203/0
83
Opěra PIN
122524970/1
84
MATICE
112155010/0
85
Opěrka sedadel
325785147/0
86
Dorazová páka
325318109/0
87
KOLÍČEK
125510000/0
88
PRUŽINA
125430202/0
89
Elastická podložka
112604897/0
90
PRUŽINA
125430223/2
93
Vačka spínače sedadla
325060033/0
94
ŠROUB
112815050/0
95
PODLOŽKA
112521320/0
97
DRŽÁK
325755025/1
98
ŠROUB
112735110/0
99
DESKA
112437502/0
100
PRUŽINA
325430255/0
101
ŠROUB
112735120/0
102
PRUŽINA
125430235/0
103
DRŽÁK
325755016/0
104
ŠROUB
112789000/0
105
MATICE
112154330/0
106
BOTA
125486020/0
109
Řemen vodicí kolík
125580014/1
110
PODLOŽKA
112523060/0
111
MATICE
112360425/0
112
Řemen vodicí kolík
125580022/0
113
ROZPĚRKA
125160032/0
114
PODLOŽKA
125430241/0
115
ŠROUB
112689515/0
116
PODLOŽKA
112523050/0
117
MATICE
112154510/0