CZ
Váš KOŠÍK
čeká na naplnění

ks
Vysypat košík Objednat
Opravdu
chcete
aby zůstal prázdný?
Ano, vysypat Nechci
Náhradní díly
vše pro vaše stroje
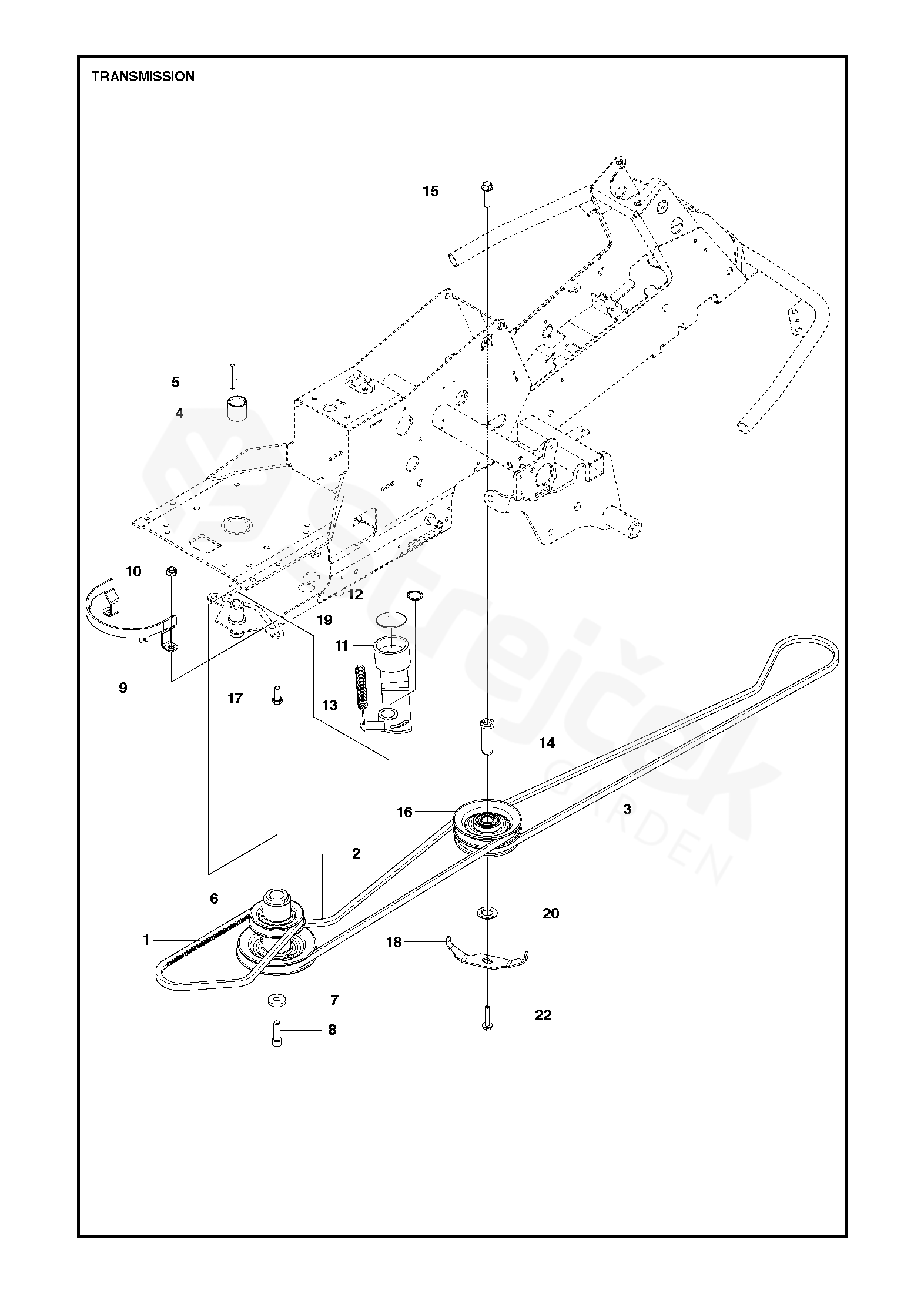
PŘEVODY
R214 T R214 T, 967062902, 2017-01
Najeďte myší na rozkres
kolečko: přiblížení, levé tlačítko: pohyb
Další díly pro R214 T, 967062902, 2017-01
1 ŘEMEN 522930301
2 ŘEMEN 544400201
3 ŘEMEN 585034401
4 ROZPĚRNÉ POUZDRO 506509201
5 KLÍN 506555901
6 ŘEMENICE 535482401
7 PODLOŽKA 506597501
8 SCREW UNC 506556002
9 VODÍTKO ŘEMENU 587425201
10 MATICE 732212051
11 NAPÍNÁK ŘEMENU KOMPL. 535484401
12 POJISTNÝ KROUŽEK 735312600
13 PRUŽINA 506665601
14 HRÍDEL 581916401
15 ŠROUB EHHFM 506675402
16 MELLANHJUL 535482201
17 ŠROUB EHHM 725249371
18 VODÍTKO ŘEMENU 544405301
19 TĚSNĚNÍ 535485001
20 VZDÁLENOST 586320201
22 ŠROUB 586320401