Doručujeme do více než 25 zemí
info@sgarden.cz
Zaměřujeme se zvláště na náhradní díly, stačí kliknout
Přihlášení
/
Registrace
Přihlaste se
E-mail:
Heslo:
Zůstat přihlášen
Přihlásit se
Zapomenuté heslo?
Jsem tu nový:
registrovat
/
Odhlášení
CZ
€
CS
EN
€
Kč
Váš
KOŠÍK
čeká na naplnění
ks
Vysypat košík
Objednat
Opravdu
chcete
aby zůstal prázdný?
Ano, vysypat
Nechci
,
,
Náhradní díly
vše pro vaše stroje
Náhradní díly
>
Husqvarna
>
Ridery
>
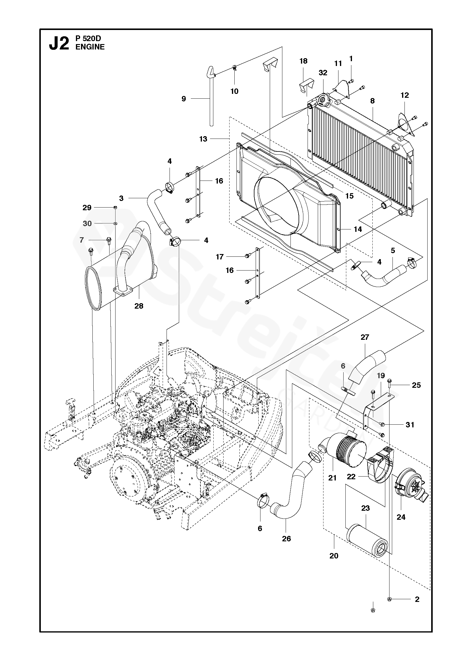
P520 D P520 D, 967019501, serial no. 20120100001 ->, 2012
>
MOTOR
zpět na
P520 D
P520 D, 967019501, serial no. 20120100001 ->, 2012
MOTOR
P520 D
P520 D, 967019501, serial no. 20120100001 ->, 2012
Najeďte myší na rozkres
kolečko:
přiblížení, levé tlačítko:
pohyb
Další díly
pro
P520 D, 967019501, serial no. 20120100001 ->, 2012
1
ŠROUB IHSCM
725544901
2
NUT FLANGE
576645704
3
HADICE
575970401
4
HADICOVÁ SVĚRKA
544202702
5
HADICE
575970501
6
HADICOVÁ SVĚRKA
544202703
7
ŠROUB EHHFM
506675401
8
CHLADIČ
575970101
9
PALIVOVÁ HADIČKA
544282506
10
HADICOVÁ SVĚRKA
544282601
11
PŘEPÁŽKA
577093301
12
PŘEPÁŽKA
577093401
13
OPLÁŠTĚNÍ
575970601
14
OPLÁŠTĚNÍ
576281401
15
TĚSNĚNÍ
576990401
16
DESKA
577807801
17
ŠROUB EHHFM
506570104
18
SVORKA
577407601
19
DRŽÁK
576677801
20
ČISTIČ VZDUCHU
576379601
21
VZDUCHOVÝ FILTR
576379501
22
DRŽÁK
522598401
23
VZDUCHOVÝ FILTR
544283001
24
VZDUCHOVÝ FILTR
581515901
25
ŠROUB EHHFM
506570106
26
HADICE
575970301
27
HADICE
575970201
28
TLUMIČ VÝFUKU
575962101
29
ŠESTIHRANNÁ MATICE
731231801
30
PODLOŽKA
734116401
31
ŠROUB EHHFM
506570103
32
KRYT STŘEDU
577093501