Doručujeme do více než 25 zemí
info@sgarden.cz
Zaměřujeme se zvláště na náhradní díly, stačí kliknout
Přihlášení
/
Registrace
Přihlaste se
E-mail:
Heslo:
Zůstat přihlášen
Přihlásit se
Zapomenuté heslo?
Jsem tu nový:
registrovat
/
Odhlášení
CZ
€
CS
EN
€
Kč
Váš
KOŠÍK
čeká na naplnění
ks
Vysypat košík
Objednat
Opravdu
chcete
aby zůstal prázdný?
Ano, vysypat
Nechci
,
,
Náhradní díly
vše pro vaše stroje
Náhradní díly
>
Castelgarden
>
Vžínače/křovinořezy
>
BC 430 BC 430 (2002)
>
MOTOR
zpět na
BC 430
BC 430 (2002)
MOTOR
BC 430
BC 430 (2002)
Najeďte myší na rozkres
kolečko:
přiblížení, levé tlačítko:
pohyb
Další díly
pro
BC 430 (2002)
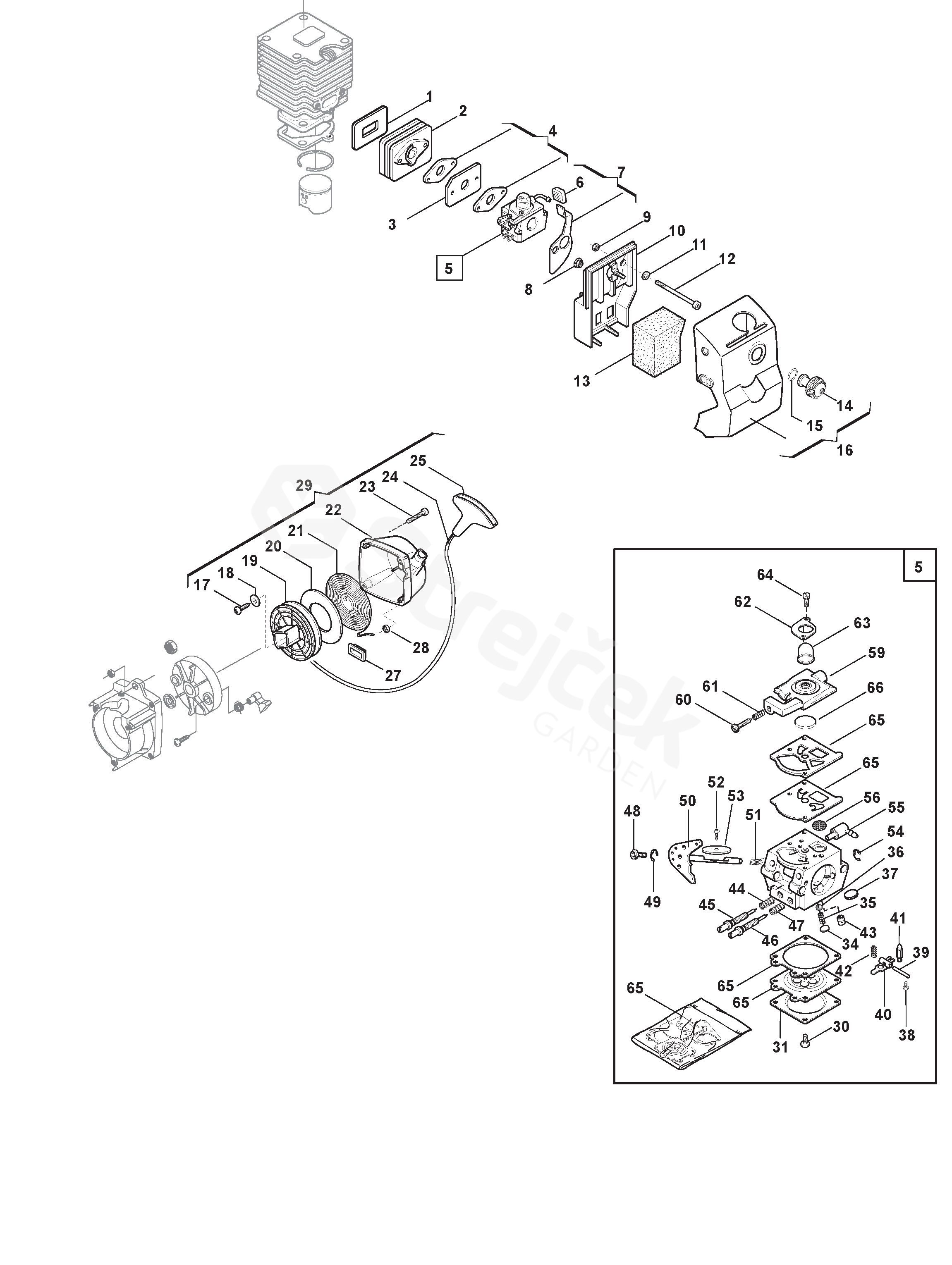
1
Těsnění sání
3724170
2
Sání
3749740
3
Tepelný blok
3785040
4
Těsnění sání karburátoru
3724020
5
CARBURETOR
4253100
6
KONFLÍK
3745550
7
PÁČKA SYTIČE
8613450
8
BUSHING
2382150
9
BUSHING
2382140
10
DRŽÁK VZDUCHOVÉHO FILTRU
3749943
11
PODLOŽKA
3613340
12
ŠROUB
2135230
13
VZDUCHOVÝ FILTR
3781480
14
Krycí víčko Vzduchový filtr, Červená
8749953
15
POJISTNÝ KROUŽEK
3356030
16
Capot Filtre Dc 42/52 Rosso
4251523
17
ŠROUB
2123100
18
PODLOŽKA
3613420
19
KLADKA STARTOVÁNÍ
4562440
20
Disk pro startovací pružinu
3724200
21
Startovací pružina
4611480
22
Startér Sestava žlutá
8562340
23
ŠROUB
2135040
24
STARTER CORD
3784010
25
RUKOJEŤ STARTOVÁNÍ
3750067
27
PRŮCHODKA
3745530
28
PODLOŽKA
2330020
29
STARTÉR KOMPL.
4251510
30
ŠROUB
2652430
31
Kryt
3611510
34
ZÁSLEPKA
3613640
35
POJISTNÝ KROUŽEK
3356080
36
Malý filtr
3781460
37
WELCH PLUG
3613630
38
ŠROUB
2652610
39
Opěra PIN
3640820
40
OVLÁDACÍ PÁČKA
3612470
41
Injekční jehla
3630210
42
PRUŽINA
3654080
43
VENTIL
3642480
44
PRUŽINA
3654100
45
ŠROUB
2653360
46
ŠROUB
2653370
47
PRUŽINA
3654110
48
OTOČNÝ
3642470
49
POJISTNÝ KROUŽEK
3351090
50
Závěrková hřidel
3642460
51
PRUŽINA
3654120
52
ŠROUB
2652390
53
CLONA
3613750
54
POJISTNÝ KROUŽEK
3351060
55
Engelsk Benämning
3749670
56
PALIVOVÝ FILTR
3781450
59
PUMP Kryt
3660490
60
ŠROUB
2653310
61
PRUŽINA
3654140
62
Čerpadlo krytu primeru
3613730
63
Vzduchové proplachovací čerpadlo
3744740
64
ŠROUB
2653350
65
Sada membránových těsnění
8724150
66
Krycí ventil čerpadla
3744750