Doručujeme do více než 25 zemí
info@sgarden.cz
Zaměřujeme se zvláště na náhradní díly, stačí kliknout
Přihlášení
/
Registrace
Přihlaste se
E-mail:
Heslo:
Zůstat přihlášen
Přihlásit se
Zapomenuté heslo?
Jsem tu nový:
registrovat
/
Odhlášení
CZ
€
CS
EN
€
Kč
Váš
KOŠÍK
čeká na naplnění
ks
Vysypat košík
Objednat
Opravdu
chcete
aby zůstal prázdný?
Ano, vysypat
Nechci
,
,
Náhradní díly
vše pro vaše stroje
Náhradní díly
>
Husqvarna
>
Ridery
>
PROFLEX 18 PROFLEX 18, 2003-02
>
PŘEVODY
zpět na
PROFLEX 18
PROFLEX 18, 2003-02
PŘEVODY
PROFLEX 18
PROFLEX 18, 2003-02
Najeďte myší na rozkres
kolečko:
přiblížení, levé tlačítko:
pohyb
Další díly
pro
PROFLEX 18, 2003-02
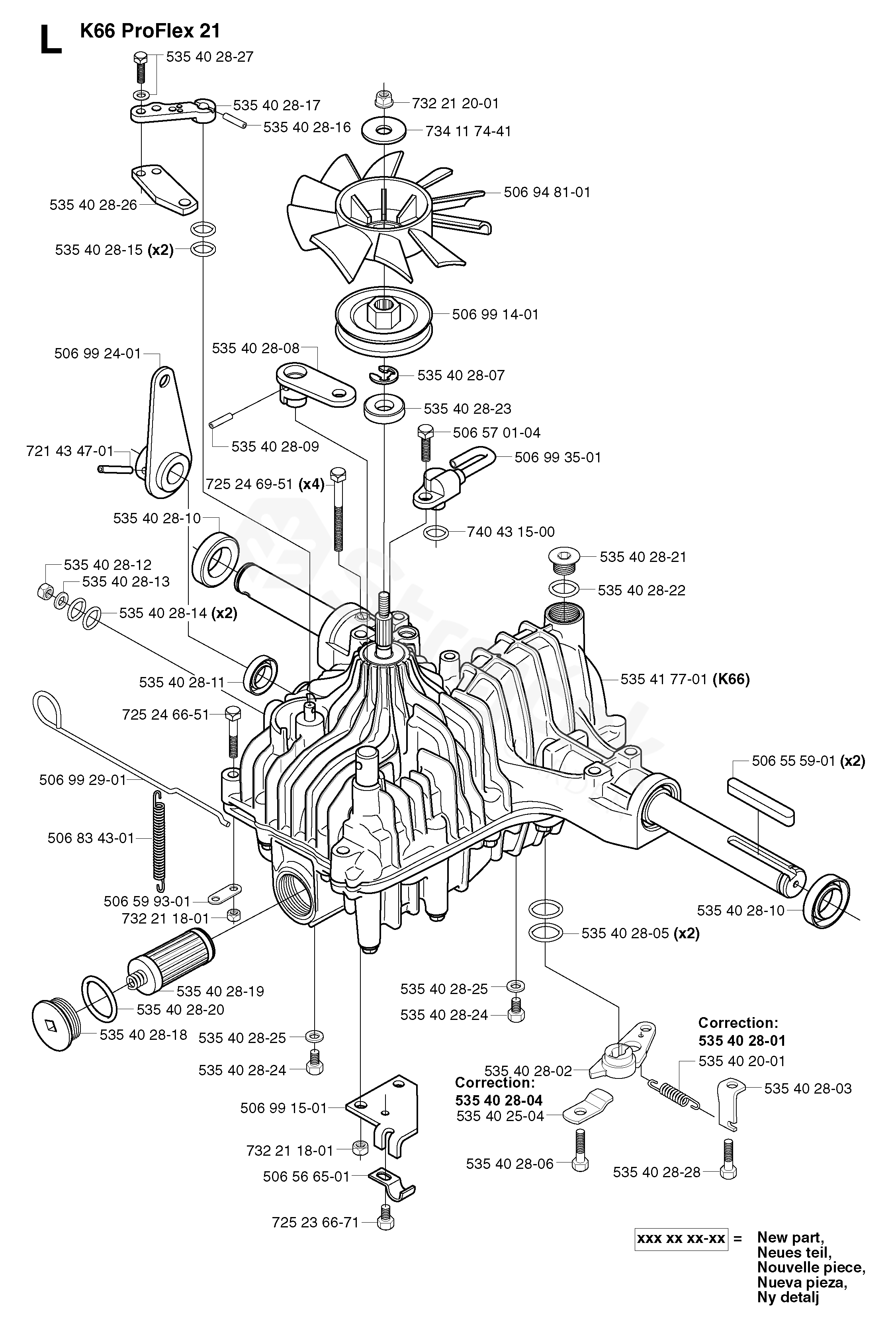
506555901
KLÍN
506555901
506566501
SVORKA
506566501
506570104
ŠROUB EHHFM
506570104
506599301
ČLÁNEK
506599301
506834301
PRUŽINA
506834301
506948101
VENTILÁTOR
506948101
506991401
ŘEMENICE
506991401
506991501
DRŽÁK
506991501
506992401
PÁKA
506992401
506992901
FRIKOPPLINGSSTÅNG
506992901
506993501
HADICOVÁ SVĚRKA
506993501
535402001
KABELÁŽ
535402001
535402504
DRŽÁK
535402504
535402801
PRUŽINA
Oprava:
535402801
535402802
PÁKA
535402802
535402803
ZÁPADKA
535402803
535402804
HOLDER
Oprava:
535402804
535402805
O-KROUŽEK
535402805
535402806
ŠROUB
535402806
535402807
SVORKA
535402807
535402808
PÁKA BRZDY
535402808
535402809
PIN RETAINING SCREW
535402809
535402810
TĚSNĚNÍ
535402810
535402811
TĚSNĚNÍ
535402811
535402812
MATICE
535402812
535402813
PODLOŽKA
535402813
535402814
O-KROUŽEK
535402814
535402815
O-KROUŽEK
535402815
535402816
PIN RETAINING SCREW
535402816
535402817
PÁKA
535402817
535402818
COVER
535402818
535402819
FILTER
535402819
535402820
O-KROUŽEK
535402820
535402821
COVER
535402821
535402822
O-KROUŽEK
535402822
535402823
TĚSNĚNÍ
535402823
535402824
ŠROUB
535402824
535402825
PODLOŽKA
535402825
535402826
PÁKA
535402826
535402827
ŠROUB
535402827
535402828
ŠROUB
535402828
535417701
PŘEVODOVKA
K66
535417701
721434701
ČEP PRUŽINY
721434701
725236671
ŠROUB EHHM
725236671
725246651
ŠROUB
725246651
725246951
ŠROUB EHHM
725246951
732211801
LOCK NUT
732211801
732212001
MATICE
732212001
734117441
PODLOŽKA
734117441
740431500
O-KROUŽEK
740431500