Doručujeme do více než 25 zemí
info@sgarden.cz
Zaměřujeme se zvláště na náhradní díly, stačí kliknout
Přihlášení
/
Registrace
Přihlaste se
E-mail:
Heslo:
Zůstat přihlášen
Přihlásit se
Zapomenuté heslo?
Jsem tu nový:
registrovat
/
Odhlášení
CZ
€
CS
EN
€
Kč
Váš
KOŠÍK
čeká na naplnění
ks
Vysypat košík
Objednat
Opravdu
chcete
aby zůstal prázdný?
Ano, vysypat
Nechci
,
,
Náhradní díly
vše pro vaše stroje
Náhradní díly
>
Husqvarna
>
Sněhové frézy
>
ST 268EPT ST 268EPT, 96191005005, 2013-07
>
NÁHON
zpět na
ST 268EPT
ST 268EPT, 96191005005, 2013-07
NÁHON
ST 268EPT
ST 268EPT, 96191005005, 2013-07
Najeďte myší na rozkres
kolečko:
přiblížení, levé tlačítko:
pohyb
Další díly
pro
ST 268EPT, 96191005005, 2013-07
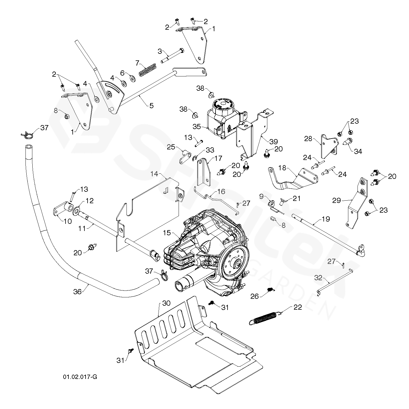
1
DRŽÁK
532443344
2
ŠROUB
817541008
3
CAPSCREW
874760552
4
PODLOŽKA
532179246
5
PÁKA KOMPL.
532192001
6
PODLOŽKA
532155415
7
PRUŽINA
532192195
8
LOCK NUT
873800500
9
DRŽÁK
532429803
10
RAMENO
532443191
11
HRÍDEL
532427542
12
VALVE DE VIDANGE MOTEUR
532188906
13
KOLÍČEK
532198580
14
DESKA
580750602
15
PŘEVODOVKA
532445058
16
TYČ
532193256
17
DRŽÁK
532429805
18
SPEED CONTROL ARM, HYDRO
532187787
19
SPOJKA
532198251
20
ŠROUB
532428867
21
ŠROUB
532180355
22
PRUŽINA
532178828
23
MATICE
873800400
24
POP RIVET
532191995
25
SPOJKA
532198249
26
SPRING, TRACTION IDLER
532192873
27
SVORKA
532700279
28
DRŽÁK
532407858
29
PÁSEK
532414771
30
COVER
585166802
31
ŠROUB
532443384
32
TYČ
532446293
33
E-RING
532428288
34
ŠROUB
817060516
35
NÁDRŽ
574811301
36
HADICE
580750801
37
SVORKA
532445298
38
ŠROUB
532189241
39
DRŽÁK
580750902