CZ
Váš KOŠÍK
čeká na naplnění

ks
Vysypat košík Objednat
Opravdu
chcete
aby zůstal prázdný?
Ano, vysypat Nechci
Náhradní díly
vše pro vaše stroje
NÁHON
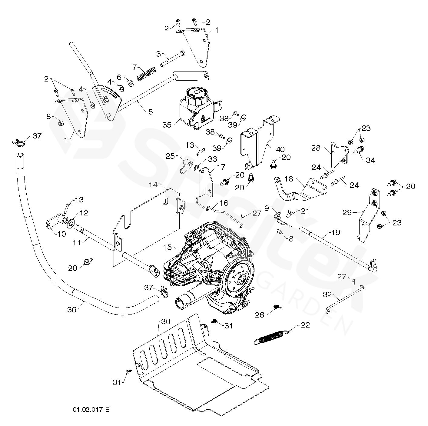
ST 276EPT ST 276EPT, 96191005101, 2012-07
Najeďte myší na rozkres
kolečko: přiblížení, levé tlačítko: pohyb
Další díly pro ST 276EPT, 96191005101, 2012-07
1 DRŽÁK 532443344
2 ŠROUB 817501010
3 CAPSCREW 874760552
4 PODLOŽKA 532179246
5 PÁKA KOMPL. 532192001
6 PODLOŽKA 532155415
7 PRUŽINA 532192195
8 LOCK NUT 873800500
9 DRŽÁK 532429803
10 RAMENO 532443191
11 HRÍDEL 532427542
12 VALVE DE VIDANGE MOTEUR 532188906
13 KOLÍČEK 532198580
14 DESKA 580750602
15 PŘEVODOVKA 532445058
16 TYČ 532193256
17 DRŽÁK 532429805
18 SPEED CONTROL ARM, HYDRO 532187787
19 SPOJKA 532198251
20 ŠROUB 532428867
21 ŠROUB 532180355
22 PRUŽINA 532178828
23 MATICE 873800400
24 POP RIVET 532191995
25 SPOJKA 532198249
26 SPRING, TRACTION IDLER 532192873
27 SVORKA 532700279
28 DRŽÁK 532407858
29 PÁSEK 532414771
30 COVER 580750702
31 ŠROUB 532443384
32 TYČ 532446293
33 E-RING 532428288
34 ŠROUB 817060516
35 NÁDRŽ 574811301
36 HADICE 580750801
37 SVORKA 532445298
38 ŠROUB 817541008
39 PODLOŽKA 532053847
40 DRŽÁK 580750902