Doručujeme do více než 25 zemí
info@sgarden.cz
Zaměřujeme se zvláště na náhradní díly, stačí kliknout
Přihlášení
/
Registrace
Přihlaste se
E-mail:
Heslo:
Zůstat přihlášen
Přihlásit se
Zapomenuté heslo?
Jsem tu nový:
registrovat
/
Odhlášení
CZ
€
CS
EN
€
Kč
Váš
KOŠÍK
čeká na naplnění
ks
Vysypat košík
Objednat
Opravdu
chcete
aby zůstal prázdný?
Ano, vysypat
Nechci
,
,
Náhradní díly
vše pro vaše stroje
Náhradní díly
>
ST S p A
>
Kultivátory
>
REAR MOUNT ROTOVATOR 50 CM REAR MOUNT ROTOVATOR 50 CM (2014)
>
RUKOJEŤ
zpět na
REAR MOUNT ROTOVATOR 50 CM
REAR MOUNT ROTOVATOR 50 CM (2014)
RUKOJEŤ
REAR MOUNT ROTOVATOR 50 CM
REAR MOUNT ROTOVATOR 50 CM (2014)
Najeďte myší na rozkres
kolečko:
přiblížení, levé tlačítko:
pohyb
Další díly
pro
REAR MOUNT ROTOVATOR 50 CM (2014)
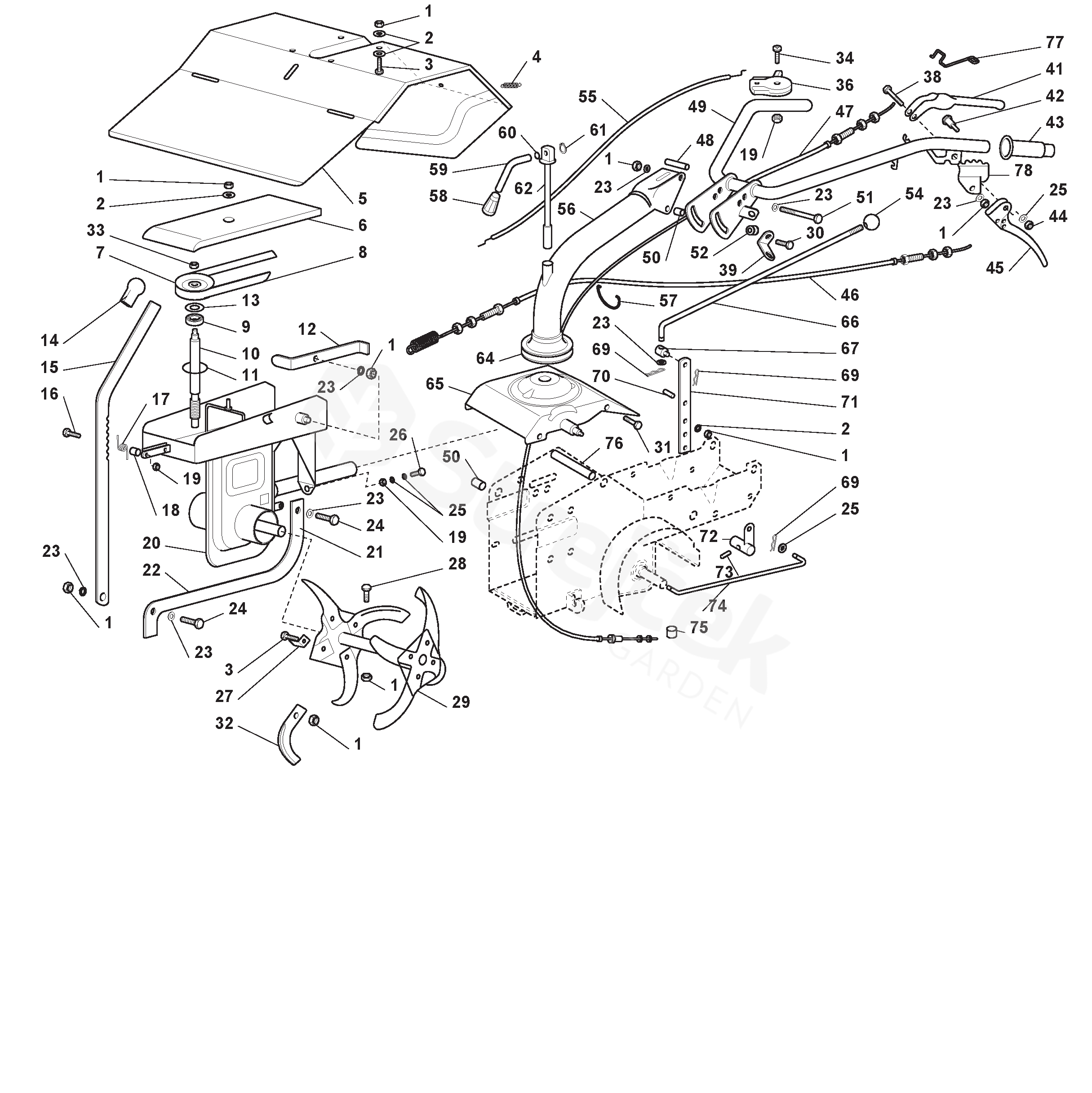
1
MATICE
9747-0831-02
2
PODLOŽKA
9699-0122-02
3
ŠROUB
9997-0820-16
4
PRUŽINA
118800015/0
5
Bílý kryt Ozubení
118800071/0
6
Kryt
118800515/0
7
ŘEMENICE
118800007/0
8
ŘEMEN
118800006/0
9
KULIČKOVÉ LOŽISKO
1483-2071-01
10
ŠROUB
118800516/0
11
O Kroužek
1483-2189-01
12
PÁKA
118800514/0
13
ROZPĚRKA
1483-2020-01
14
Černý knoflík
118800072/0
15
Příkaz páky
118800073/0
16
ŠROUB
112674550/0
17
Zamykací páková pružina
118800074/0
18
BUSHING
118800513/0
19
Matice
9747-0631-02
20
Bílý podvozek Ozubení
118800075/0
21
OIL SEAL
1483-2069-01
22
Podnět
118800076/0
23
PODLOŽKA
9699-0028-02
24
ŠROUB
9997-0825-16
25
PODLOŽKA
1483-2194-01
26
ŠROUB
9997-0616-16
27
Standardní čepel
118800077/0
28
ŠROUB
9997-0835-12
29
Levý Ozubení Sestava
118800009/0
30
ŠROUB
9959-0825-16
31
ŠROUB
9959-0816-16
32
Pravý Ozubení
1483-2013-01
33
MATICE
9799-1231-02
34
ŠROUB
9948-0655-16
38
ŠROUB
9997-0850-12
39
OPĚRNÁ MISKA
1483-2021-01
41
PÁKA
118800003/0
42
ŠROUB
1483-2005-01
43
Rukojeti
1483-2079-01
44
MATICE
9747-0531-02
45
RUKOJEŤ
1483-2008-01
46
Převodová spojka
118800005/0
47
Převodová spojka
118800004/0
48
KOLÍČEK
118800078/0
49
Černá rukojeť
118800080/0
50
ROZPĚRKA
1483-2108-01
51
ŠROUB
112692050/0
52
Propustkovací drát
118800492/0
54
KONFLÍK
118800079/0
57
HÁK
118800495/0
58
KONFLÍK
118800300/0
59
RUKOJEŤ
118800301/0
60
Nebo prsten
118800524/0
61
Benzovací kroužek
118800522/0
62
ŠROUB
118800010/0
64
DISK
1483-2078-01
66
Tyč spojka převodovka
118800085/0
67
Spojovací tyč
118800086/0
69
Bezpečnostní kolík
118800087/0
70
KOLÍČEK
118800528/0
71
PÁKA
118800510/0
72
PÁKA
118800328/0
73
KOLÍČEK
118800381/0
74
Tyčové ozubení
118800088/0
75
Fairlead
118800002/0
76
ROZPĚRKA
118800509/0
77
Zamykací páková pružina
118800089/0
78
DESKA
1483-2333-01