CZ
Váš KOŠÍK
čeká na naplnění

ks
Vysypat košík Objednat
Opravdu
chcete
aby zůstal prázdný?
Ano, vysypat Nechci
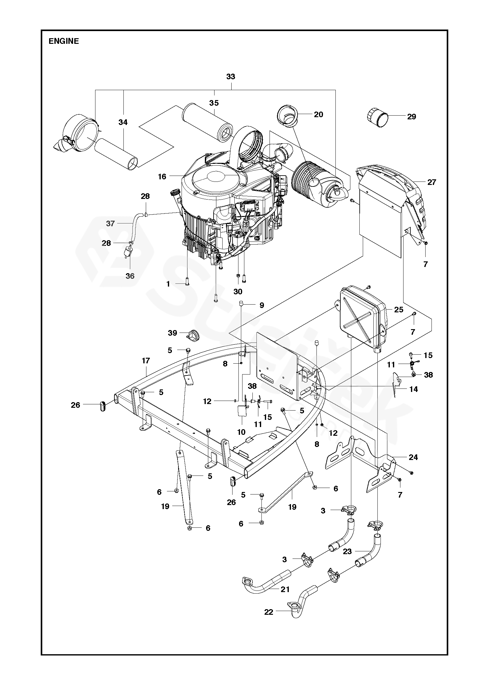
MOTOR
HUSQVARNA P 524EFI HUSQVARNA P 524EFI (967848101 - 7391736549820)
Najeďte myší na rozkres
kolečko: přiblížení, levé tlačítko: pohyb
Další díly pro HUSQVARNA P 524EFI
1 ŠROUB 577094801
3 CLAMP ASSY 501152201
5 ŠROUB EHHFM 535475212
6 NUT FLANGE 576645704
7 ŠROUB EHHFM 506570105
8 LOCK NUT 732211401
9 NÁRAZNÍK 504638801
10 ZÁPADKA 504613403
11 PRUŽINA 504639001
12 MATICE 732211601
14 ZÁPADKA 504613404
15 ŠROUB EHHFM 535475230
16 MOTOR 590753101
17 RÁM MTORU 592651601
19 OPĚRNÁ MISKA 576878201
20 PŘEPÁŽKA 590753301
21 PŘÍRUBA 590754502
22 PŘÍRUBA 590754501
23 VÝFUKOVÁ ROURA 590754601
24 TEPELNÝ ŠTÍT 593590101
25 TLUMIČ VÝFUKU KOMPL. 590753801
26 ZÁSLEPKA 504643601
27 TEPELNÝ ŠTÍT 592723801
28 HOSE BRACE 535469701
29 OLEJOVÝ FILTR 578159201
30 ŠESTIHRANNÁ MATICE 731231801
33 VZDUCHOVÝ FILTR 582092801
34 VZDUCHOVÝ FILTR 585408002
35 VZDUCHOVÝ FILTR 585408001
36 PALIVOVÝ FILTR 595927301
37 POTRUBÍ 535414495
38 POUZDRO 584659001
39 HADICOVÁ SVĚRKA 574531202