CZ
Váš KOŠÍK
čeká na naplnění

ks
Vysypat košík Objednat
Opravdu
chcete
aby zůstal prázdný?
Ano, vysypat Nechci
DÍLY PRO OPRAVY
Hydro Gear Transmission 321-0510 Hydro Gear Transmission 321-0510 (548448122 - )
Najeďte myší na rozkres
kolečko: přiblížení, levé tlačítko: pohyb
Další díly pro Hydro Gear Transmission 321-0510
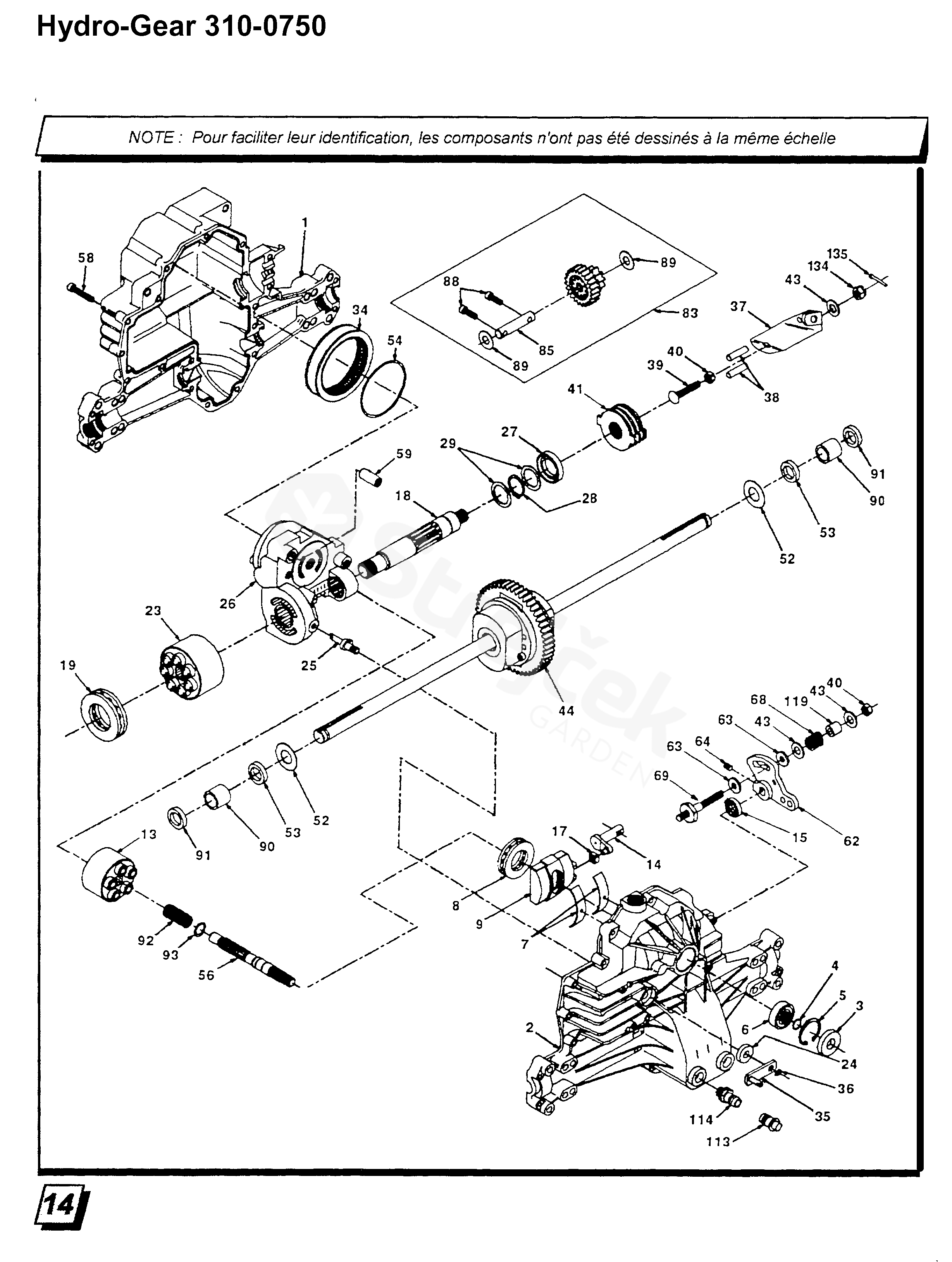
1 KRYT 532142930
2 KRYT 532142931
3 TĚSNĚNÍ 532142932
4 RETAINING RING 532142928
5 POUZDRO 532142933
6 LOŽISKO 532142934
7 LOŽISKO 532142935
8 LOŽISKO 532142936
9 DESKA 532142937
13 BLOK 532142938
14 PÁKA 532142939
15 TĚSNĚNÍ 532142940
17 VODÍTKO 532142941
18 MOTOR SHAFT 532142942
19 LOŽISKO 532142943
23 BLOK 532142944
24 TĚSNĚNÍ 532142945
25 VENTIL 532142946
26 JEU SECTION CENTRALE 532142947
27 TĚSNĚNÍ 532142948
28 KROUŽEK 532142949
29 PODLOŽKA 532142950
34 OILFILTER 532142951
35 PÁKA 532142952
36 KROUŽEK 532142953
37 LEVER 532142954
38 PIN RETAINING SCREW 532142955
39 ŠROUB 532142956
40 LOCKNUT 532142957
41 BRAKE ROTOR/STATOR KIT 532142958
43 PODLOŽKA 532142884
44 KIT DIFFERENTIEL 532142959
52 PODLOŽKA 532142960
53 TĚSNĚNÍ 532142961
54 O-KROUŽEK 532142962
56 HRÍDEL 532142963
58 ŠROUB 532142964
59 PIN RETAINING SCREW 532142965
62 PÁKA 532142966
63 NÁRAZNÍK 532142967
64 ŠROUB 532142920
68 PRUŽINA 532142969
69 ŠROUB 532142970
83 LOŽISKO 532142971
85 JACK SHAFT 532142972
88 ŠROUB 532142973
89 PODLOŽKA 532142974
90 POUZDRO 532142975
91 TĚSNĚNÍ 532142976
92 PRUŽINA 532142977
93 PODLOŽKA 532142978
113 VENTIL 532142917
114 VSUVKA 532142918
119 ROZPĚRKA 532142980
134 MATICE 532144607
135 PIN RETAINING SCREW 532144608