CZ
Váš KOŠÍK
čeká na naplnění

ks
Vysypat košík Objednat
Opravdu
chcete
aby zůstal prázdný?
Ano, vysypat Nechci
Náhradní díly
vše pro vaše stroje
PŘEVODY
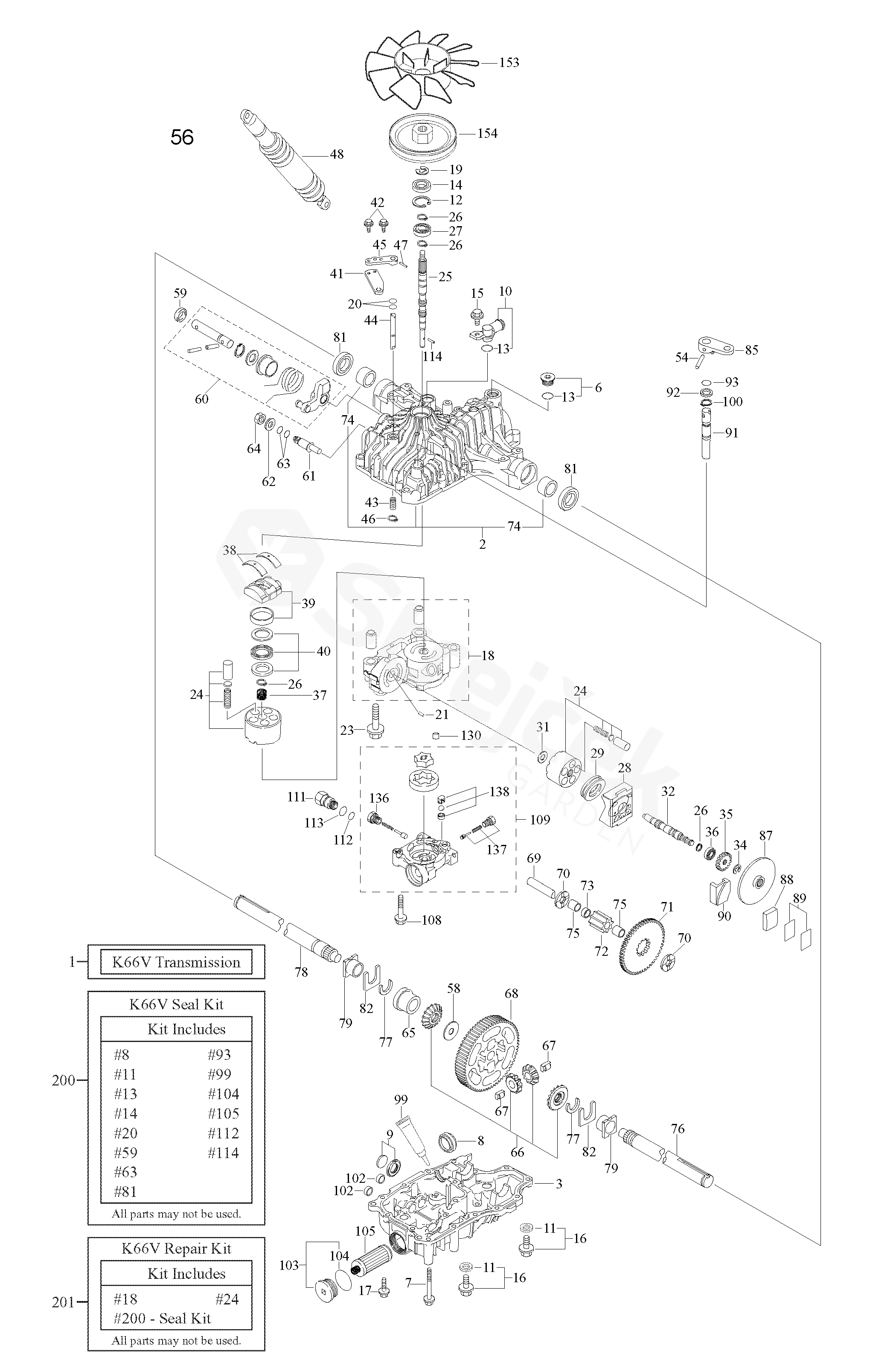
ENGINE TRANSMISSION K66V, 2007-10
Najeďte myší na rozkres
kolečko: přiblížení, levé tlačítko: pohyb
Další díly pro K66V, 2007-10
1 PŘEVODOVKA 535417701
2 UPPER CASE KIT 502449101
3 LOWER CASE 502450101
6 COVER 535402821
7 ŠROUB 535414683
8 FILTER 535414623
9 MAGNET 535414694
10 FITINK 502450201
11 PODLOŽKA 535402825
12 RETAINING RING 535402850
13 O-KROUŽEK 535402822
14 TĚSNĚNÍ 506957201
15 ŠROUB 502462801
16 ŠROUB 535402824
17 ŠROUB 535402828
18 DOMEČEK LOŽISKA 535414625
19 SVORKA 535402807
20 O-KROUŽEK 535402815
21 PIN RETAINING SCREW 535402858
23 ŠROUB 502462901
24 VÁLEC 535402874
25 HRÍDEL 535414666
26 RETAINING RING 535402881
27 LOŽISKO 535402871
28 KRYT 535414622
29 LOŽISKO 535414682
31 PODLOŽKA 535402879
32 HRÍDEL 535414628
34 O-KROUŽEK 535414629
35 OZUBENÉ SOUKOLÍ 535414667
36 LOŽISKO 535414704
37 PRUŽINA 535414685
38 DESKA 535414686
39 SWASH PLATE 535414633
40 LOŽISKO 535414687
41 PÁKA 535402826
42 ŠROUB 535402827
43 PRUŽINA 502460101
44 HRÍDEL 535414634
45 PÁKA 535402817
46 RETAINING RING 535402849
47 PIN RETAINING SCREW 535402816
48 TLUMIČ 502460301
54 PIN RETAINING SCREW 535402809
58 PODLOŽKA 502451201
59 TĚSNĚNÍ 535402811
60 OVLÁDACÍ HŘÍDEL 502451101
61 ECCENTRIC 535402892
62 PODLOŽKA 535402813
63 O-KROUŽEK 535402814
64 MATICE 506956601
65 POUZDRO 535414644
66 DIFFERENTIAL GEAR KIT 502449801
67 PIN RETAINING SCREW 535414656
68 OZUBENÉ SOUKOLÍ 535414661
69 HRÍDEL 535414639
70 PODLOŽKA 535414640
71 OZUBENÉ SOUKOLÍ 535414659
72 PASTOREK 535414662
73 POUZDRO 535414658
74 BUSHING 535414690
75 JEHLOVÉ LOŽISKO 535414657
76 AXLE SHAFT, LEFT 502450901
77 RETAINING RING 535414696
78 AXLE SHAFT RIGHT 502451001
79 BUSHING 535414697
81 TĚSNĚNÍ 535402810
82 PODLOŽKA 535414645
85 PÁKA BRZDY 535402808
87 BRAKE DISC 535414646
88 BRZDOVÁ ČELIST 535414647
89 SHIM KIT 502449501
90 OVLADAČ 502449601
91 HRÍDEL 535414650
92 PODLOŽKA 535414651
93 O-KROUŽEK 535414619
100 RETAINING RING 535414702
103 COVER 535402818
104 O-KROUŽEK 535402820
105 FILTER 535402819
108 ŠROUB 535414706
109 PUMP CASE KIT 535466501
111 ČLÁNEK 535466502
112 O-KROUŽEK 535466503
113 O-KROUŽEK 502462001
114 PIN RETAINING SCREW 535414692
130 PIN RETAINING SCREW 535414699
136 CHARGE RELIEF VALVE 502460601
137 IMPLEMENT RELIEF VALVE 502449301
138 3RD CHECK VALVE 502451501
153 VENTILÁTOR 502450301
154 INPUT PULLEY 3.5" DIA 502450501
200 K66B,D,I,K,M SEAL KIT 502451301
201 OPRAVÁRENSKÁ SADA 502463701