Doručujeme do více než 25 zemí
info@sgarden.cz
Zaměřujeme se zvláště na náhradní díly, stačí kliknout
Přihlášení
/
Registrace
Přihlaste se
E-mail:
Heslo:
Zůstat přihlášen
Přihlásit se
Zapomenuté heslo?
Jsem tu nový:
registrovat
/
Odhlášení
CZ
€
CS
EN
€
Kč
Váš
KOŠÍK
čeká na naplnění
ks
Vysypat košík
Objednat
Opravdu
chcete
aby zůstal prázdný?
Ano, vysypat
Nechci
,
,
Náhradní díly
vše pro vaše stroje
Náhradní díly
>
Husqvarna
>
Zahradní traktory
>
YTH180 YTH180, HEYTH180A, 954820141, 1998-12
>
KRYT SEČENÍ / ŽACÍ ÚSTROJÍ
zpět na
YTH180
YTH180, HEYTH180A, 954820141, 1998-12
KRYT SEČENÍ / ŽACÍ ÚSTROJÍ
YTH180
YTH180, HEYTH180A, 954820141, 1998-12
Najeďte myší na rozkres
kolečko:
přiblížení, levé tlačítko:
pohyb
Další díly
pro
YTH180, HEYTH180A, 954820141, 1998-12
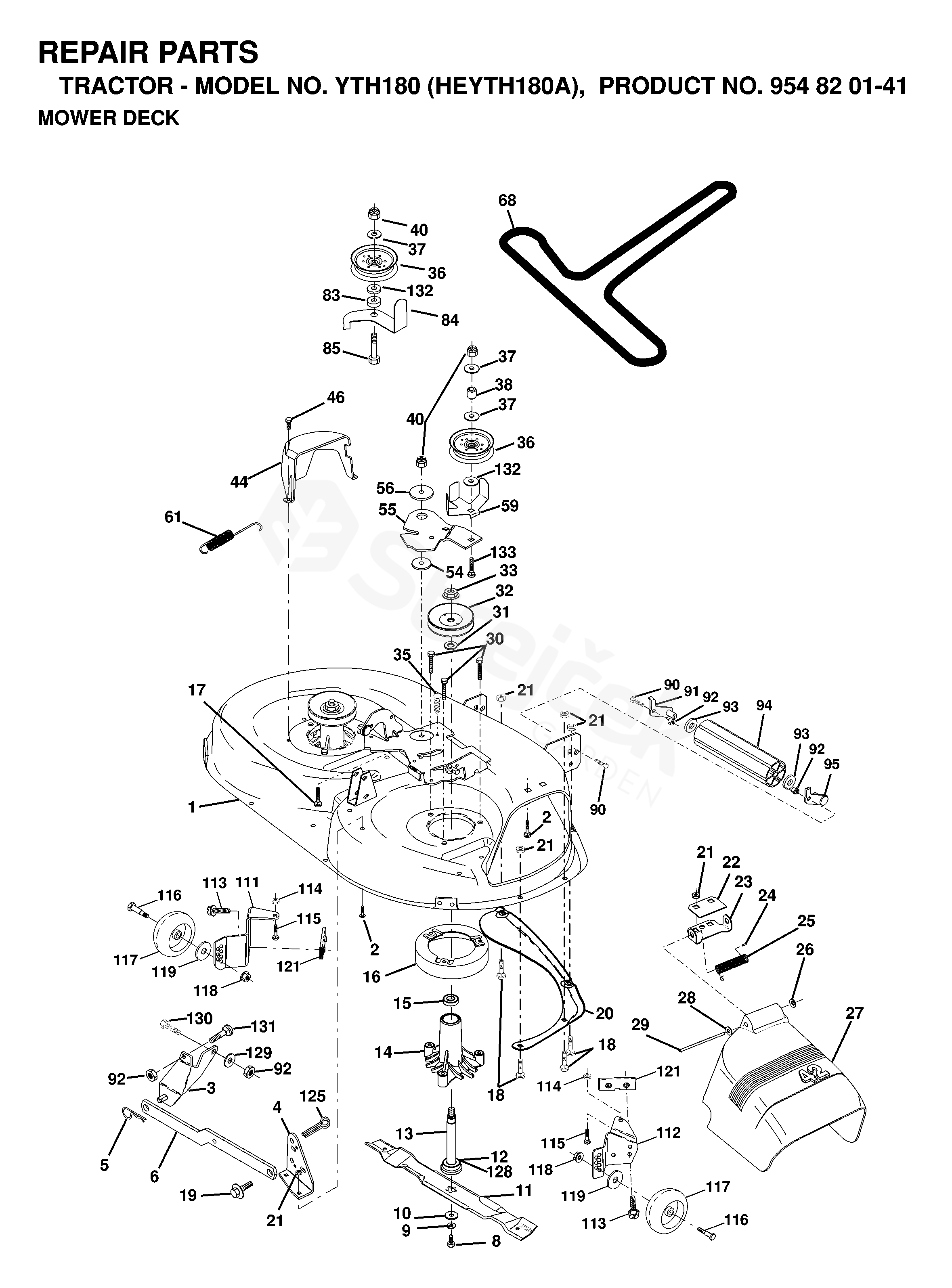
1
KRYT
532164961
2
ŠROUB
872140506
3
BRACKE
532138017
4
DRŽÁK
532138440
5
RETAINING RING
532124670
6
PÁKA
532130832
8
ŠROUB
532850857
9
PODLOŽKA
810030600
10
PODLOŽKA
532140296
11
RIDE ON BLADE
531005085
12
LOŽISKO
532129895
13
HRÍDEL
532137645
14
DOMEČEK LOŽISKA
532128774
15
LOŽISKO
532110485
16
KLEŠTĚ PRO STAHOVÁNÍ IZOLACE
532140329
17
ŠROUB
872110618
18
ŠROUB
872140505
19
SPEC. BOLT
532132827
20
KOLEJNICE
532159770
21
MATICE
873680500
22
DESKA
532134753
23
DRŽÁK
532131267
24
KRYT STŘEDU
532105304
25
PRUŽINA
532123713
26
MATICE
532110452
27
DEFLEKTOR
532130968
28
PODLOŽKA
819111016
29
HRÍDEL
532131491
30
ŠROUB
532157722
31
PODLOŽKA
532129963
32
ŘEMENICE
532153535
33
MATICE
532137266
35
XMAS TREE FASTNER
532133835
36
ŘEMENICE
532131494
37
PODLOŽKA
819131316
38
IDLER SPACER
532132823
40
MATICE
873680600
44
KRYT
532140088
46
ŠROUB
532137729
54
PODLOŽKA
532133943
55
PÁKA
532140084
56
ROZPĚRKA
532122052
59
KRYT
532141043
61
PRUŽINA
532131950
68
ŘEMEN
531005086
83
PODLOŽKA
532120958
84
NAPÍNÁK
532156084
85
ŠROUB
872140620
90
ŠROUB
874760616
91
DRŽÁK
532132274
92
MATICE
873800600
93
PODLOŽKA
819171416
94
VÁLEČKOVÉ LOŽISKO
532132264
95
DRŽÁK
532132273
111
DRŽÁK
532155197
112
DRŽÁK
532155198
113
ŠROUB
817490512
114
MATICE
873510500
115
ŠROUB
872110504
116
ŠROUB
532137644
117
KOLO
532133957
118
MATICE
873930600
119
PODLOŽKA
819121414
121
DRŽÁK
532143723
125
PIN RETAINING SCREW
876020816
128
TĚSNĚNÍ
532153390
129
PODLOŽKA
819131312
130
ŠROUB
874780616
131
ŠROUB
872140608
132
PODLOŽKA
819132203
133
ŠROUB
872110622
DOMEČEK
532130794